Бакалавр
Коломойцев Б.М.
Національний технічний
університет України
«Київський політехнічний
інститу», м.Київ, Україна
Розробка принципів
організації мереж доступу FTTH
Побудова та проектування мереж широкосмугового
доступу (ШСД) на базі технології FTTН здійснюється відповідно до чинного
законодавства України та нормативних документів, що діють в галузі будівництва
та телекомунікаційній галузі.
Склад, порядок розроблення, погодження,
експертиза й затвердження проектної документації для об’єктів будівництва мереж
за технологією FTTН повинні відповідати вимогам ДБН А.2.2-3-2004.
Проекти будівництва конкретних об’єктів
повинні розроблятись на основі даних служб маркетингу філій щодо планів продажу
послуг по кожному будинку (під’їзду будинку) визначеного району (мікрорайону) міста.
Кожному споживачу, підключеному за технологією
FTTН, повинна забезпечуватись технічна можливість надання послуг доступу до
мережі Інтернет, цифрового ІР-телебачення, SIP – телефонії.
Архітектура мережі FTTН (волоконно-оптична
частина) має передбачати перспективну можливість підключення всіх квартир
будинків, в яких надаються послуги .
Мережа доступу FTTН складається з
магістрального, розподільного та абонентського сегментів (оптичних
сегментів).
В даній
статті розглянуто наступний підхід: при проектуванні
першого етапу впровадження волоконно-оптичних мереж доступу на базі технології FTTH слід керуватись наступними
нормативами:
- кількість портів активного
обладнання вузла доступу має складати 12,5% від загальної кількості
домогосподарств в зоні обслуговування і може змінюватися в залежності від умов
конкретного проектного рішення;
- на магістральному та розподільному
сегментах мережі доступу ємність волоконно-оптичних кабелів має складати, в
середньому, 25% від загальної кількості домогосподарств в зоні обслуговування;
-
на
абонентському сегменті мережі доступу (в будинку) ємність волоконно-оптичного
кабелю міжповерхового прокладання має складати, в середньому, 50% від загальної
кількості квартир у будинку (під’їзді).
Для
підключення, комутації та контролю параметрів волоконно-оптичних ліній мережі
доступу застосовується оптичний крос, який має розміщуватись біля стояків
активного обладнання.
У
разі необхідності з’єднання стояків активного обладнання мережі доступу з
існуючим кросовим обладнанням для підключення з’єднувальних ліній,
з’єднання має здійснюватися за
допомогою станційного оптичного кабелю.
Магістральний сегмент мережі
доступу бере початок на оптичному кросі вузла агрегації та може закінчуватися
на розгалужувальній оптичній муфті великої ємності або герметичній кросовій
шафі. Вибір муфти чи кросової шафи для закінчення магістрального сегменту
здійснюється в кожному конкретному випадку на підставі відповідних техніко-економічних
розрахунків. За техніко-економічної доцільності, магістральний та розподільний
сегменти можуть об’єднуватись і магістральний кабель прокладається від кросу
вузла агрегації безпосередньо до побудов, в яких надаються телекомунікаційні
послуги.
Зона підключення абонентів на
відстані до 500 м від вузлу доступу, на якій домова муфта (ДМ) може
з’єднуватись з шахтною муфтою без застосування додаткових розгалужувальних або
з’єднувальних пристроїв називається зоною прямого живлення. В зоні прямого
живлення мають застосовуватись волоконно-оптичні кабелі (ВОК) ємністю 48, 72
або 96 оптичних волокон (ОВ).
Муфта великої ємності повинна
розміщуватись у оглядовому пристрої телефонної каналізації або у шафі
антивандальної конструкції. Конкретний спосіб розміщення муфт великої ємності
визначається проектом у відповідності до технічних умов експлуатаційних
підрозділів філій.
На початковому етапі визначаються на телекомунікаційній мережі товариства
існуючі шафові райони, в зонах обслуговування переважно багатоповерхової
забудови (від 5 поверхів та вище), з кількістю абонентів ADSL в шафі більше 48.
У вказаних шафових
районах виділяють групи будівель з найбільшою концентрацією абонентів послуг
ШСД ВАТ «Укртелеком» за принципами:
- загальна кількість
квартир у групі будівель – до 500;
- у групі може бути до 4-х компактно
розташованих будівель;
- у кожній будівлі вираховується
кількість під’їздів з округленням в більшу сторону до 4, 8 та 16;
- у групі будівель може бути сумарно
до 16 під’їздів.
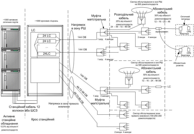
Принцип організації підключення абонентів показано на рисунку 1.

Рис.1. – Схема організації підключення
абонентів
На магістральному сегменті мережі доступу до кожної групи будівель з
кількістю домогосподарств до 500 прокладаються ВОК ємністю 144 ОВ у випадку,
коли кількість підключення прогнозується на рівні 25%, або 2 ВОК по 144 ОВ - при
прогнозуванні підключення 50% домогосподарств.
При наявності в групі
2, 3 чи 4-х будівель на магістральний волоконно-оптичний кабель 144 ОВ
встановлюється магістральна муфта, що забезпечує відгалуження на кожні 4
під’їзди однієї будівлі розподільчого кабелю ємністю 24, 48, 72 чи 96 ОВ. За
неможливості розташування муфти в наявних колодязях, вона розміщується в
додатковому окремому малогабаритному колодязі.
Розподільча муфта
повинна дозволяти включити додатково ще один розподільчий кабель від іншого 144
волоконного магістрального кабелю та забезпечити під’єднання до нового
розподільчого кабелю незадіяних 50% волокон у абонентському кабелі.
На розподільчому
сегменті вибір ємності ВОК, що відгалужується від магістрального кабелю до
кожного з 4 під’їздів здійснюється із розрахунку 25% від загальної кількості домогосподарств у
вказаних під’їздах.
Абонентський кабель прокладається від
розподільчої муфти виключно в приміщенні та призначений для обслуговування
абонентів, розташованих в одному
під’їзді, та розміщується в вертикальних стояках в захисній трубці, яка не розповсюджує горіння. Оболонка
вказаного кабелю відповідає вітчизняним пожежним нормам.
Від вертикального кабелю міжповерхового
прокладання відгалужується 1 волокно в
трубочці для підключення клієнтського обладнання абонентів на всіх поверхах
окрім останнього. На останньому поверсі встановлюється оптична розподільча
коробка і прокладаються шнури світловодні
з’єднувальні (патчкорди) до квартир абонентів.
В
приміщенні клієнта встановлюється модуль оптичної абонентської розетки на
відстані до 5 м від входу в приміщення.
Література
1.
Каток В.Б., Руденко І.Е., Максюк В.М. КСТ. Мережа
широкосмугового доступу ПАТ «Укртелеком». Керівництво з проектування, частина 1
FTTH. –
2013, 68 с.