Карачун В.В.

Національний технічний університет України «КПІ»

ЗМЕНШЕННЯ ДИФРАКЦІЙНИХ ЯВИЩ В ПОПЛАВКОВОМУ
ПІДВІСІ ГІРОСКОПА

Пропонуєма конструкція відноситься до точного машинобудування, а саме до поплавкових гіроскопів, і може бути використана у складі інерціальних навігаційних систем гіперзвукових високоточних ракет, надзвукової авіації, літаючих роботів та інших гіперзвукових літальних апаратів, які при льотній експлуатації підвладні дії потужних ударних звукових хвиль.

Відомий поплавковий гіроскоп (ПГ), який містить сферичний корпус із сферичною, частково заповненою робочою рідиною, порожниною і розміщений в корпусі гіровузол (поплавок) з опорами і датчиками кута і моментів [А.с. СССР № 1779129, G01С19/20, 1996].

Недолік цього ПГ полягає в складності виготовлення та балансировки внаслідок наявності в його конструкції деталей з поверхнями сферичної форми.

Найбільш близьким до пропонуємої конструкції за технічною сутністю і досягаємим ефектом є прийнятий за найближчий аналог ПГ, який містить розміщений в тепловому кожуху циліндричний корпус з внутрішньою циліндричною, частково заповненою робочою рідиною, порожниною і розміщений в порожнині корпусу герметичний гіровузол з опорами і датчиками кута і моментів для визначення курсу (див., наприклад: 1) У. Ригли, У. Холлистер, У. Денхард. Теория, проектирование и испытание гироскопов; 2) В.П. Данилин. Гироскопические приборы. – М.: Высш. шк., 1965 – М.: Мир, 1972.

Відомий ПГ простіший у виготовленні та балансуванні, але він недостатньо ефективно захищає гіровузол від збурення проникаючими потужними ударними звуковими хвилями, що знижує точність вимірювань і є основним його недоліком.

Зазначений недолік обумовлений тим, що робоча рідина рідинностатичної складової підвісу вже початково слугує добрим транслятором звукових хвиль. Нагріваючись ізсередини від гіромотора, рідина зменшує швидкість проникаючих іззовні звукових хвиль, і, тим самим, знижує збурення поверхні поплавкового підвісу і породжене цим небажане явище дифракції звукових хвиль із значним підвищенням амплітуди вимушених пружних коливань його поверхні, які сприймаються гіровузлом за вхідний сигнал, в дійсності будучи “хибним”. Підвищення температури рідини слугує сигналом для дії системи терморегуляції, що знаходиться в тепловому кожуху, і рідина буде охолоджуватися до необхідної температури, внаслідок  чого буде зростати швидкість пройдешніх звукових хвиль і відповідно будуть рости амплітуди вимушених коливань поверхні підвісу і, навпаки буде знижуватися точність вимірювань.

Іншою причиною зниження точності вимірювань ПГ є те, що тепловий кожух віддаючи назовні, в оточуюче середовище, надлишкове тепло підігріває повітря поза корпусом і, тим самим, підвищує швидкість проникаючих іззовні акустичних хвиль, що збільшує амплітуду збурених коливань поверхні корпусу ПГ і, відповідно, поплавкового підвісу, що також знижує точність вимірювань.

В основу пропонуємої конструкції поставлена задача зменшення амплітуд генеруємих звуковими хвилями в стінках корпусу ПГ та в робочій рідині коливань шляхом гасіння потужності діючих на корпус ударних звукових хвиль установкою на зовнішній оболонковій частині теплового кожуха додатково співвісного циліндричного екрану, відокремленого від поверхні теплового кожуха повітряною  порожниною, на бічній поверхні якого встановлені уловлювачі звукових хвиль у вигляді поздовжніх наскрізних пазів однакового розміру, по краям яких консольно закріплені паралельно утворюючим циліндра по дві пластини з великим коефіцієнтом внутрішнього звукопоглинання, а на поверхні теплового кожуха розміщені напроти пазів трикутні в перерізі поздовжні ребра жорсткості, що зменшить збурення гіровузла ударними звуковими хвилями і призведе до росту точності вимірювань курсу.

Поставлена задача вирішується тим, що в ПГ, який містить розміщений в тепловому кожуху циліндричний корпус з внутрішньою циліндричною, частково заповненою робочою рідиною, порожниною і розміщеним в порожнині корпусу герметичним гіровузлом з опорами і датчиками кута і моментів для визначення курсу, згідно корисної моделі новим є те, що на зовнішній оболонковій частині теплового кожуха додатково співвісно установлений циліндричний екран, відокремлений від поверхні теплового кожуха повітряною порожниною, на бічній поверхні якого встановлені уловлювачі звукових хвиль у вигляді поздовжніх наскрізних пазів однакового розміру, по краям яких консольно закріплені паралельно утворюючим циліндра по дві пластини з великим коефіцієнтом внутрішнього звукопоглинання, а на поверхні теплового кожуха розміщені напроти пазів трикутні в перерізі поздовжні ребра жорсткості.

Зазначені відмітні ознаки змінюють зовнішню поверхню оболонкової частини теплового кожуха з гладкої на ребристу, яка іззовні закрита співвісним екраном з поздовжніми наскрізними пазами однакового розміру, по краям яких консольно закріплені паралельно утворюючим циліндра по дві пластини з великим коефіцієнтом внутрішнього поглинання, що за інших рівних умов, створює додаткове розсіяння енергії проникаючих іззовні потужних ударних звукових хвиль при льотній експлуатації гіперзвукових літальних апаратів, а це знижує збурення ними гіровузла і підвищує точність вимірювань курсу.

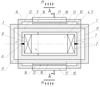
ПГ містить корпус 1 з циліндричною, діаметром D, порожниною 2, яка частково заповнена робочою рідиною 3 (рис. 1). В порожнині 2 корпусу 1, розташований поплавковий  підвіс 4 з гіромотором 5, який встановлюється на опорах 6 і має датчик кута 7 і датчик моментів 8 для визначення курсу. На зовнішній поверхні 9 корпуса 1 розміщений тепловий кожух 10 з кришками 11. На зовнішній оболонковій частині теплового кожуха 10 додатково співвісно установлений циліндричний екран 12, відокремлений від поверхні теплового кожуха повітряною порожниною 13, на бічній поверхні 14 якого встановлені уловлювачі звукових хвиль 15 у вигляді поздовжніх наскрізних пазів 16 однакових розмірів, по краям яких консольно закріплені паралельно утворюючим циліндра по дві пластини 17 з великим коефіцієнтом внутрішнього звукопоглинання (наприклад, гумові), а на поверхні теплового кожуха розміщені напроти пазів трикутні в перерізі поздовжні ребра жорсткості 18 (рис.2).

Працює ПГ наступним чином.

При дії на корпус 1 звукових хвиль 19, його стінки набувають пружно-напруженого стану і приходять в коливальний рух, випромінюючи в заповнену робочою рідиною порожнину 2 звукові хвилі. Оскільки, на зовнішній оболонковій частини теплового кожуха 10 додатково співвісно установлений циліндричний екран  12, відокремлений від поверхні теплового кожуха повітряною порожниною 13, на бічній поверхні 14 якого встановлені уловлювачі звукових хвиль 15 у вигляді поздовжних наскрізних пазів 16 однакових розмірів, по краям яких консольно закріплені паралельно утворюючим циліндра по дві пластини 17 з великим коефіцієнтом внутрішнього звукопоглинання (наприклад, гумові), а на поверхні теплового кожуха розміщені напроти пазів трикутні в перерізі поздовжні ребра жорсткості 18, замість гладкої поверхні в аналогу, відбувається поділ  звукових хвиль 19 на два потоки 20, які рухаються назустріч таким же потокам 20, але з сусіднього уловлювача звукових хвиль. Падаюча звукова хвиля 19 частину своєї енергії витрачає на генерацію коливального руху консольних пластин уловлювачів звуку і частково поглинається їх акустично м’якою пружною поверхнею. Після проходу через наскрізні пази 16 екрана 12, хвиля 19 поділяється ребрами жорсткості 18 теплового кожуха на два протилежно рухаючихся потоки і, внаслідок поверхневої нелінійності, втрачає ще частку своєї енергії, причому, переміщуючися по замкненому колу порожнини хвиля ще додатково гасить свою енергію. Зустрічаючися, потоки 20 суттєво зменшують потужність акустичної хвилі завдяки протиходу. Значно ослаблена звукова хвиля не взмозі суттєво розхитати пружну поверхню корпуса 1, що, в свою чергу, призведе до зменшеного пружно-напруженого стану поверхні поплавковго підвісу 4, а також до поменшення амплітуд генеруємих звуковими хвилями в стінках корпусу ПГ та в робочій рідині коливань, що призведе до росту точності вимірювань курсу.