Шовкун
О.П.
Тернопільський національний технічний
університет імені І. Пулюя, Україна
Електромагнітний
вібраційний привід з фазовою автоматичною підстройкою частоти збуджуючої сили.
Вiбрацiйна техніка має широке
застосування. Вiбрацiйнi машини використовують для транспортування штучних та
насипних об’єктів виробництва, для вiбрацiйної обробки, сепарації, операцій
поверхневого зміцнення, для iнтенсифiкацiї
технологічних процесів та хiмiчних
реакцій.
Найбільше поширення мають
вібраційні машини з електромагнітними вібраційними приводами. Ці приводи зручні
у використанні, мають високі експлуатаційні характеристики.
Але, у разі використання їх в резонансному режимі,
постає питання автоматичного регулювання частоти збуджуючої сили.
Відомі електромагнітні вібраційні
приводи з автоматичним регулюванням частоти збуджуючої сили, що мають робочий
орган, встановлений на коливальній системі, давач амплітуди, розташований на
робочому органі, сигнал якого
підсилюється і подається в обмотку електромагнітного збуджувача коливань[1].
Таким чином утворюється позитивний зворотній
зв’язок мiж приводом i робочим органом вiбрацiйної машини. Такi приводи пiдтримують
резонансний режим роботи незалежно вiд змiни власної частоти коливань вiбромашини,
та зовнішніх дестабілізуючих факторів, але їм властиві такі недолiки:
- нестабiльна робота у випадку значного коефiцiєнту
затухань коливальної системи;
- малий частотний діапазон;
- ускладнений
запуск, який, практично, здiйснюється шляхом механiчної дiї на робочий орган вiбромашини, або
використанням додаткового генератора.
Для усунення вказаних недолiкив був розроблений
вiбрацiйний привід з фазовою автоматичною підстройкою частоти збуджуючих
коливань (ФАПЧ), призначений для вiбромашин резонансної дiї з електромагнітним
збуджувачем коливань [2].
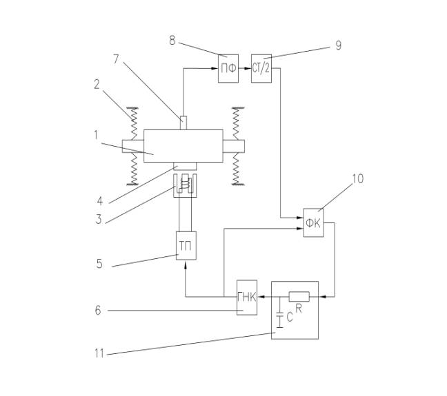
Функцiональна схема електромагнiтного приводу резонансної вiбрацiйної машини з ФАПЧ представлена на рис.1.

Рис. 1
Привiд складається
з коливальної маси 1 встановленої на пружнiй системi 2 з можливiстю здiйснення
коливань, електромагнiтного збуджувача 3 з якорем 4,
який закрiплений
на коливальнiй масi 1.
Обмотка збуджувача з'єднана з виходом тиристорного, або транзисторного пiдсилювача 5, вхiд
якого з'єднаний з виходом генератора керованого напругою 6.
На коливальнiй масi закрiплений вiбрацiйний давач 7 вихiд якого
сполучений з пiдсилювачем - формувачем 8, який пiд'єднаний до подiльника
частоти 9 з коефiцiентом дiлення К=2.
Вихiд подiльника з'єднаний з одним з входiв фазового компаратора
10, другий вхiд якого має зв'язок з виходом генератора 6.
Керуючий вхiд генератора 6 з'єднаний з виходом фазового
компаратора 10 за допомогою фiльтра низьких частот 11.
Електромагнiтний привiд резонансної вiбрацiйної машини працюе
таким чином.
При подачi напруги живлення,
генератор 6 починає генерувати iмпульси,частота слiдування яких знаходиться
недалеко вiд резонансної частоти вiбрацiйної машини. Цi iмпульси пiдсилюються
пiдсилювачем 5 i подаються в обмотку вiбрацiйного збуджувача 3, який притягуючи
якiр 4 приводить в рух робочий орган вiбрацiйної мащини.
Вiбрацiйний давач 7 реагуючи на коливання маси 1 перетворює їх в
електричнi сигнали, якi пiдсилюються та перетворюються в прямокутнi iмпульси,
частота слiдування яких дiлиться на два тригерним подiльником частоти 9 i
подаються на один з входiв фазового компаратора 10, а на другий з його входiв
надходять iмпульси з виходу генератора 6 керованого напругою. Застосувування подiльника частоти необхiдно
тому, що частота механiчних коливань
якоря однотактного електромагнiтного вiбрацiйного збуджувача в два раза бiльша
нiж частота струму що його живить.
В початковий момент часу, iмпульси вiд генератора 6 та сигнали вiд
вiбрацiйного давача 7 рiзняться по частотi та фазi. Фазовий компаратор 10 рееструє цю рiзницю перетворюючи її в послiдовнiсть iмпульсiв певної тривалостi.
Ця послiдовнiсть iмпульсiв проходячи через iнтегруючу
R-C ланку фiльтра низьких частот 11, перетворюється в керуючу напругу, яка подається на управляючий вхiд
генератора 6, що приводить до змiни його частоти в напрямку наближення до
частоти сигналiв, що подаються на другий вхiд компаратора - тобто сигналiв
вiбрацiйного давача.
Через деякiй
час, який визначається постiйною
часу фiльтра 11 та початковую
рiзницею мiж частотою генератора та частотою власних
коливань вiбрацiйної машини, цi сигнали зрiвняються по частотi та
фазi, що вiдповiдає резонансному режиму роботи вiбромашини.
При змiнi частоти власних коливань робочого органа
вiбрацiйной машини в процесi роботи, частота задаючого генератора також
змiниться в потрiбному напрямку таким чином, що вiбромашина працюватиме в
резонансному режимi незалежно вiд навантаження.
Литература:
1. А.С. СССР № 776961 М.кл. B 65 G 27/24
2. Патент України № 28978 B65G27/24