УДК
62-729.3/.-732:621.78-97.013.7
Сельское
хозяйство/2.Механизация сельского хозяйства
Д.т.н. Удлер
Э.И., к.т.н. Исаенко В.Д., Халтурин Д.В.,
Томский государственный архитектурно-строительный университет, Россия,
К.т.н., Зыков С.А.,
Московский государственный агроинженерный университет им. В.П. Горячкина,
Россия
ФИЛЬТР ОЧИСТКИ ТОПЛИВА И ЕГО ПОДОГРЕВА ДЛЯ ТОПЛИВНЫХ СИСТЕМ СЕЛЬСКОХОЗЯЙСТВЕННЫХ
МАШИН
В работе рассмотрена
конструкция фильтра для очистки топлива и его подогрева в процессе эксплуатации
сельскохозяйственной машины при отрицательных температурах. Предложен метод
расчета нагревательного элемента.
Надежность
эксплуатации сельскохозяйственных, транспортных и строительных машин в
значительной степени определяется работой дизельного двигателя. Анализ отказов
его систем свидетельствует, что от 30 до 50 % из них приходится на систему
питания [1].
При эксплуатации сельскохозяйственной
машины при положительных температурах это во многом связано с повышенной
загрязненностью дизельного топлива и, как следствие, интенсивным износом
прецизионных деталей топливной аппаратуры. При эксплуатации сельскохозяйственной
машин в зимнее время распространенным видом отказов являются самопроизвольные
остановки двигателя. Их причина в парафинизации топлива и образовании в нем
кристаллов льда, которые забивают поровую структуру фильтра тонкой очистки.
Таким образом, одним из
перспективных направлений повышения надежности эксплуатации сельскохозяйственных
машин является повышение качества очистки топлива от загрязнений и его подогрев
при эксплуатации м сельскохозяйственных машин в условиях низких температур.
Системы питания современных сельскохозяйственных
машин предусматривают двух-, иногда трехступенчатую очистку топлива от
загрязнений. Наибольшее распространение получила система очистки, состоящая из
двух последовательно установленных фильтров грубой (ФГО) и тонкой (ФТО)
очистки. В качестве ФГО, как правило, применяется фильтр-отстойник, который
обеспечивает очистку топлива от крупнодисперсных загрязнений и воды. В качестве
ФТО чаще используются фильтры, выполненные на основе фильтровальных бумаг или
картонов, обеспечивающих очистку топлива с тонкостью 3 – 5 мкм.
Основными недостатками
современных ФГО (фильтров-отстойников) является низкая эффективность очистки
топлива от загрязнений; ФТО с бумажным фильтроэлементом – их малый ресурс.
Одним из перспективных
направлений совершенствования средств очистки нефтепродуктов является
применение синтетических деформируемых (сжимаемых) пористых материалов
(например, пенополиуретанов) и создание на их основе фильтрующих элементов с переменной
поровой структурой [2]. Качество очистки (тонкость фильтрации) жидкости в
подобных конструкциях определяется пористостью Ymin в
области наибольшего сжатия фильтрующего материала.
Исследования зависимости
тонкости фильтраций d0,95 от
степени обжатия n пенополиуретана ППУ-ЭО-130
показали, что она удовлетворительно описывается эмпирической зависимостью вида:
d0,95=79,43·n-1,466·104
, (1)
где d0,95 – размер частиц загрязнений, 95 % которых задерживается
фильтрующим элементом.
Связь между пористостью
фильтрующего материала в свободном состоянии Y0 и
обжатого в n раз до Ymin определяется зависимостью
Ymin=1-(1-Y0)·n. (2)
На рис. 1 представлена схема фильтрующего элемента объемного типа,
изготовленного путем последовательной намотки фильтровальной ленты из
пенополиуретана 1 вокруг перфорированного каркаса 2.

Рис. 1 – Схема навивки
фильтрующего элемента
Намотка
фильтровальной ленты с постепенным уменьшением уплотнения позволяет получить
фильтрующий элемент с пористостью, увеличивающейся от Ymin (в областях прилегающих к каркасу) до Y0 (на
периферии элемента). В процессе очистки жидкость последовательно проходит от
периферии к центру. При этом задержка частиц больших размеров осуществляется в
областях, близких к периферии, меньших размеров – в слоях меньшей пористостью.
Подобная структура фильтрующего материала позволяет обеспечить равномерную
забивку частицами загрязнений, повысить ресурс его работы.
Длина фильтровальной ленты L при ее
намотке по закону логарифмической спирали может быть определена по формуле
(3)
где rн, rв – соответственно, наружный и
внутренний радиусы фильтроэлемента, м; p – отношение длины окружности к
диаметру, величина постоянная и равна 3,14; Y0
– пористость
фильтроматериала, из которого изготовлена фильтровальная лента в необжатом
состоянии; Ymin – минимальная требуемая пористость
этого фильтровального материала на трубке, обеспечивающая требуемое качество
очистки фильтруемой жидкости; d – толщина пластины
фильтроматериала.
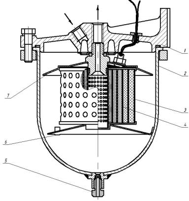
На рис. 2
приведена конструкция фильтра для очистки топлива с фильтрующим элементом,
выполненным по схеме рис. 1. Для повышения надежности эксплуатации сельскохозяйственной
машины в зимних условиях фильтрующий элемент дополнен встроенным нагревателем,
который расположен между слоями фильтровальной ленты, изготовленный из нетканого
синтетического иглопробивного материала и работает от бортовых источников
питания машины.

Рис. 2.
Фильтр-нагреватель:
1 – крышка корпуса
фильтра; 2 – корпус фильтра; 3 – фильтроэлемент; 4 – нагревательный элемент; 5
– сливная пробка; 6 – успокоитель; 7 – отражатель
В процессе работы топливо
поступает в корпус фильтра, последовательно проходит через слои
фильтрующего материала и через выпускной канал удаляется по трубопроводу к ФТО.
Фильтроэлемент, установленный в корпусе фильтра, работает
следующим образом. Диэлектрическая жидкость под напором проходит через наружную
обечайку, равномерно распределяясь в объёме фильтроэлемента, и поступает в
фильтровальную ленту. Лента одним концом соединена с перфорированной трубкой и
намотана на нее по закону логарифмической спирали с уплотнением,
увеличивающимся от обечайки к центру фильтроэлемента, что обеспечивает постепенную фильтрацию жидкости от
крупных частиц загрязнений на периферии до мелких к центру фильтроэлемента.
Фильтруемая жидкость омывает поверхность подложки, которая играет роль
нагревательного элемента, расположенного во всём объёме фильтроэлемента, что
обеспечивает равномерный и быстрый нагрев в условиях низких температур.
Очищенная и нагретая жидкость выходит через внутреннюю перфорированную трубку и
далее по топливопроводу поступает к остальным элементам системы питания дизеля.
Разработанный фильтроэлемент отвечает всем вышеизложенным
требованиям по очистке, а также позволяет осуществить нагрев очищаемой жидкости
в условиях низких температур и тем самым обеспечить заданное качество очистки
независимо от температуры окружающей среды.
Так, представленная в данной
работе конструкция разработана на основе ФГО, устанавливаемого на двигателе
трактора Т-150К. Конструкция корпуса фильтра и его крышки при этом претерпевают
незначительные изменения. Подложка, используемая в этой разработке, работает
автономно от бортовых источников питания транспортного средства. Так, в режиме
предварительного разогрева топлива питание нагревательного элемента осуществляется
от бортовой аккумуляторной батареи, а после запуска двигателя – от генератора.
Литература:
1. Баширов Р.М.
Надежность топливной аппаратуры тракторных и комбайновых дизелей. – М.:
Машиностроение, 1978. – 184 с.
2. Удлер Э.И. Фильтрация
нефтепродуктов. – Томск: Изд-во Том. ун-та, 1988.–216 с.