Национальный Исследовательский
Иркутский Государственный Технический Университет
Модернизация узла транспортировки
меламина на ОАО «Невинномысский Азот»
Проект
«Меламинового Комплекса» на «Невинномысском Азоте» ОАО «Еврохим»разработан с
применением катализатора. Одним из основных недостатков данной технологии
производства является то, что в процессе эксплуатации образуется большое
количество побочного продукта – мелема, к тому же происходит унос частиц
катализатора из реакционной зоны, и, как следствие, невозможно дальнейшее его
применение. Проектировщиками предусмотрена возможность захоронения побочного
продукта в герметичных контейнерах на полигоне. Это техническое решение
считается невыгодным как с точки зрения экономики, так и экологии.
В данной статье
рассмотрена модернизация узла фильтрации технологического газа от побочных
продуктов, с целью уменьшения вредных выбросов в атмосферу и уменьшения
производимых отходов, связанное с покупкой дорогостоящего катализатора, но с
большими экономическими и экологически показателями. На
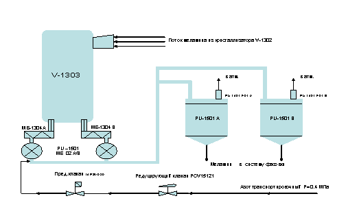
рисунке 1 представлена действующая технологическая схема. Транспортирующий азот
из коллектора установки редуцируется регулятором прямого действия поз. PCV15121
до избыточного давления от 28 до 54 КПа. После узла редуцирования азот подается
в один из выгрузочных переходников ротационного питателя поз. PU-1501-ME-02A
или поз. PU-1501-ME-02B, туда же через шнековые питатели поз. ME-1304A/B из
циклона поз. V-1303 подается
готовый продукт. Для защиты линии азота
и транспортной системы от превышения давления после узла редуцирования
предусмотрена установка предохранительного клапана поз. 15PSV080
с давлением срабатывания 0,15 МПа.

Рисунок 1 -
Технологическая схема
Выдача меламина из
ротационного питателя поз. PU-1501-ME-02A
или поз. PU-1501-ME-02B
осуществляется по двум специальным трубопроводам. Затем меламин через
переключающий клапан выдается в один общий транспортный трубопровод, откуда
готовый продукт поступает в бункера поз. PU-1501-V01-A/B. Транспортирующий азот
сбрасывается в атмосферу через фильтры PU-1501-F-01A/В,
установленные в верхней части бункеров.
Данное
технологическое решение, с точки зрения как экономики, так и экологии
нерентабельно. Для транспортировки готового продукта используется азот из
заводской сети Р = 0,4 МПа. Выделение
азота из воздуха довольно дорогостоящий процесс, что отражено в цене на этот продукт. К тому же азот после
транспортировки безвозвратно выбрасывается в атмосферу, тем самым, происходит
загрязнение окружающей среды.
В
сложившейся ситуации существует два способа решения данной проблемы: исключить
сброс азота в атмосферу, изменив
конструкцию фильтров и снова выдавать его в коллектор или заменить азот на
менее дорогостоящий транспортирующий газ. Первый способ требует значительных
технических изменений, при этом остается риск, что выпускаемый через фильтры
азот будет не на 100% отделен от меламина, что приведет к нежелательному
загрязнению коллектора азота.. Второй способ был выбран по причине небольших
изменений в конструкцию, с сохранением действующих систем КИП и А.
Технологическая схема практически полностью сохранена, за исключением того, что
вместо азота на транспортировку подается воздух технологический. А так как
технологический воздух значительно более влажный в сравнении с азотом, что
может привести к попаданию воды в транспортируемый продукт, до врезки перед
клапаном предусматривается установка двух сепараторов для отделения влаги. Сепараторы
подключены параллельно – один в работе, второй в резерве.

Рисунок
2 - Узел технологической схемы
Для автоматического удаления скопившейся
влаги на дренажном вентиле предлагается установить электронный конденсатоотводчик.
При такой
модернизации узла транспортировки меламина предложенные технические
решения позволяют повысить экономическую эффективность производства, снизить
затраты в процессе эксплуатации установки и уменьшить нежелательные выбросы в
атмосферу.
Литература
1.
Описание технологического процесса производство меламина мощностью 50000 т/год.
НИИК., - Дзержинск, 2008г
2.
Экономика химического предприятия и предпринимательства. Учебное пособие. /Под.
ред. П.П. Табурчака. – СПб.: Химия, 1995
3.
Строительная документация Lurgi