Технические науки/
6.Электротехника и радиоэлектроника
Зотов Л.Г., Брейдо И.В., Мехтиев А.Д., Югай В.В.
Карагандинский государственный технический
университет
Электронные высокочастотные трансформаторы
Необходимость построения электронных силовых трансформаторов (ЭСТ)
обусловлена стремлением замены громоздких
сетевых трансформаторов, работающих на частоте промышленной сети, на
более технологичные высокочастотные и, следовательно, малогабаритные устройства. Принцип построения ЭСТ на основе
высокочастотных резонансных структур с переключаемыми конденсаторами c точки зрения методологии является оригинальным, т.к. в отличие от известных методов
[1-3], исключает промежуточное
преобразование переменного напряжения сети в постоянное с последующим
высокочастотным инвертированием. Главные показатели качества таких устройств –
масса, габариты, КПД, коэффициент мощности и коэффициенты гармоник входного и
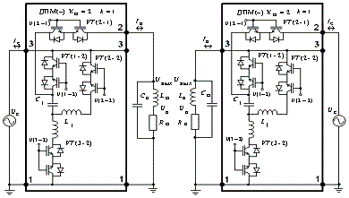
выходного токов. Принципиальные схемы силовой цепи (СЦ) однотактных (k=1),
нерегулируемых - повышающего и понижающего ЭСТ на основе резонансных
двунаправленных преобразовательных модулей ДПМ(~) приведены на (рис. 1), а на
(рис. 2) даны временные диаграммы токов и напряжений, поясняющие их работу в
обоих направлениях.
Важное свойство предлагаемых структур состоит в том, что благодаря
введению во входную и выходную цепи ДПМ (~) реакторов
, а также конденсатора
в контур нагрузки,
все двунаправленные ключи, входящие в их состав, работают в режиме мягкой
коммутации. Мягкая коммутация практически устраняет динамические потери в
указанных ключах, вследствие чего, рассматриваемые ЭСТ имеют высокий КПД.

Рис. 1. Принципиальные схемы СЦ однотактных повышающего и понижающего ЭСТ
С другой стороны мягкая коммутация
позволяет в несколько раз увеличить частоту преобразования
ключей в
ДПМ(~), и тем самым значительно
улучшить удельные массообъемные показатели ЭСТ за счет пропорционального
снижения величин емкостей и индуктивностей его СЦ, определяемых по формулам
(1),(2).

Рис. 2. Временные диаграммы, поясняющие работу
однотактных повышающего и понижающего
ЭСТ
Кроме того, при коэффициенте
преобразования используемых ДПМ(~) Кп=2, все двунаправленные ключи выбираются
одинаковыми, т.к. их токи и напряжения соответственно в открытом и закрытом
состояниях совпадают по форме и величине. При этом максимальные напряжения на
указанных ключах в закрытом состоянии равны амплитудному напряжению сети
.
Для улучшения массообъемных и
энергетических показателей, а также входных и выходных характеристик
целесообразно применить многотактные
ЭСТ (рис.3). На рис. 4. даны
временные диаграммы, поясняющие работу трехтактного ЭСТ.


Рис. 3. Структурные схемы двух и трехтактного
повышающих ЭСТ

Рис. 4. Временные диаграммы, поясняющие работу
трехтактного повышающего и понижающего ЭСТ
Достоинство
многотактного ЭСТ заключается в резком снижении коэффициента гармоник входного
тока
, особенно при k=3, за счет увеличения частоты его пульсации до
значения
![]()
Литература
1.
Fang Z.Peng, Fan Zhang, Zhaoming Qian.
A Magnetic – less DC-DC Converter for Dual Voltage Automotive Systems.
IEEE Trans.Ind. Appl. 2003 Mar/Apr v.39, №2, p 511-518.
2.
В.Ф.Дмитриков и др. Современное
состояние систем электропитания на основе мем-бранных технологий водородной
энергетики. «ЭЛЕКТРОСВЯЗЬ»,№9, 2010, c 20-24