Доповідь/Технічні науки – Автоматизовані системи
управління на виробництві
УДК 681.518:52
К.т.н.,
доц. Семенцова А.О., Челяк М.М.
Івано-Франківський
національний технічний університет нафти і газу
Аналіз впливу
зміни напруги на затискачах занурного електродвигуна на продуктивність
відцентрового насосу
Підвищення
продуктивності занурних відцентрових насосів (ВЦН), що використовуються для
видобування нафти є однією із найважливіших проблем, яка потребує наукового
обґрунтування і розробки відповідного технічного забезпечення. Слід відзначити,
що процес видобування нафти за допомогою ВЦН є параметрично невизначеним об’єктом
керування з нечітко відомими математичними моделями, що функціонує за умов
невідомих збурень. У зв’язку з цим є актуальним і доцільним аналіз взаємозв’язків
продуктивності насосів з змінами напруги на затискачах занурного
електродвигуна. Вони дозволяють використати їх для вирішення задач контролю та
оптимального керування напругою живлення електродвигуна ВЦН.
Теоретичні і
практичні аспекти впливу зміни напруги на затискачах електродвигуна на
різноманітні показники роботи ВЦН розглядались у працях А.А.Богданова [1],
С.С.Брудника [2], A. Whittaker,
Д.Буццуні [3, 4], М.Леннберга [5], В.М.Беляєва [6], А.Л.Ільського [7] та ін.
Проте, аналіз літературних джерел [1÷7 та ін.]
показує недостатній обсяг проведених досліджень в контексті встановлення зв`язків зміни
напруги на затискачах електродвигуна з продуктивністю занурного ВЦН.
Тому основною
метою даної роботи є аналіз впливу зміни напруги на затискачах електродвигуна
на його енергетичні показники та продуктивність занурного ВЦН.
Відомо [1], що
завишена напруга на обмотці статора занурного електродвигуна не тільки погіршує
енергетичні показники установки (ККД, cosφ, струм і потужність, що споживаються),
але й призводить до пошкодження конструктивних елементів у самій насосній
установці. Це насамперед стосується працездатності ізоляції обмотки статора та
проміжних підшипників ротора. Окрім цього, із збільшенням напруги зменшується cosφ, зростають
втрати в сталі та обмотці статора, знижується ККД, підвищується температура
обмотки, знижується її надійність.
На рис.1
наведено залежності підвищення температури обмотки статора τ, 0С над температурою охолоджуючої рідини і ККД (ηдв.)від величини напруги,
вказаної у відсотках від номінальної, для електродвигунів ПЕД28-103 і
ПЕД20-103.

а) б)
Рисунок 1 – Графіки залежностей ККД двигунів і підвищення температури
обмоток статорів від напруги живлення, яка вказана у відсотках від номінальної:
а) для двигуна ПЕД28-103, б) для
двигуна ПЕД20-103;
1 – при
потужності двигуна, яка дорівнює номінальному значенню;
2 – при
потужності двигуна, яка дорівнює 80% від номінальної
Бачимо, що підвищення напруги лише на 12%
вище номінальної веде до зниження ККД електродвигуна ПЕД28-103 на 5% і
зростання температури обмотки на 140 С. При зростанні напруги на 20%
ККД двигуна ПЕД28-103 зменшується на 11%, а температура обмотки статора зростає
на 320 С. Що стосується двигуна ПЕД20-103, то у нього ККД знижується
відповідно на 1,3% і 4%, а температура обмотки зростає на 3,5 і 120
С.
Слід також відзначити, що підвищення
напруги і температури двигуна сприяє швидкому розкладанню мінеральної оливи,
якою заповнена порожнина електродвигуна, а також погіршує його діелектричні і
мастильні властивості, погіршує роботу підшипників. Отже, правильний вибір напруги на затискачах занурного
електродвигуна ВЦН має велике значення як для підвищення енергетичних
показників роботи занурних електронасосів, так і для підвищення показників їх
працездатності і надійності.
Слід відзначити, що на відміну від
електродвигунів наземного виконання із стандартними напругами 220, 280 або 660
В, що живляться від мережі з постійною некерованою напругою, занурні
електродвигуни ВЦН отримують напругу живлення від індивідуальних
трансформаторів або автотрансформаторів, які мають широкий діапазон регулювання
напруги. Тому підбір оптимальної напруги для електродвигунів ВЦН є досить
простим. Це дає змогу підібрати оптимальну напругу, при якій потужність
електродвигуна відповідає потужності, що споживає насос.
Проте, слід враховувати, що напруга на
затискачах занурного електродвигуна в момент його пуску суттєво нижча від
номінальної, а пусковий момент, який пропорційний квадрату напруги, різко
зменшується. На рис. 2 наведено залежність початкового пускового моменту Мп
від величини напруги U на затискачах
двигуна, що побудована за даними випробувань [1]
одного із серійних занурних електродвигунів ПЕД-28-103.

Рисунок
2 – Графік залежності початкового пускового моменту Мп електродвигуна ПЕД28-103 від напруги U
Відомо, що при номінальному завантаженні
електродвигуна збільшення напруги на затискачах електродвигуна веде до
зменшення ККД і збільшення струму навантаження І. Коефіцієнт потужності cosφ при збільшенні напруги зменшується. На
рис. 3 наведено графіки [1] залежностей

від
де η – ККД, І – сила струму А, Іном.
– сила струму при номінальній напрузі Uном.
Рисунок
3 – Графіки залежностей
,
φ, та
занурного електродвигуна ПЕД28-103 від величини
напруги
при номінальному навантаженні двигуна
Бачимо, що існує оптимальне значення
напруги, при якому струм має мінімальне значення, а ККД максимальне.
Поряд з цим потребує дослідження питання
впливу рівня напруги на затискачах електродвигуна на продуктивність ВЦН. Цей
фактор має не менше значення, так як неврахування зміни продуктивності може
істотно вплинути на видобуток нафти в цілому по промислу.
При зміні напруги змінюється частота обертання
двигуна і, як наслідок, продуктивність механізмів. Для ВЦН можна розрахувати
зміну продуктивності у функції напруги, використовуючи їх QН-характеристики (витратно-напірні характеристики).
Оскільки ряд номінальних значень напору і
продуктивності насоса коливається в широких межах, а доцільно зробити порівняльний
аналіз зміни продуктивності різних насосів та для розрахунків використати відносну
систему одиниць.
Проведений аналіз літератури [1,
4, 5, 6, 7 та ін.] показує , що для заглибних відцентрових насосів QН-характеристики можуть бути з достатнім ступенем
точності описані многочленом другого порядку
, (1)
де –
– напір, що розвивається насосом, виражений у відносних
одиницях;
–
продуктивність насоса у відносних одиницях;
Hном та Qном – номінальні
значення напору та продуктивності насоса;
k1, k2, k3 – коефіцієнти, які залежать від технічних
параметрів насоса і змінюються в широких межах залежно від номінальних значень
напору, продуктивності і діаметра насоса.
Напір, що
розвивається насосом, істотно залежить від частоти обертання двигуна.
Дослідження показують, що для ВЦН ця залежність квадратична:
, (2)
де
– частота обертання
насоса у відносних одиницях;
nном – номінальна
частота обертання.
Проте, робочий
напір, що розвивається насосом при даній продуктивності, залежить від цілого ряду чинників: висоти підйому
рідини, величини протитиску в трапі і т. д.
Залежно від дебіту свердловини частина з них
змінює свою величину:
(3)
де Нс – втрата напору, м;
Нп – складова напору, яка не
залежить від дебіту свердловини (тиску в трапі, різниці геодезичних відміток і
т.д.);
ΔНд – депресія, тобто зниження
рівня рідини в свердловині при її експлуатації на сталому режимі;
Нтр
– частина напору, що втрачається на подолання тертя при русі рідини в трубах
від насоса до трапа.
Відповідно:

де К –
коефіцієнт продуктивності свердловини;
m –
величина, що залежить від інтенсивності фільтрації рідини в зоні пласта, яка
приймається в більшості випадків m = 1;
Qс - добовий дебіт свердловини;
rтр - коефіцієнт
опору, що залежить від розмірів труб , числа і виду місцевих опорів і т. д.
Тоді рівняння
(3) перепишеться у такому вигляді:
(4)
де
;
.
Отже,
продуктивність насоса можна визначити в результаті спільного рішення рівнянь
(2) і (4):
. (5)
Аналіз формули
(5) показує, що зміна частоти обертання двигуна істотно впливає на
продуктивність насосів, причому вплив цей тим більше, чим вище коефіцієнт
продуктивності свердловини.
Потужність, що
віддається двигуном, який приводить в рух насос, у відносних одиницях дорівнює:
(6)
де η
– ККД насоса;
Рном – номінальна потужність
двигуна.
Отже,
встановлено, що зміна напруги на затискачах занурного двигуна істотно впливає
не тільки на енергетичні показники його роботи, а й на продуктивність насосів.
Найбільша продуктивність насосів знаходиться в області підвищених напруг.
При визначенні оптимальної величини напруги на
затискачах двигуна необхідно врахувати найвигідніші енергетичні показники та
можливість збільшення продуктивності насосів при підвищенні напруги.
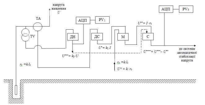
З метою контролю за величиною напруги на
затискачах занурного електродвигуна (ЗЕД) пропонується пристрій, що реалізує
алгоритм:
(7)
де U1 – напруга, яка вимірюється на поверхні свердловини;
– втрати напруги в кабелі;
І –
струм живлення, А;
rк – активний опір кабеля.
Тобто
.
Користуючись
елементами, що застосовують у системах автоматизованого керування, пропонується
блок-схема пристрою для контролю напруги на затискачах ЗЕД, що містить давач
струму ДС, елемент множення М, давач напруги ДН, суматор та аналого-цифровий
перетворювач, що подана на рис. 4.

Рисунок 4 – Функціональна структура пристрою
для контролю напруги на затискачах ЗЕД
На
виході давача напруги ДН отримуємо аналоговий сигнал U***, пропорційний
напрузі на поверхні свердловини. На виході давача струму ДС отримуємо напругу U*, що
пропорційна струму 1. Вихідний сигнал U* подається на вхід елемента множення М. На вхід М
подається також сигнал, пропорційний активному опору кабеля rк = f(lк), де lк – довжина кабеля.
В елементі множення М здійснюється операція
множення І∙ rк і на виході М отримуємо сигнал U**,
пропорційний втратам напруги в кабелі.
Вихідні сигнали U** і U*** подаються на вхід суматора С, де проводиться операція
віднімання з величини напруги, що вимірюється на поверхні, величини напруги, що пропорційна втратам напруги в кабелі, тобто
отримуємо на виході суматора С, напругу U****, що пропорційна напрузі на затискачах ЗЕД:
U****= U***- U**. (8)
Для контролю цього
параметру за допомогою цифрового приладу, вихідний сигнал U**** подається на АЦП, де аналоговий сигнал U**** перетворюється на цифровий і
подається на прилад РV3. Сигнал
подається також у систему автоматичної стабілізації напруги живлення занурного
електродвигуна.
Висновок
На основі
аналізу впливу напруги на затискачах електродвигуна на його енергетичні
показники і продуктивність занурного відцентрового насосу розроблено
функціональну структуру пристрою контролю напруги на затискачах занурного електродвигуна,
що дозволяє здійснювати плавне регулювання напруги під час роботи насосної
установки або автоматично перемикати живлення занурного електродвигуна з
підвищеної напруги на оптимальну за час, впродовж якого електродвигун не
встигає повністю загальмуватися.
Література:
1. Богданов А.А. Вопросы
повышения эффективности эксплуатации скважин погружными насосами /
А.А.Богданов. – М.: ВНИИОЭНГ. – 1976. – 68с.
2. Брудник
С.С. Эффективность управления в нефтяной промышленности / С.С.Брудник,
И.А.Кочегарова, Г.И.Сандлер, А.Б.Чириков // Экспресс-информ. ВНИИОЭНГ. Сер.
«Экономика». – 1987. – Вып.12. – С. 7.
3.
Whittaker A. Score chart improves oil show evqluation /A. Whittaker, M.Sellens
// OGI. – March 30, 1987. –Vol.85. – № 13. – Р. 93-97.
4. Буццуни Д. Тестирование
мощных систем регулювания скорости приводными механизмами / Д.Буццуни, М.Заго
// АББ Ревго, № 2, 2011. – С.39-44.
5. Леннберг М. Гармонизация
приводов / М.Леннберг, П.Линдгрен // АББ Ревго, № 2, 2011. – С.63-65.
6. Беляев В.М. Современное
состояние кустового бурения с применением забойных двигателей / В.М.Беляев,
М.Т.Гусман, М.Г.Эслин. – М.: ВНИИОЭНГ. – 1989. – 60 с.
7. Ильский А.А. Опыт
эксплуатации буровых насосов с электро-приводами / А.А.Ильский, В.И.Жеребцов, А.Г.Чернобыльский,
Ф.Д.Балденко. – М.: ВНИИОЭНГ. – 1988. – 47 с.