УДК
621.565.7
Повышение
эффективности работы холодильной установки с аккумулятором естественного холода
за счет оптимизации режимов её работы
"Increase of efficiency of refrigeration unit
with the accumulator of natural cold due to optimization of modes of its
operation"
Крайнев А.А., Сериков С.А. ky4er87@mail.ru
Санкт-Петербургский национальный исследовательский
университет информационных технологий, механики и оптики
Институт холода и биотехнологий
191002, Санкт-Петербург, ул. Ломоносова, 9
Krainev A.A., Serikov S.Aky4er87@mail.ru
St. Petersburg National Research
University of Information Technologies,
Mechanics and Optics.
Institute of Refrigeration and
biotechnology.191002 St. Petersburg, Lomonosova Street, 9
Применение в составе холодильной
установки аккумуляторов естественного
холода является одним из современных эффективных способов снижения энергозатрат
на выработку холода. Для оценки использования такой возможности были проведены
некоторые ориентировочные расчеты, которые позволили оценить перспективы
использования естественного холода для этих целей. Приведена функциональная
гидравлическая схема холодильной установки с аккумулятором естественного холода
и соответствующая ей термоэкономическая модель. Даны системы уравнений, решение
которых позволяет определить температурные параметры оптимального режима работы
холодильной установки.
Ключевые слова: холодильная установка,
оптимизация режимов работы, аккумуляторы естественного холода, снижение
энергопотребления.
The
use of an accumulator of natural cold in a refrigeration unit is one of the
modern efficient ways to reduce energy consumption for the production of cold.
Some approximate calculations have been done for the estimation of the use of
such a possibility, which allowed evaluate the perspectives of natural cold use
for these purposes. The functional hydraulic circuit of a refrigeration unit
with the accumulator of natural cold, and a thermo economic model of such
refrigeration unit are demonstrated. Systems of the equations solving of which
allows to determine temperature parameters of an optimal mode of operation of
the refrigeration unit are also presented.
Keywords:
refrigeration unit, optimization of operating modes, accumulator of natural
cold, reduction of energy consumption.
Применения
искусственного холода и расширение областей его использования делают
современные установки крупными потребителями энергии, при этом сооружение холодильных установок связано со
значительными капитальными вложениями. При современных масштабах применения
холодильной техники даже относительно небольшое повышение энергетической
эффективности холодильных систем может дать существенный по абсолютной величине
экономический эффект [1].
Снижение
энергопотребления во многом определяется на этапе проектирования конкретного
объекта путем выбора схемы, подбора оборудования и алгоритма работы. Применение
в составе холодильной установки аккумуляторов холода является одним из
современных эффективных способов снижения энергозатрат на выработку холода.
Наиболее
широко используются аккумуляторы искусственного холода. Однако, всё большее
применение находят установки, позволяющие использовать естественный холод,
аккумулированный в холодное время года.
В
России большая территория имеет продолжительный зимний период в
течение года. Низкие зимние температуры и вечная мерзлота являются
неиссякаемыми источниками естественного холода. При их использовании
значительно сокращаются энергетические расходы на производство холода
холодильными установками, что в конечном итоге повышает экологическую
безопасность холодильных систем [2].
Переохлаждение
жидкого хладагента после конденсатора
существенный способ увеличения холодопроизводительности холодильной
установки. Понижение температуры переохлаждаемого хладагента на один градус
соответствует повышению производительности нормально функционирующей
холодильной установки примерно на 1% при том же уровне энергопотребления [3].
В используемом в настоящее время для этих
целей регегенеративном цикле переохлаждение хладагента связанно с увеличением
работы цикла. Поэтому степень переохлаждения имеет определенные ограничения.
Этого
можно избежать, используя внешний источник отвода теплоты для переохлаждения
жидкого хладагента до ТРВ. Одним из таких источников может стать естественный
холод, аккумулированный в зимний период.
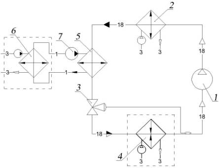
Функциональная
схема холодильной установки с аккумулятором естественного холода показана на
(рис.1)[2].

Рис.1
Функциональные схемы холодильной установки с аккумулятором
естественного холода; 1 – компрессор; 2 –
конденсатор; 3 – ТРВ; 4 – охлаждаемый объект; 5 –теплообменник; 6 – аккумулятор естественного
холода; 7 – насос.
Повышение эффективности применения аккумулятора
естественного холода для этих целей, может быть достигнуто как за счет
совершенствования конструкции и условий протекания процессов в аккумуляторе
естественного холода, так и за счет выбора наиболее рациональных режимных
параметров, определяющих работу всей системы в целом. Второй путь исследования
может привести к существенному экономическому эффекту. В качестве критерия для
оценки эффективности работы холодильной установки с аккумулятором
естественного холода может быть выбрана величина приведенных затрат,
учитывающая как стоимость выбранного оборудования, так и эксплуатационные
расходы, определяемые режимом работы системы.
Режим работы холодильной установки, при заданных
температурах охлаждаемой и окружающей сред, зависит от перепадов температур в
теплообменник аппаратах, определяющих
выбор оборудования и условия его эксплуатации. Этому вопросу посвящен ряд
исследований. Общим для перечисленных исследований является анализ работы и
оптимизация отдельных элементов и распространение (по существу - экстраполяция)
полученных результатов для этих элементов на всю холодильную машину или
установку. Однако, параметры работы отдельных элементов холодильной установки
взаимосвязаны, поэтому выбор режима должен производиться при комплексной
оптимизации всей системы в целом[1].
В связи с необходимостью рассмотрения работы
системы в широком диапазоне изменения температур охлаждающей и окружающей сред,
определение оптимального режима работы может быть произведено на базе
математического моделирования процессов, протекающих в холодильной установке.
Для корректного решения поставленной задачи математическая модель должна
включать уравнения, учитывающие взаимное влияние независимых переменных, в
качестве которых в рассматриваемом случае выбраны перепады температур в
теплообменных аппаратах, а также величина переохлаждения холодильного агента
перед ТРВ.
К различным элементам холодильной машины или
установки подводится энергия. При этом работа и теплота рассматриваются как
различные формы передачи энергии. Следует учесть, что теплота в теплообменных
аппаратах и аккумуляторе естественного холода подводится при различных
температурных потенциалах. Поэтому необходимо выбрать единую меру оценки
различных форм передачи энергии. В качестве такой величины может быть выбрана
эксергия. В связи с потерями в отдельных элементах холодильной установки, для
получения полезного эффекта может быть использована только часть подведенной
эксергии. Кроме того, отдельные элементы холодильной установки и вся система в
целом характеризуются определенной величиной капитальных затрат. Это приводит
к необходимости совместного учета влияния
экономических и энергетических показателей. Такая задача может быть решена
применением методов термоэкономического анализа [1].
Термоэкономическая схема такой установки
приведена на рис.2. Одноступенчатая холодильная установка с аккумулятором
естественного холода представлена в виде последовательно включенных зон.


Зона 1 включает в себя компрессор, конденсатор с
воздушным охлаждением, терморегулирующий вентиль и насос вентилятор для подачи охлаждающей среды в
конденсатор. Зона 2 объединяет бак аккумулятор, теплообменник для
переохлаждения хладагента насос для транспортировки охлаждающей среды из бака
аккумулятора в теплообменник. В зону 3 входят воздухоохладители и вентиляторы.
В каждой из зон учитывается стоимость входящего в ее состав оборудования; при
этом приняты следующие обозначения стоимости: 11 - компрессора; 12 – конденсатора; 21 - теплообменника; 22 - насоса (перекачивающего охлаждающую
среду из бака аккумулятора в теплообменник); 31 - воздухоохладителя.
От внешнего источника вводится эксергия
(энергия) с ценой ЦЭЛ., руб/(кВт·ч). ε11 - для привода
компрессора, ε12 - для вентилятора конденсатора, ε22 - насоса охлаждающей среды и ε31
- вентилятора воздухоохладителя.
От бака аккумулятора подводится ледяная вода,
охлаждающая жидкий фреон после дросселя в количестве υЛ.В., м3/ч,
с ценой ЦЛ.В, руб/м3 в которую входит
стоимость бака аккумулятора.
Внутри системы осуществляется передача эксергии:
к зоне 2 от зоны 1 – E2 , к зоне 3 от зоны 2 – E3 . Приращение эксергии охлаждаемой среды
равно E0. В качестве независимых переменных рассматриваются
следующие разности температур и среднелогарифмические разности температур:
θK - между рабочим телом и охлаждающей средой в конденсаторе;
∆TW - воздуха, входящего в конденсатор и выходящего из конденсатора; ∆TФ - фреона, входящего в
теплообменник и выходящего из теплообменника; θТ.О - между
рабочим телом и охлаждающей средой в теплообменнике; ∆TВ – охлаждающей среды,
входящей в теплообменник и выходящей из
теплообменника; θ0 - между рабочим телом и охлаждаемой средой в
воздухоохладителе; ∆TВ.О – охлаждаемой среды,
входящей в воздухоохладитель и выходящей из воздухоохладителя.
Критерии оптимизации (целевой функцией) выбраны
приведенные затраты П, которые для рассматриваемого случая могут быть описаны
выражением.
(1))))))
где ЦЭЛ - цена электроэнергии,
руб/(кВт·ч); τр- время работы установки с баком аккумулятором;
ε11, ε12, ε22, ε31
- количество эксергии (энергии), подводимой соответственно к электродвигателям
компрессора, вентилятора конденсатора, насоса охлаждающей среды, вентилятора
воздухоохладителя, кВт-ч; KА.М – нормативный
коэффициент амортизационных отчислений.
Приведенные затраты являются функцией разностей
температур в аппаратах. Поэтому минимум приведенных затрат будет достигаться
при соблюдении условия
(2)))))

Для
рассматриваемой термоэкономической модели удельные амортизационные отчисления и
затраты на текущий ремонт оборудования, так же как и подводимую извне эксергию
и охлаждающую среду, в каждой зоне целесообразно представить в виде функции
потока эксергии, выходящей из данной зоны, и оптимизируемых переменных. В этом
случае
![]()
(3)))))
![]()
Величина
потоков эксергии, связывающих отдельные зоны, также может быть представлена
аналогично
![]()
(4)))))
![]()
![]()
![]()
где, TО.Х –
температура охлаждаемого объекта, °С;
TО.С – температура
окружающей среды, °С.
Учитывая уравнения (2),(3) и (4) задача
определения минимума приведенных затрат сводится к нахождению экстремума
функции независимых переменных при наличии условий связи между ними. Задачи
такого типа могут быть решены с применением множителей Лагранжа. Лагранжиан
для рассматриваемой функции имеет вид
(5))
Где L - лагранжиан;
λ2, λ3, λ0, -
множители Лагранжа;
Условный
минимум будет определятся из условия что частные производные от лагранжиана по
всем переменным, как оптимизируемым, так и введенным уравнением (5), которые
рассматриваются в этом случае как независимые, равны нулю

Из
значений производных лагранжа по εj определяются множители
Лагранжа



(6)
![]()
Так
как Е11, Е12, Ż11, Ż12,
являются линейной функцией ε2; Е22, VЛ.В.,
Ż21, Ż22, Е2 — линейной функцией
ε3; Е31, Ż31, Е3 —
линейной функцией ε0, то множители Лагранжа в рассматриваемом случае определяют стоимость
единицы потока эксергии, подводимой к каждой
последующей зоне, с учетом диссипации энергии и амортизационных затрат в предыдущей зоне.
![]()
(7))
![]()
Решение
системы уравнений (7) с учетом
выражений (6) позволяет определить значения переменных θK, ∆TW, ∆TФ, θТ.О, ∆TВ,
θ0; ∆TВ.О, соответствующих оптимальному режиму работы холодильной установки с аккумулятором
естественного холода, который обеспечивает
минимум приведенных затрат.
Для
оценки использования аккумулятора естественного холода в составе
одноступенчатой холодильной установки были проведены некоторые ориентировочные
расчеты, которые позволили оценить перспективы использования естественного
холода для этих целей.
Расчеты проводились для холодильной установки с
воздушным конденсатором, работающей на R404a в климатических условиях города
Магадана, для которого температура
наружная расчетная tн.р=21°С, температура конденсации tк=34°С перепад
температур между теплообменивающимися средами в конденсаторе составлял 13°С.
Температура источника холода принималась равной +2°С. В период работы установки
с использованием аккумулированного холода были включены месяцы с температурой
окружающей среды tо.с >10°С. Для условий
Магадана такой период составляет 3 месяца [4]. При использовании
аккумулятора естественного холода переохлаждение холодильного агента ∆t составляло
24°С, а для традиционного схемного решения
- ∆t=4 °С.
Эффективность
применения аккумуляторов естественного холода была определена для
среднетемпературной холодильной установки с температурой кипения t0=-10 °C, для
которой результаты расчетов приведены в табл.1; а так же для низкотемпературной
холодильной установки с температурой кипения t0=-35 °C, для которой результаты
расчетов приведены в табл.2.
Таблица 1.
|
Показатели сравнения для t0=-10 °C |
Теплоприток |
||
|
|
90 кВт |
70 кВт |
30 кВт |
|
ПЗ при
∆t=4 ⁰С, руб. |
1583821 |
1179672 |
583642 |
|
ПЗ при
∆t=24 ⁰С, руб. |
1517948 |
1105382 |
514216 |
|
Разница в ПЗ, руб. |
65873 |
74290 |
69426 |
|
|
|
|
|
|
Энергозатраты
за год при ∆t=4 ⁰С, руб. |
1402960 |
1054234 |
507808 |
|
Энергозатраты
за год при ∆t=24 ⁰С, руб. |
1054348 |
769348 |
348275 |
|
Разница в
энергозатратах за год, руб. |
348616 |
284886 |
159533 |
|
|
|
|
|
|
Требуемая
теоретическая объемная подача
компрессора при ∆t=4
⁰С, м3/ч |
0,0406 |
0,0316 |
0,0135 |
|
Требуемая
теоретическая объемная подача
компрессора при ∆t=24
⁰С, м3/ч |
0,0328 |
0,0255 |
0,0109 |
Таблица 2.
|
Показатели
сравнения для t0=-35 °C |
Теплоприток |
||
|
78 кВт |
58 кВт |
33 кВт |
|
|
ПЗ
при ∆t=4 ⁰С, руб. |
2842320 |
2128200 |
1242720 |
|
ПЗ
при ∆t=24 ⁰С, руб. |
2745800 |
2066880 |
1036880 |
|
Разница в ПЗ, руб. |
96520 |
61320 |
205840 |
|
|
|
|
|
|
Энергозатраты
за год при ∆t=4 ⁰С, руб. |
2551560 |
2128200 |
1085627 |
|
Энергозатраты
за год при ∆t=24 ⁰С, руб. |
2147720 |
2066880 |
789360 |
|
Разница
в энергозатратах за год, руб. |
403840 |
61320 |
296267 |
|
|
|
|
|
|
Требуемая
теоретическая объемная подача
компрессора при ∆t=4
⁰С, м3/ч |
0,126 |
0,093 |
0,053 |
|
Требуемая
теоретическая объемная подача
компрессора при ∆t=24
⁰С, м3/ч |
0,099 |
0,074 |
0,042 |
Анализ результатов расчета показывает, что в
определенных условиях применение аккумуляторов естественного холода в составе
холодильной установки целесообразно как для установок, работающих на
среднетемпературный холод, так и для установок, работающих на низкотемпературный холод. При этом уменьшаются
приведенные затраты и снижаются расход электроэнергии, а также затраты,
связанные с её потреблением. Использование аккумуляторов естественного холода
позволяет, сократит требуемую теоретическую объемную подачу компрессоров, что
позволяет снизить стоимость компрессоров.(2)
СПИСОК ЛИТЕРАТУРЫ
1. Оносовский В. В., Крайнев А.
А. Выбор оптимального режима работы холодильных машин и установок с
использованием метода термоэкономического анализа // Холодильная техника. –
1978. – № 5. – С. 13–20.
2. Крайнев А.А., Сериков С.А. Эффективность использования
аккумуляторов естественного холода в составе холодильной установки. //
Электронный научный журнал холодильная техника и кондиционирование 2012. №2.
3. Техническая публикация
“Повышение эфективности холодильных установок с компрессорами Битцер”
[Электронный ресурс] // Компания Bitzer [Офиц.сайт].URL:http://bitzer.ru/povishenie_ffektivnosti_holodilnih_ustanovok_s_kompressorami_BITZER
(дата обращения: 15.08.2012).
4. Строительная Климатология СНиП 23-01-99.