Мельник В.Н., Карачун В.В.
Национальный технический университет Украины «КПИ»
ПОРИСТАЯ ПЛАСТИНА В АКУСТИЧЕСКОМ ПОЛЕ
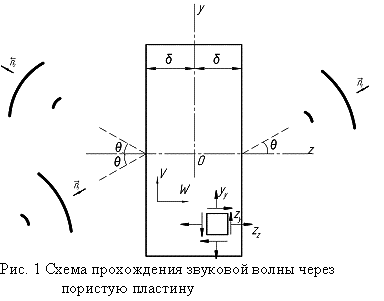
Расчетная модель
прохождения звука представлена на рис. 1. Здесь оси
параллельны плоскости падающей волны.
Математическая модель
взаимодействия системы «пластина-воздух в
порах» при падении звуковой волны со стороны открытых пор может быть
представлена в виде. Уравнение, которое описывает движение скелета пластины, и
уравнения, описывающего движение воздуха в порах жесткого скелета –

; (1)
, (2)
где индекс «ск» ставится у величин, относящихся к скелету, индекс «в» – относящихся к воздуху;
смещение скелета;
колебательная скорость скелета;
колебательная скорость воздуха в порах в
направлении оси
;
звуковое давление в воздухе, заключенном в
порах;
плотность материала скелета (масса скелета на
единицу объема пластины);
плотность воздуха в пластине (масса воздуха в
порах в единице объема пластины);
,
плотность свободного воздуха;
цилиндрическая жесткость пластины на изгиб;
коэффициент потерь скелета;
модуль упругости воздуха;
сила взаимодействия между скелетом и воздухом
в порах, отнесенная к единице объема пластины, при разности
равной единице;
давления в падающей, отраженной и прошедшей
волнах соответственно;
.
Правая часть
уравнения (1) представляет собой силовые факторы, действующие на пластину. Так,
первое слагаемое
отображает звуковое давление на лицевой
поверхности пластины, второе слагаемое
звуковое давление на теневой стороне пластины
(давление в прошедшей волне), третье слагаемое
давление воздуха в порах на закрытые части
пор, расположенные на теневой стороне пластины, четвертое слагаемое
определяет давление воздуха в порах на скелет
Рассмотрим пористую
пластину, конструктивно выполненную таким образом, что поры закрыты с обеих
сторон, и проанализируем изменение ее динамических свойств под действием
падающей звуковой волны.
В отличие от
известного, в этом случае видоизменится правая часть уравнения движения –

,
(3)
а уравнение движения воздуха в
порах и уравнение непрерывности
, (4)
останутся без изменений.
Граничные условия для скелета пластины примут вид
;
,
(5)
а для воздуха в порах –
. (6)
Решив
систему уравнений с учетом
граничных условий (5), (6), получим
закон изгибных колебаний пористой пластины при акустическом нагружении.
Анализ показывает,
что повышение звукоизоляционных свойств таких конструкций, по сравнению со
сплошными, незначительно и им можно пренебречь. Однако на резонансных частотах
возможно резкое снижение звукоизоляции, что необходимо учитывать.
Количественный анализ
генерируемой в пористой пластине вибрации удобно, как и в предыдущих случаях,
проводить по ее пространственным характеристиках, т.е. длине и амплитуде
изгибной волны. Так как при этом полагаем время
,
то выражение (3) существенно упрощается –

.
Техническая
реализация конструкции, которая может быть приведена к предлагаемой расчетной
модели, может быть не только в виде пластины, но и в виде их сочетания, в том
числе, композиционного состава.