Аспірант Таргоній М.М.
Інститут водних проблем і меліорації НААН, Україна
Аналіз процесів водоподачі на закритих зрошувальних
системах за допомогою математичного моделювання
Розробка та впровадження
енергоефективних технологій управління водоподачею на зрошувальних
технологічних комплексах (далі – ЗТК) є одним із найважливіших завдань для
сталого розвитку зрошувального землеробства в Україні. Щорічно підкачувальними
насосними станціями (далі – НС) закритих зрошувальних систем витрачається
близько 500 млн. кВт. год. електроенергії.
Для
обґрунтування енергозберігаючих заходів та
підвищення енергоефективності ЗТК пропонується враховувати лише статистичні
характеристики та закономірності процесів водоподачі та енергоспоживання.
Математичне моделювання, що здійснюється для систем водоподачі та
водовідведення, не враховує технічні характеристики та особливості режимів
роботи ЗТК.
При обґрунтуванні енергоефективних технологій управління ЗТК виникає необхідність математичного моделювання динамічних процесів
водоподачі та енергоспоживання. Насамперед, така задача виникає при
техніко-економічному обґрунтуванні системи автоматизованого керування
водоподачею із застосуванням перетворювачів частоти, що потребує значних затрат
на обладнання та реконструкцію НС.
До типових ланок
моделі об’єкта управління машинної водоподачі на ЗТК належать: асинхронний
електродвигун, відцентровий насос, засувка на напірному трубопроводі, ділянка
трубопроводу зрошувальної мережі, дощувальна машина (далі – ДМ) та ін..
Для моделювання
процесів в закритих зрошувальних мережах (далі – ЗЗМ) також враховують наявні
нетехнологічні втрати води, що змінюються в залежності від напорів.
Характеристики втрат води отримують за
результатами енергетичних обстежень ЗТК.
Математична модель ЗТК може бути представлена у вигляді структурної схеми.
Така модель враховує основні процеси, що відбуваються в гідравлічній і
електричній мережі при вмиканні або вимиканні НА, відкриванні чи закриванні
напірної засувки, зміні напору води в напірній мережі при вмиканні чи зупинці
ДМ. Математична модель дозволяє відтворювати перехідні процеси за зміни
основних технологічних параметрів об’єкту управління, а саме: напорів води,
витрат води, струму навантаження приводного електродвигуна насоса, споживаної
потужності НА тощо.
Параметри передавальних
функцій і математичних залежностей визначено за результатами аналізу
гідравлічних та енергетичних характеристик при проведенні експериментальних
досліджень та енергетичних обстежень на ЗТК. Математична модель НА, що
побудована на основі структурної схеми за допомогою стандартних блоків пакету Simulink, наведена на рис.1.

Рис.1 Структурна
схема математичної моделі насосного
агрегату
1, 17, 22, 26 – вхідні одноразеві збудження; 2, 8, 15, 20 –динамічні ланки;
4, 6, 13, 16, 23, 27 –ланки суматори; 3, 7, 12, 14, 21 –коефіцієнти;
11, 18 –ланки – інтегратори; 10 – алгебраїчна функція у вигляді дробу;
5, 9, – блокі котрі описують, напітні та потужностні характеристики НА;
19 – витратні характеристики
Математична
модель ЗЗМ та ДМ розробляється за структурною схемою для
реальної закритої зрошувальної системи, що обслуговується, як правило, багатоагрегатною
НС. Фрагмент структурної схеми моделі ЗЗМ та ДМ «Фрегат» від НС-7Р1 Каховського
МУВГ, розробленої із застосуванням програми MATLAB/Simulink, наведено на рис.2.

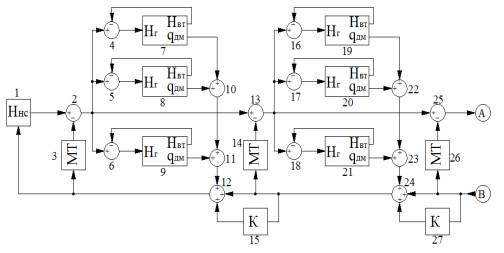
Рис. 2 Фрагмент
структурної схеми моделі ЗЗМ
1 – напір на виході НС; 2, 4-6, 10-13, 16-18, 22-25
– суматори;
7-9, 19-20– моделі трубопроводів з ДМ; 3,14,26 – втрати напору в
магістральному трубопроводі; 15,27– коефіцієнт, який враховує нетехнічні втрати
води на мережі; А, В – точки під’єднання до другої частини моделі ЗЗМ
Створена
математична модель ЗЗМ відтворює динаміку напорів на гідрантах ДМ в залежності
від витрат води і враховує особливості гідравлічних процесів, що виникають у
вузлах розгалуженої трубопровідної мережі при зміні місцезнаходження працюючої
ДМ.
При дослідженні
моделі ЗТК можуть бути отримані графіки перехідних процесів зміни напорів
насосів, витрат води, струмів навантаження приводних електродвигунів,
споживаних ними потужностей, питомих витрат електроенергії на перекачування
води НА, залежності напорів на гідрантах ДМ від витрати води та ін..
Процеси
існуючого ступінчатого управління машинною водоподачею при послідовному
включанні п’яти ДМ «Фрегат» на досліджуваному ЗТК представлено на рис. 3.
Наведені дані
свідчать, що напори на гідрантах ДМ змінюються залежно від загальних витрат
води і значно перевищують мінімально можливі робочі значення. Питомі витрати
електроенергії на перекачування води НА змінюються в широкому діапазоні в
залежності від коефіцієнтів завантаження насосів.

Рис. 3 Напори води на гідрантах ДМ та питомі витрати електроенергії на
перекачування води НС в залежності від витрат води
1, 2, 3, 4, 5, – напори на гідрантах при послідовному вмиканні п’яти ДМ;
6,7 – напірні характеристики при роботі одного та двох насосів;
8 – питомі витрати електроенергії на перекачування води НА
Описана
математична модель ЗТК, що складається з типових структурних ланок, параметри
яких отримано за аналізом динамічних і статичних експериментальних
характеристик, дозволяє проводити якісне комп’ютерне моделювання гідравлічних
та електричних динамічних процесів, а також здійснювати обґрунтування
енергоефективних технологій управління машинною водоподачею.
Література:
1.
Попов В.М. Метод моделювання
процесів водоподачі та електроспоживання на зрошувальних системах / В.М.
Попов // Меліорація і водне господарство. – 2001. – Вип.
87. – С. 22–29.
2.
Фесенко А.В.
Моделирование динамических процессов в многоступенчатых системах водоотведения / А.В. Фесенко, Р.В. Федюн // Донецкий
НТУ, 4с.
3.
MATLAB: анализ,
идентификация и моделирование систем. Специальный справочник. СП6: Питер. –
2001. – 438с.