Исследование процесса подготовки водоорганических
веществ методом кавитации в ротационном
реакторе для анаэробного брожения в метатенке
Д.т.н.
профессор Тлебаев М.Б., преподаватель, магистр
Айтбаева З К.
Таразский
государственный университет имени М.Х.Дулати, Тараз.
Для развития современного
общества необходимо все большее количество энергии. В этом направлении ученые
всего мира ведут исследование в создании альтернативных источников энергии.
Таким источником успешно становится биогаз. Биогаз является высококачественным
и полноценным носителем энергии и может многосторонне использоваться как
голубое топливо в домашнем хозяйстве, как сырье для производства электроэнергии
и теплоэнергии, как моторное топливо для автомобилей.
В этой связи значительное
место в производстве энергии занимают технологические процессы, основанные на
анаэробном брожении, которые
представляют собой микробиологический процесс, в ходе которого осуществляется преобразование различных органических
веществ в энергоноситель, которым
является биогаз, в первую очередь метан. Особенностью
данного процесса является использование продукта анаэробного метаногенного сбраживания в качестве органического удобрения.
Анализ
современного состояния процесса получения биогаза из сельскохозяйственных и
промышленных отходов и возникающих при этом проблем показывает следующие
актуальные направления исследований: поиск путей интенсификации
газообразования, анаэробная биодеградация ксенобиотиков, поиск эффективных
стимуляторов и ингибиторов процесса газообразования, наиболее эффективное
использование сброженных субстратов
Для обеспечения
крупномасштабного развития предприятий по производству биогаза в Казахстане
необходимо решить целый ряд биохимических, микробиологических и технологических
проблем. Важная задача биотехнологии - интенсификация процессов как за счет
повышения потенциала биологических агентов и их систем, так и за счет
усовершенствования технологии подготовки водоорганического вещества методом кавитации в
ротационном реакторе/1,2/.
Решение вышеперечисленных задач является
необходимым и актуальным на сегодняшний день, и мотивирует проведение
исследований в данной области.
Анаэробное
брожениея в метатенке протекают
без доступа кислорода и проходит по следующей схеме/3/:
![]()
Основная реакция метанообразования
![]()
где Н2A - органическое вещество,
содержащее Н2.
Метан может образовываться в результате распада
уксусной кислоты

При денитрификации в анаэробных условиях
![]()
Анаэробный процесс денитрификации происходит в
две стадии:

Для анаэробного
сбраживания органических веществ
используют два температурных режима: мезофильный при температуре 30...35
°С и термофильный при температуре 52...55 °С. Полного сбраживания органических
веществ при анаэробном сбраживании достичь нельзя. В среднем степень распада
органических веществ составляет около 40%.
Основой интенсификации данного
процесса является использования эффекта кавитации в ротационном реакторе.
Благодаря управляемому процессу кавитации в деструкторах биомассы, они нашли
широкое применение в производстве биогаза. Специально спроектированная
конструкция деструктора позволяет использовать разрушительный эффект кавитации
для придания исходному сырью однородной и гомогенной массы.
Под воздействием направленной
и управляемой кавитации, в биологическом сырье рвутся сложные связи волокон
органических веществ на молекулярном уровне (лигнин, целлюлоза). Как следствие
этого процесса дисперсность биологического сырья значительно увеличивается, и
его частицы уменьшаются в размерах до 0,1-8 мкм. Таким образом, всем штаммам
бактерий участвующих в процессе образования биогаза, на всех его этапах,
становится легче разлагать биогенные материалы, т.к. их однородная структура
разрушена и соответственно увеличивается площадь покрытия бактериями
биологического сырья.
К важнейшим
положительным результатам предварительной обработки водоорганического вещества,
перед его направлением в метатенк, можно отнести следующие показатели:
1. Высокая степень измельчения и гомогенизации
сырья, как следствие увеличение количества частиц на поверхности позволяет
увеличить и интенсифицировать производство биогаза на 30-50%.
2. Благодаря высокой дисперсности и
интенсификации процессов анаэробного брожения, значительно уменьшается период сбраживания
биомассы. Результатом уменьшения периода сбраживания, является возможность
строительства биореакторов меньших объёмов и размеров, что приводит к
значительной экономии затрат на капитальные строения.
3. При деструкции биомассы из клеточных и субклеточных
материалов интенсивнее высвобождаются природные энзимы, которые являются
биологическими катализаторами процесса сбраживания биомассы. Этот эффект также
увеличивает объём производимого биогаза.
4. Существенно стабилизируются биологические
процессы, что приводит к отсутствию пенообразования и плавающей корки в верхней
части биореактора. Таким образом, весь полезный объём реактора используется
эффективно.
5. Процентное содержание метана в биогазе
увеличивается до 70-75%. Этот показатель содержания метана свойственен обычному
природному газу в зависимости от его географического происхождения.
Эффективность этих
процессов в значительной степени определяется также поддержанием оптимальной
температуры и количеством бактерий на
каждом уровне брожения субстрата в метатенке
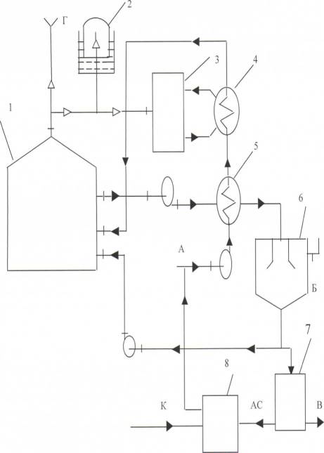
биогазовой установки представленной на рисунке 1/4/.
|
|
Рисунок 1 - Технологическая схема способа получение
биогаза и биошлама в биогазовой
установки: 1-метантенк, 2-газгольдер, 3-газовый водонагреватель, 4-тепло
обмен повторного нагрева субстрата, 5 рекуператор - теплообмен, 6- отстойник,
7- блок сушки, 8- регенерирующий и
восстанавливающий блок, А
субстрат, Б переброженная жидкость, В биошлам, Г биогаз, АС – оборотная вода, К
– восстановление и добавленние
термофильными, мезофильными бактериями.
Эффективность этих
процессов в значительной степени определяется уровнем автоматизации и
управления технологическим процессом
предподготовки водоорганических веществ
в ротационном реакторе и восстановлением субстрата мезофильными и термофильными
бактериями, которые позволяют
интенсифицировать и оптимизировать процесс анаэробного брожения в
метатенке, повысить его эффективность
и возможность адаптации к реальным производственным
условиям.
Автоматический режим переключения подачи,
прошедшей предподготовку в ротационном реакторе водоорганических веществ при
поддержании определенной температуры, в метатенке для анаэробного сбраживания с
помощью стандартных управляющих вентилей и газоанализаторов в качестве датчика
состава биогаза делает возможным осуществлять процесс легко управляемым и
надежным.
Таким образом, первичная
обработка водоорганических веществ сельскохозяйственных отходов с ротационного
реактора обеспечивает ей высокую
степень измельчения и гомогенизации и уменьшает период сбраживания, что
повышает общую эффективность данного процесса.
Литература:
1. Пат. МД № 3062. Анаэробный метантенк для
обезвреживания труднодеградируемых органических соединений. Ковалев В.В.,
Ковалева О.В., Унгуряну Д.В., Суман И., Оника В., Опубл. BOPI, №5, 2006.
2. Пат. МД № 3272. Анаэробный биореакор. Ковалев
В.В., Унгуряну Д.В., Ковалева О.В., Суман И., Мереуца Г.К., Плугару И.Ф., Дука
Г.Т. Опубл. BOPI, № 3, 2007.
3. Наумова Ольга Валерьевна. Совершенствование
электроимпульсной технологии при получении биогаза из органических отходов :
Дис. ... канд. техн. наук : 05.20.02 : Саратов, 2005 126 c. РГБ ОД,
61:05-5/3757
4.Абдувалова Айнур Джумабаевна Биоыдраушы
түрмыстык қалдықтарды кавитациялык үсақтау аркылы
метатенкте анаэробты үрдісін жеделдету: Дис. ... канд. техн. наук :
25.00.36 : Тараз,2010