Физика /3
студ. Фомина М.А., к.т.н., доц.
Фомин А.А., к.т.н., доц. Пошивалова Е.Ю., д.т.н., проф. Родионов И.В.
Саратовский государственный технический университет
имени Гагарина Ю.А., Россия
Исследования проведены при поддержке гранта РФФИ № 13-03-00898 «а» и проекта
№ 1189 в рамках базовой части государственного задания образовательным
организациям высшего образования, подведомственным Минобрнауки РФ, в сфере
научной деятельности
Активация титановой
основы внутрикостных имплантатов токами высокой частоты и ее влияние на
структуру плазменно-напыленных покрытий гидроксиапатита
Введение
Конструкции внутрикостных имплантатов отличаются между собой по характеру обработки поверхности и могут быть разделены на два типа:
- с микротекстурированной механически или химически обработанной поверхностью без функционального покрытия;
- с биокерамическим покрытием биоинертного или биоактивного состава и необходимой микро- и нанокристаллической морфологией поверхности, пористостью и шероховатостью.
Фазово-структурное состояние биокерамических покрытий определяет характер и качество остеоинтеграции (т.е. приживления) имплантата с костью. Улучшить биосовместимость можно за счет нанесения функционального слоя (пленки или покрытия) с необходимыми параметрами морфологии. Газотермические методы получения покрытий, в том числе плазменное напыление, нашли широкое применение, в связи с их высокой производительностью и возможностью получения необходимой пористой и шероховатой микроструктуры поверхности. Ограничения в использовании плазменно-напыленных покрытий связаны с высокой скоростью охлаждения сплэтов (напыленных частиц), приводящей к появлению трещин покрытия, дестабилизации фазового состава биоактивного материала, а также снижению адгезионной прочности – одной из главных характеристик покрытий всех типов. Следствием этого является непредсказуемая скорость резорбции остеокондуктивных гидроксиапатитовых (ГА) покрытий имплантатов [1]. Влияние этих нежелательных процессов может быть сведено к минимуму за счет создания условий облегченного растекания сплэтов по поверхности изделия и сниженного значения скорости охлаждения [2]. Цель работы заключается в выявлении закономерностей изменения фазово-структурного состояния покрытий ГА и химического состава, образующих его сплэтов, за счет использования предварительной активации титановой основы образцов внутрикостных имплантатов токами высокой частоты [3-6].
Методика эксперимента
Экспериментальные образцы представляют собой титановые пластины из технического титана марки ВТ1-00. Плазменное напыление порошковых ГА покрытий с предварительной активацией токами высокой частоты (ТВЧ) титановой основы осуществлено на установке ВРЕС 744.3227.001. Технологические параметры получения покрытия представлены в табличной форме (табл.).
Экспериментальные исследования морфологии и фазового состояния покрытий ГА проводились с использованием методов растровой электронной микроскопии (РЭМ) (электронный микроскоп MIRA II LMU, Tescan) и рентгенофазового анализа (РФА) (рентгеновский дифрактометр «Gemini/Xcalibur», Oxford diffraction, при использовании рентгеновской трубки с медным анодом Cu-Kα излучением). Определение кристаллических фаз на поверхности изделий осуществлено с применением открытой базы данных «COD» (Crystallography Open Database). Полученные образцы покрытий ГА пронумерованы в соответствии с величиной температуры предварительного нагрева ТВЧ: 0 – без термической активации; 2 – 200 °C … 10 – 1000 °C.
Таблица
Режимы
плазменного напыления с активирующим действием ТВЧ
|
Параметры нанесения покрытий |
Значение параметра |
|
Потребляемая мощность
устройства нагрева ТВЧ, кВт |
≤ 0,3 |
|
Частота тока индуктора, кГц |
90 ± 10 |
|
Температура нагрева основы, °C |
20…1000 |
|
Дистанция напыления, мм |
90 |
|
Ток дуги плазмотрона, А |
540 |
|
Напряжение на дуге плазмотрона,
В |
30 |
|
Дисперсность порошка, мкм |
< 90 |
|
Расход плазмообразующего газа,
л/мин |
40…50 |
|
Расход транспортирующего газа,
л/мин |
5…7 |
Результаты исследования и их анализ
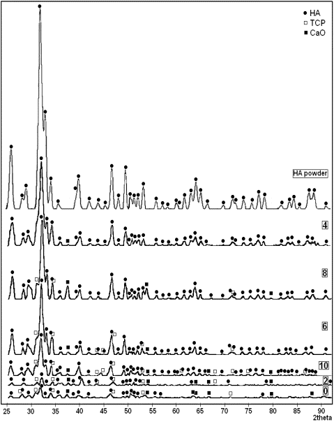
Фазовый состав покрытий в значительной степени зависит от температуры предварительной активации ТВЧ (рис. 1). Исходный состав напыляемого порошка соответствует ГА, при этом все пики соответствуют справочным данным базы данных «COD».
Определено влияние активации ТВЧ на структуру ГА покрытий в нанометровом масштабе исследований, которое связано с рассмотренными процессами растекания, охлаждения и кристаллизации сплэтов (рис. 2).
Образцы покрытий ГА, полученные без активации титановой основы (режим 0), характеризуются средней величиной зерен около 11 нм (рис. 2 в). На поверхности фиксируется множество агломератов величиной от 150 до 300 нм, представляющих собой скопление наночастиц. Таким образом, поверхность покрытий имеет существенную неравномерность наноструктуры. С предварительным нагревом основы до 200 °C (режим 2) структура ГА покрытий изменяется незначительно.

Рис. 1. Рентгенограммы
исходного порошка ГА и образцов покрытий:
● – ГА; □ – ТКФ; ■ – CaO
При дальнейшем увеличении температуры предварительной активации до 400 °C (режим 4) покрытия приобретают практически однородную наноструктуру (рис. 2 г). Агломераты носят единичный характер и состоят из меньшего количества наночастиц.


Рис. 2. Морфология
покрытий ГА, полученных при температуре ИТО:
а – 800 ºC; б – 1000 ºC; в – 20 ºC, т.е. без активации; г
– 400 ºC
На участке нагрева от 20 до 400 °C наблюдается линейный (прямая D1) рост нанозерен (рис. 3). Снижение вязкости, вызванное нагревом до 600 °C, способствует лучшему растеканию сплэтов, поэтому уменьшение среднего размера зерна DG представляется закономерным и носит параболический характер (кривая D2). Структура характеризуется высокой степенью однородности, агломераты не превышают величины 70…90 нм и носят единичный характер.

Рис. 3.
Влияние температуры предварительной активации ТВЧ на величину нанозерен
покрытий ГА
Заметные изменения происходят при температуре предварительного нагрева около 800 ºC, когда фиксируется возрастание доли CaO. По данным РЭМ при этом режиме в покрытии практически полностью исчезают отдельные мелкие сплэты (менее 10 мкм), происходит их вплавление в поверхностный слой (рис. 2 a).
При активации ТВЧ титановых образцов по режиму 10 образуются достаточно толстые шероховатые и пористые покрытия диоксида титана, находящегося в фазе рутила TiO2 [3]. При этом взаимодействие сплэтов с субстратом характеризуется меньшей скоростью охлаждения и затрудненным растеканием из-за наличия морфологически гетерогенной нанокристаллической структуры подслоя (рис. 2 б). На режиме 10 фиксируется наибольшее количество стехиометрического ГА.
Выводы
Анализ закономерностей влияния активации ТВЧ при плазменном напылении
покрытий ГА на их фазово-структурный состав позволяет определить режимы
предварительной термообработки поверхности внутрикостных титановых имплантатов.
Сопоставление данных РЭМ и РФА позволило
установить следующее:
1. Значительная часть кристаллического ГА аморфизируется на режимах 0, 2 и в меньшей степени на режиме 8. Снижению аморфизации и сохранению достаточного количества фазы ГА способствует активации титановой основы ТВЧ с температурой нагрева от 400 до 600 °C, а также при 1000 °C (режимы 4, 6 и 10).
2. При температуре нагрева титановой основы 400…600 °C практически полностью исчезают пылевидные фрагменты частиц и формируется однородная наноструктура сплэтов покрытий (режимы 4 и 6).
Полученные структурные параметры плазменно-напыленных покрытий способствуют повышению биосовместимых качеств имплантатов, а также ускорению процессов остеоинтеграции за счет формирования однородной наноструктуры всего биоактивного покрытия ГА.
Литература
1.
Gross K.A., Walsh W., Swarts E. Analysis of retrieved hydroxyapatite-coated hip
properties // J. of thermal spray technology, 2004. – Vol. 13(2). – pp.
190-199.
2.
Fomin A.A., et al. Nanocrystalline
Structure of the Surface Layer of Plasma-Sprayed Hydroxyapatite Coatings
Obtained upon Preliminary Induction Heat Treatment of Metal Base // Technical Physics Letters, 2012. – Vol. 38.
– №. 5. – pp. 481-483.
3. Фомин
А.А., Штейнгауэр А.Б., Родионов И.В. и др. Наноструктура покрытий из диоксида
титана, модифицированного гидроксиапатитом, на медицинских титановых имплантатах
// Медицинская техника, 2013. – № 3. – С.
24-27.
4. Фомин А.А. Плазменно-индукционное получение титан-гидроксиапатитовых покрытий на дентальных имплантатах // Вестник Саратовского государственного технического университета, 2008. – № 2 (32). – С. 49-58.
5. Фомин А.А., Лясников В.Н. Плазменное напыление гидроксиапатитовых покрытий титановых имплантатов с нагревом основы // Технология металлов, 2008. – № 9. – С. 26-29.
6. Фомин А.А., Штейнгауэр А.Б., Лясников В.Н. Биосовместимые наноструктурированные гидроксиапатитовые покрытия и технология их получения плазменно-индукционным напылением // Упрочняющие технологии и покрытия, 2011. – № 6. – С. 35-42.