Рахатов С.З, Култасов Б.Ш, Сактаганов Б.Ж, Рахатов А.С.
Кызылординский государственный университет
имени Коркыт Ата
Основные принципы обоснования оптимальных параметров и
режимов работы агрегатов для уборки хлопка
Технологический процесс уборки хлопка осуществляется
агрегатами для дефолиации, сбора хлопка и транспортиовки. Поэтому важное
значение имеет установление оптимальных
параметров и режимов работы дефолиационных, хлопкоуборочных и
транспортных агрегатов.
В качестве критериев оптимальности следует выбрать максимум производительности W, минимальные энергетические затраты Е и единичную производительность Nи и агрегатов для дефолиации уборки и транспортировки хлопка. При этом определяются оптимальные скорости движения, пропускные способности , вместимости бункеров комбайна, грузоподьемность и количественный состав транспортных агрегатов, а также значение непроизводительных затрат времени смены. Далее с учетом всего разнообразия существований фермерских, крестьянских хозяйств и ТОО определяются оптимальные потребные количества агрегатов для дефолиации. При этом остро стоит вопрос о применении однотипных дефолиантов и сроков его применения согласно технологичеким схемам рисунок-1.
Хлопквые поля
подвергаются к дефолиации при 25-30% раскрытии коробочек
хлопка-сырца. Операция дефолиации осуществляется агрегатами МТЗ-80/82+ОВХ-28. Ширина захвата агрегата составляет
6-8 м.[1]
Как
видно из рисунка- 1, первым шагом
оптимизации является с учетом природно-производственных и конструктивных
особенностей и обоснование параметров агрегатов для дефолиационных
агрегатов. После дефолиации хлопковые
поля с раскрытыми коробочками до 80-85%
и опавшими листьями хлопка поступают к уборке. Они
убираются агрегатами ХНП-1,8, JOHN-DEREE - 9935, 9930 и УзКЕЙС-2020 и др. Транспортируется убранный хлопок агрегатами
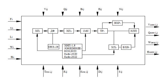
МТЗ-80/82+3-2ПТС-6-884. На рисунке-2 представлены прогрессивная технология
уборки хлопка-сырца в условиях РК.

Рисунок-1.
Существующая технологическая схема
уборки хлопка в условиях южно-Казахстанской области РК.

Рисунок-2. Прогрессивная
технология уборки хлопка.
где: ХП1- хлопковые
поля поступаемые на уборку при раскрытий коробек 25..30%.
ДФ-операция дефолиации;
ХП2-хлопковые поля ,
готовые к машинному сбору;
МС-машинный сбор комбайнами ХНП-1,8,
УЗкейс, Джон-дир.
ТР-транспортировка хлопка;
ХПП-хлопко-приемный пункт.
Ккак следует из технологической схемы, при прогрессивной технологии отсутствуют
такие операции, как второй машинный сбор и последующие транспортировки хлопка,
что приводит к снижению себестоимости
хлопка.
На втором этапе с учетом готовых, после дефолиации, к уборке
полей определяются оптимальные параметры и режимы работы хлопкоуборочных
комбайнов, их потребное количество и необходимый состав для конкретных
хозяйств.

Рисунок-3. Рассмотрение
технологического процесса уборки хлопка как многофазной системы массового
обслуживания.
Далее с учетом площадей посевов хлопка с учетом числа комбайнов
обосновываются необходимые потребные числа транспортных агрегатов, их оптимальные
вместимости и состав. На четвертом этапе, как видно из рисунка 3. определяются
количество потребных рабочих и оптимальный режим ХПП.
В качестве основного
критерия принимается минимальная сумма всех затрат от дефолиации, уборки, транспортировки
и очистки хлопка-сырца:
(1)
где
Сдф - затраты по дефолиацию хлопка, тг/га;
Суб - затраты по уборку хлопка, тг/га;
Стр – затраты по транспортировку хлопка, тг/га;
Схпп – затраты на
очистку хлопка, тг/га.
Рассмотривая
технологический процесс уборки хлопка
сложной системы можно принимать как многофазную систему массового
обслуживания (СМО).
Такая
система в общем виде состоит в соответствии с рисунком- 3 из четырех фаз.
В
первой фазе поток требований поступает от хлопковых полей, готовых к дефолиации.
К этой операции приступают, когда на 80 -85% растениях раскрываются хлопковые
коробочки.
Критерий
оптимальности имеет следующий вид:
(2)
где
- число
ожидающих начала дефоляции полей и дефолиационных агрегатов;
- стоимость 1
дня или часа ожидания хлопковых полей и простаиваемых дефолиационных агрегатов,
тг/час.
Первая фаза
является разомкнутой СМО с ожиданием.
Число
ожидающих хлопковых полей и простаивающих дефоляционных агрегатов определяются
по формулам /2,3,4/.
, (3)
(4)
где
- параметр
потока;
n - число
дефолиационных агрегатов;
R - число поступаемых на дефолиацию хлопковых полей, шт.
Вторая
фаза исследуемой системы включает в себя сбор хлопка. Критерием является
минимум потерь от уборки хлопка, связанной с ранним началом сбора и запоздалой
уборкой:
,
(5)
где
- число полей,
ожидающих начала уборки и число простаивающих из-за неготовности полей
хлопкоуборочных комбайнов;
- средняя площадь, соответствующая одному требованию, 1/га.
На основе
данного критерия можно определить для всего диапазона изменения посевных полей
хлопководческих хозяйств необходимые потребные количества хлопкоуборочных
комбайнов.
В
третьей фазе сложной системы определяются на основе замкнутой СМО с ожиданием
оптимальные количественные соотношения между уборочными и транспортными
средствами на основе критерия оптимальности:
, (6)
где
- число уборочных и транспортных агрегатов;
- коэффициенты
простоя уборочных и транспортных
агрегатов во взаимном ожидании;
- стоимости
простоя вышеуказанных агрегатов,
тг/час.
Коэффициент простоя хлопкоуборочных комбайнов [2].
; (8)
где МОКС - число комбайнов, ожидающих транспортных
средств.
Коэффициент
простоя транспортных средств определяется:
; (9)
В
заключительной фазе устанавливаются оптимальные
параметры пункта обработки хлопка:
, (7)
В
этой подсистеме функционировать должна двухфазная разомкнутая СМО с ожиданием.
Выходными
оптимальными параметрами являются число агрегатов для очистки хлопка, число
рабочих, площадь хлопкоочистительного пункта, количества буртов в зависимости
от площадей посевов и урожайности.
Такое многоуровневое
исследование сложной системы хлопкоуборочного процесса на иерархической основе
обеспечивает снижение трудовых, энергетических и прямых затрат и повышение
производительности труда на 20-25%.
Резюме
В
стаьте рассмотрены технологически процесс уборки хлопка как многофазной системы
массового ослуживания и основные параметры хлопкоуборочного комбайна а также
технологические показатели работ с дефолиационным и
транспортным средствам применительно к природно-производственным
условиям РК.
Литература
1. Спеваков
Р.И., Усаров С. Повышение эффективности подготовки растений к механизированному сбору хлопка. //Проблемы развития
агроинженерной службы в фермерских хозяйствах// Гулбахор- 2008
2. Новиков О.А.,Петухов С.И. Прикладные вопросы теорий массового
обслуживания. М.: Изд-во «Советское радио», 1969г., 400 стр.
3. Вентцель Е.С.Теория
вероятностей. М., Изд-во «Наука», 1964г.576 стр.
4. Червоный
А.А.,Лукьященко В.И.,Котин Л.В.
Надежность сложных систем. М., «Машиностроение», 1976г, 288 стр.