Современные информационные технологии/3. Программное обеспечение
аспирант
Мурашкина Е.Н., д.т.н, профессор Михеев М.Ю.
Пензенский
государственный технологический университет, Россия
Разработка имитационных
моделей нейросетевой идентификации отклонения амплитуды сигнала сложной формы от
эталонного
В настоящее время сигналы сложной формы используются для передачи
дискретной информации, для описания состояния сложных территориально
распределенных объектов, следовательно, идентификация сигналов сложной формы является
актуальной и сложной задачей. Целью
данного исследования является разработка имитационных моделей источника
сигналов сложной формы и имитационных моделей идентификации отклонения
амплитуды сигнала от эталонного.
Сигнал сложной формы характеризуется добротностью, величина
которой обратно пропорциональна затуханию. Если затухания нет, то тогда
добротность равна бесконечности, например, в синусоидальном незатухающем
сигнале. Другая крайность, это когда сигнал апериодический. Меньше единицы
добротность быть не может.

Рисунок 1 – пример сигнала сложной формы
Сигнал сложно формы можно получить и при помощи модели
представленной на рисунке 2.

Рисунок 2 – имитационная модель источника сигналов сложной
формы
Описание блоков, необходимых для построения имитационной модели,
приведено в таблице 1.
Таблица 1 –
Описание блоков имитационной модели
|
№ |
Наименование блока |
Тип блока |
Назначение |
|
1. |
Ramp |
Генератор линейного тренда |
Генерация аргумента функции |
|
2. |
Frequency Hz |
Математическая функция |
В данном блоке задается частота сигнала |
|
3. |
Phase |
Математическая функция |
В данном блоке задается фаза сигнала |
|
4. |
Product |
Математическая функция |
Выполняет умножение входных переменных |
|
5. |
MATLAB Fcn |
Математическая функция |
В данном блоке задается необходимая математическая
функция. Входное значение является одновременно и значением переменной данной
функции |
|
6. |
Function |
Математическая функция |
В данном блоке задается функция Sin |
|
7. |
Scope1 |
S-функция |
Отображает график сигнала |
По полученным данным с имитационной модели можно определить
параметры сигнала сложной формы.
Так как задачей выбираемой нейронной сети является сравнение
сигнала с образцами и вывод наиболее близкого результата по отношению к
образцам, для данной подсистемы идентификации была выбрана обобщенная регрессионная
сеть GRNN.
Для реализации подсистемы идентификации было решено использовать
среду Matlab Simulink. В ней была создана модель идентификации сигналов,
показанная на рисунке 3.

Рисунок 3 – модель подсистемы идентификации сигналов
С помощью m-файла, сгенерирована нейронная сеть типа GRNN,
код m-файла приведен ниже.
clear;clc;
hhandle = open('ident.mdl');
set_param('ident/SELECTOR','Value','1');
set_param('ident/SIGNAL_OUT','VariableName','P1');
sim('ident.mdl');
set_param('ident/SELECTOR','Value','2');
set_param('ident/SIGNAL_OUT','VariableName','P2');
sim('ident.mdl');
set_param('ident/SELECTOR','Value','3');
set_param('ident/SIGNAL_OUT','VariableName','P3');
sim('ident.mdl');
set_param('ident/SELECTOR','Value','4');
set_param('ident/SIGNAL_OUT','VariableName','P4');
sim('ident.mdl');
set_param('ident/SELECTOR','Value','5');
set_param('ident/SIGNAL_OUT','VariableName','P5');
sim('ident.mdl');
set_param('ident/SELECTOR','Value','6');
set_param('ident/SIGNAL_OUT','VariableName','P6');
sim('ident.mdl');
set_param('ident/SELECTOR','Value','7');
set_param('ident/SIGNAL_OUT','VariableName','P7');
sim('ident.mdl');
set_param('ident/SELECTOR','Value','8');
set_param('ident/SIGNAL_OUT','VariableName','P8');
sim('ident.mdl');
set_param('ident/SELECTOR','Value','9');
set_param('ident/SIGNAL_OUT','VariableName','P9');
sim('ident.mdl');
set_param('ident/SELECTOR','Value','10');
set_param('ident/SIGNAL_OUT','VariableName','P10');
sim('ident.mdl');
set_param('ident/SELECTOR','Value','11');
set_param('ident/SIGNAL_OUT','VariableName','P11');
sim('ident.mdl');
P = [P1 P2 P3 P4 P5 P6 P7 P8 P9 P10 P11];
T = [0.01 0.1 0.2 0.3 0.4 0.5 0.6 0.7 0.8 0.9 1];
net=newgrnn(P,T);
gensim(net)
Описание блоков, используемых на рисунке 6, представлены в
таблице 2.
Таблица 2 – Назначение блоков модели идентификации
|
Название блока |
Назначение блока |
|
Constant |
в этом блоке задается номер сигнала |
|
Source |
подсистема источников сигнала |
|
Scope |
блок графического отображения сигнала |
|
Transform |
блок преобразования сигналов |
|
Neural Network |
нейронная сеть |
|
Display |
числовое отображение информации |
В данной модели (Рисунок 3) сначала задается номер сигнала в блоке
Constant. После запуска модели в блоке Source выбирается сигнал,
заданный в блоке Constant. Сигнал преобразуется в блоке Transform
для нормального восприятия его нейронной сетью. Затем сигнал сравнивается с
образцами, записанными в предварительно обученной нейронной сети Neural
Network. Блок Display показывает результат идентификации – степень
отклонения сигнала сложной формы от допустимого значения.
Для модели подсистемы идентификации была сгенерирована и обучена
нейронная сеть. Сеть обучалась на основе сигналов, генерируемых моделью,
представленной ниже (Рисунок 4).

Рисунок 4 – модель генерации сигналов
Модель состоит
из блоков:
– Constant
– блок подачи единичного постоянного сигнала;
– Source
– подсистема источников сигнала;
– Transform
– блок преобразования сигналов;
– To
Workspace – блок, сохраняющий результаты моделирования.
На основе собранных данных создается обобщенная регрессионная сеть
GRNN. Сеть была обучена с помощью сигналов блока Source (Рисунок 5).
В нем задано 11 сигналов с разной вероятностью отклонения сигнала сложной формы
от допустимого значения. Данные сигналы являлись обучающей выборкой для
вероятностной нейронной сети.
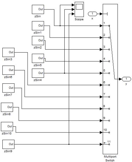
Данная
подсистема состоит из блоков:
– Signal
– блок источника сигнала сложной формы (Рисунок 2).
– Multiport
Switch – многовходовый переключатель.
– Scope
– блок графического отображения сигналов.

Рисунок 5 – подсистема источников сигнала Source
Сигналы из блока Source соответствуют степени отклонения
сигнала сложной формы от допустимого значения. Ниже приведена таблица
соответствия показаний дисплея и величин отклонения (Таблица 3).
Таблица 3 –
Таблица соответствия показаний дисплея и отклонения
|
№ сигнала |
Показание дисплея |
Величина отклонения |
|
1 |
0 |
критическая ситуация |
|
2 |
0,1 |
9 % |
|
3 |
0,2 |
8 % |
|
4 |
0,3 |
7 % |
|
5 |
0,4 |
6 % |
|
6 |
0,5 |
5 % |
|
7 |
0,6 |
4 % |
|
8 |
0,7 |
3 % |
|
9 |
0,8 |
2 % |
|
10 |
0,9 |
1 % |
|
11 |
1 |
колебания в пределах нормы |
Показания дисплея находятся в промежутке от нуля до единицы и
соответствуют вероятности отклонения сигнала сложной формы от допустимого
значения. Данные из таблицы являются эталонными значениями. При значении
реального сигнала, находящимся между указанными значениями, будет показан
результат наиболее близкого к реальному сигналу эталонного значения, выбранного
из библиотеки сигналов. При задании значения, выходящего за пределы эталонных
значений сигналов, будет показан результат, равный нулю.
В результате данного исследования была разработана имитационная
модель источника сигналов сложной формы, позволяющая обучать нейронную сеть под
необходимые пользователю параметры. Так как задачей выбираемой нейронной сети
является сравнение сигнала с образцами и вывод наиболее близкого результата по
отношению к образцам, для данной подсистемы идентификации была выбрана
обобщенная регрессионная сеть GRNN.
Литература:
1. Галушкин А.И. Нейронные сети – М: Горячая Линия – Телеком,
2012г. – 496 с.
2. MathWorks – MATLAB and
Simulink for Technical Computing. Режим доступа:
http://www.mathworks.com/, свободный.
3. Seismometers // IMV CORPORATION. Режим доступа:
http://www.imv.co.jp/e/products/seismometer/watch/index.php, свободный.
4. Simulink – Videos and Examples Режим доступа: http://www.mathworks.com/products/simulink/examples.html?s_cid=BB, свободный.
5. Simulink Documention Режим доступа:
http://www.mathworks.com/help/simulink/index.html?s_cid=BB, свободный.
6. Гради Буч, Джеймс Рамбо, Ивар Якобсон Введение в UML от
создателей языка. Пер: Н. Мухин – М: ДМК Пресс, 2011г, – 496с.
7. Перьков В.В. Система передачи дискретной информации
сигналами сложной формы (Патент RU 2024198).