Сельское
хозяйство / 2. Механизация сельского хозяйства
PhD докторант Амантаев
М.А.1, д.т.н., профессор Гайфуллин Г.З.2
1 Казахский агротехнический
университет имени С.Сейфуллина,
г. Астана, Казахстан
2 Костанайский государственный
университет имени А.Байтурсынова,
г. Костанай, Казахстан
Лабораторно-полевая установка для определения
энергетических показателей почвообрабатывающих ротационных рабочих органов с
активным приводом
1. Введение
Изучение любых объектов в
агроинженерной науке, как правило, связано с экспериментом. При этом, проведение
экспериментальных исследований невозможно без использования экспериментальных
установок. Выполнению экспериментальных исследований работы почвообрабатывающих
рабочих органов с активным приводом с использованием экспериментальных
установок посвящены работы многих ученых [1-3].
2. Цель
исследования
Целью
исследований является определение зависимостей энергетических показателей ротационных
рабочих органов с активным приводом от ВОМ трактора от их конструктивных
параметров и режимов работы.
3. Материалы
и методы
Для определения энергетических показателей (тягового
сопротивления и крутящего момента) почвообрабатывающих ротационных рабочих органов
с активным приводом разработана и изготовлена лабораторно-полевая установка,
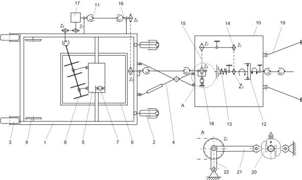
рисунок 1. Лабораторно-полевая установка содержит основную раму 1, четыре
опорно-транспортных колеса 2, 3 и прицеп 4. На раме установлено тензометрическое
устройство 5 для динамометрирования секций исследуемых ротационных рабочих органов
8 при обработке почвы.
Передние и
задние механизмы подъема-опускания рамы с опорно-транспортными колесами 2 и 3
служат для перевода лабораторно-полевой
установки из рабочего положения в
транспортное и обратно, транспортировки ее в рабочем и транспортном положениях
и регулировки глубины хода рабочих органов.
Тензометрическое устройство представляет
собой параллелограммный механизм, ориентированный продольно направлению
движения, в котором измерительным элементом служит тензометрическое звено 1,
рисунок 2.
Во время работы крутящий момент от ВОМ
трактора к ротационным рабочим органам с различной частотой вращения передается
при помощи механизма привода. Он располагается непосредственно за хвостовиком
ВОМ трактора и включает рамку 10, карданные передачи 11, обгонную муфту 12, предохранительную
муфту 13, звездочки 14, цепные передачи 15, подшипниковые опоры 16, редуктор 17
и устройство для измерения крутящего момента 18, рисунок 1 и 4. Устройство для
измерения крутящего момента включает тензометрическое
звено 20 соединенное шарнирной тягой 21 со звездочкой Z3, которая установлена
посредством шарнирной тяги 22 на опоре. Конструкция прицепа 4 позволяет изменять точку прицепа лабораторно-полевой
установки относительно ее оси симметрии в поперечных направлениях при помощи
боковой регулировочной тяги для обеспечения прямолинейности хода. Для
обеспечения прямолинейности движения установка также оснащена дисковым ножом 9.
Лабораторно-полевая установка оснащается
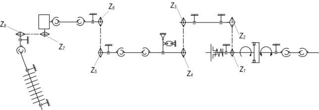
тензометрическими звеньями конструкции компании «Тензо-М». На рисунке 3 представлена
кинематическая схема лабораторно-полевой установки. Установка агрегатируется с
трактором МТЗ-80, рисунок 4.
Измерение силовых показателей
рабочих органов (тягового сопротивления и крутящего момента) производится путем
передвижения лабораторно-полевой установки с тензометрическим устройством и
рабочими органами в рабочем положении. Электрические сигналы от тензозвеньев
фиксируются интегрирующим прибором «Морион», который устанавливается в кабине
трактора. Питание измерительной аппаратуры осуществляется от электрической сети
трактора. Полученные данные обрабатываются методом математической статистики.
Перед началом измерений тягового
сопротивления и крутящего момента проводятся тарировочные испытания тензометрических
звеньев путем их ступенчатого нагружения до определенной нагрузки и сравнения
показаний приборов с показаниями образцового динамометра.

1 – рама; 2, 3 – передние и задние механизмы
подъема-опускания рамы с опорно-транспортными колесами; 4 – прицеп; 5 –
тензоизмерительное устройство; 6 – рамка; 7 – тензозвено для измерения тягового
сопротивления; 8 – батарея ротационных рабочих органов; 9 – дисковый нож; 10 –
рамка; 11 – карданная передача; 12 – обгонная муфта; 13 – предохранительная
муфта; 14 – звездочка; 15 – цепная передача; 16 – опора; 17 – редуктор; 18 – устройство
для измерения крутящего момента; 19 – продольные тяги механизма навески; 20 –
тензозвено для измерения крутящего момента; 21, 22 – тяги.
Рисунок 1 – Конструктивная схема лабораторно-полевой
установки для
измерения силовых показателей ротационных рабочих органов с активным приводом

1 – тензозвено; 2 – батарея ротационных рабочих органов
Рисунок 2 – Схема тензометрического
устройства для измерения тягового
сопротивления ротационных рабочих органов

Рисунок 3 – Кинематическая схема
лабораторно-полевой установки


Рисунок 4 –
Лабораторно-полевая установка в агрегате с трактором МТЗ-80
Технологический
процесс обработки почвы осуществляется следующим
образом. В начале процесса работы включают ВОМ трактора и приводят ротационные
рабочие органы во вращение. Далее происходит поступательное движение агрегата,
во время которого рычаг распределителя, управляющий гидросистемой
лабораторно-полевой установки, находится в «плавающем» положений. Рама
лабораторно-полевой установки под собственным весом опускается, заглубляя
рабочие органы на установленную с помощью опорно-транспортных колес глубину. Рабочие органы, перемещаясь в почве, производят
процесс обработки почвы. По окончании процесса работы гидросистема
лабораторно-полевой установки переключается на подъем. Рама лабораторно-полевой
установки с помощью гидроцилиндров механизмов подъема-опускания
опорно-транспортных колес поднимается и выглубляет секцию рабочих органов.
Далее отключается ВОМ трактора.
4. Заключение
Разработана лабораторно-полевая установка, позволяющая определять
энергетические показатели ротационных рабочих органов с активным приводом от
ВОМ трактора. С ее помощью можно
решить задачи совершенствования известных и разработки новых почвообрабатывающих
ротационных рабочих органов с активным приводом.
Литература
1
Вольский В.А. Определение составляющих силы тягового сопротивления сферического
дискового рабочего органа. Сельскохозяйственные машины и технологии, №3, 2014,
с.35-38.
2 Salokhe V.M., Nguyen B.Q. Dynamics of a
powered disk in clay soil. Journal of Terramechsnics, Vol.32, No.5. 1995, p.231-244.
3 Kwon S.G., Sakai J., Inoue E., Umeda N. Basic
studies on the power driven disk plow (Part IV). Measurement of three component
forces and torque of the tillage shaft. Journal of Japanese Soc. Agr. Mach.
Vol. 53(1), 1991, p. 47-64.