Технические науки
Электротехника и радиоэлектроника
Р.В. Бараненко, В.С. Тверезовский
Херсонский национальный
технический университет
ТЕХНИЧЕСКИЕ АСПЕКТЫ ПРОЕКТИРОВАНИЯ
СТАБИЛИЗАТОРА ПЕРЕМЕННОГО НАПРЯЖЕНИЯ
Постоянное развитие
средств измерений и контроля различных параметров изделий и процессов является
неотъемлемой частью научно-технического прогресса. В настоящее время
существенное влияние на методы построения измерительных систем оказывает
использование ЭВМ для обработки результатов измерений и управления различными
процессами [1].
Одной из основных
задач при разработке измерительных систем является повышение точности,
быстродействия и увеличение диапазона измеряемых величин.
В настоящее время
известны стабилизаторы переменного напряжения, в которых регулирующим звеном
является активный элемент, выполненный в виде генератора прямоугольного
напряжения с выходным трансформатором. Данные устройства характеризуются
искажением формы кривой выходного переменного напряжения.
Целью работы является
устранение недостатков существующих стабилизаторов переменного напряжения и
разработка нового устройства, структурные особенности которого позволят
уменьшить искажение формы кривой выходного переменного напряжения.
Для реализации целей
статьи разработано устройство [2], в котором применяется мостовой резистивный
фазоинвертор, в одно плечо которого включен переходом коллектор-эмиттер
транзистор, базой соединенный с чувствительным элементом, подключенным к
основной вторичной обмотке силового трансформатора. При этом одна из диагоналей
моста связана с дополнительной обмоткой этого же трансформатора, а другая
− с усилителем, являющимся регулирующим элементом стабилизатора.
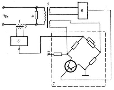
На
рис. 1 представлена структурная схема предлагаемого стабилизатора.

Рис. 1 Структурная схема разработанного устройства
Вторичная
обмотка 1 трансформатора 2, включенного на выходе усилителя 3, соединена последовательно с
нагрузкой 4. Выходное
стабилизированное напряжение поступает в нагрузку 4 и на первичную обмотку силового
трансформатора 5, вторичные
обмотки которого соединены с чувствительным элементом 6 и мостовым фазоинвертором 7.
В
одно из плеч фазоинвертора включен транзистор, сопротивление которого
переменному току зависит от напряжения между базой и эмиттером. При среднем
значении этого напряжения мост по переменному току уравновешен. При отклонении
от этого значения происходит разбаланс моста в одну или другую сторону, в
результате чего в выходной диагонали моста на 180° меняются амплитуда и фаза
выходного переменного напряжения.
При
минимальном напряжении на входе стабилизатора синусоидальное напряжение на
выходе усилителя совпадает по фазе с входным. Напряжение на выходе
стабилизатора в этом случае равно сумме входного напряжения и напряжения
усилителя.
При
увеличении входного напряжения, начиная с минимального, амплитуда выходного
напряжения усилителя уменьшается, и при некотором значении входного сигнала,
равного заданному, оно равно нулю, так как происходит уравновешивание моста
фазоинвертора. При дальнейшем увеличении входного напряжения фаза переменного
напряжения усилителя изменяется на 180° и растет его амплитуда. Напряжение на
нагрузке равно в этом случае разности входного напряжения и напряжения
усилителя.
Действующее
значение выходного напряжения стабилизатора во всех случаях остается постоянным.
Литература:
1. В.С. Тверезовський,
Р.В. Бараненко Принцип здійснення гнучкого програмного керування
елементами вимірювальних систем за аналізом їх експоненціальних параметрів //Вестник Херсонского
государственного технического университета. – 2003. – №2 (18). – С.297-301.
2. Авторское свидетельство СССР №322835
«Стабилизатор переменного напряжения». Авторы: Лубяный В.З.,
Тверезовский В.С., Лебеденко А.П. - H02m 5/02. -
Опубл. 30.11.1971, Бюл. №36.