канд. хим.
наук Воропай Л.М. канд. техн. наук Гительман Е.Б. Аверьянов А.В., Щербина А.М.
ФГБОУ ВПО «Вологодский государственный университет»
г. Вологда, Россия
Регулирование процессов очистки газовых смесей от органических
соединений при применении коронного разряда
Одной из мер
природоохранной деятельности является разработка эффективных способов очистки
газовоздушных смесей (ГВС) от опасных веществ органического и неорганического
происхождения.
Наиболее широко
изучены и практически осуществлены способы очистки газовых выбросов от
неорганических соединений. Из-за особенностей физико-химических свойств
органических соединений, процессы очистки ГВС от таких примесей менее изучены,
требуют дорогостоящего оборудования и чаще всего в данном случае вредности
выбрасываются в атмосферу.
На предприятиях
используются технологии окисления органических соединений путем применения
методов термического сжигания и использования катализаторов. В последние годы
также стали применяться методы окисления органических соединений с помощью
дугового и коронного разрядов [1]. Важно отметить, что существенной проблемой
всех используемых способов окисления является вопрос регулирования технологического
процесса очистки, поскольку характеристики смесей (химический состав,
влажность, температура, давление, скорость потока, содержание взвесей) могут
значительно меняться при обработке газов.
На практике для
контроля качества очистки газовоздушных сред в технологическую схему
монтируются различные типы газоанализаторов, которые определяют один или
несколько токсичных компонентов (углекислый газ, этанол, формальдегид).
Остальные компоненты рассчитываются теоретически на основании коэффициента испарения
[1].
Применение
газоанализаторов, детектирующих конкретные загрязняющие вещества в составе ГВС,
затрудняет регулирование технологических циклов очистки, поскольку не
учитывается содержание других загрязняющих веществ, которые могут
образовываться в качестве побочных или промежуточных продуктов окисления.
Известно, что при
протекании процессов окисления под действием коронного разряда образуется озон,
атомарный кислород, радикалы и ионы, активно участвующие в окислительно -
восстановительных реакциях. Экспериментальным путем доказано, что главным
окислителем органических соединений является озон, который определяет
эффективность процессов очистки. Поэтому регулирование процессов окисления
можно определять по концентрации озона.
Целью исследования
является изучение возможных вариантов регулирования процессов очистки газовых
смесей при синергетическом применении коронного, дугового разрядов совместно с
индикаторами содержания озона в ионизационной камере.
Для достижения
поставленной цели была проведения серия экспериментов на модельной установке
для окисления ГВС от органических соединений с помощью коронного разряда
(рисунок 1) [1]. Основные особенности процессов, протекающих при окислении
органических веществ в ионизационной камере, изложены в работах [1,2,3,4]. Экспериментально установлено, что
коронный разряд, используемый при окислении органических соединений, возникает
между электродами, изготовленными в виде стержней из металлов и сплавов,
которые сами выполняют функцию катализаторов реакции окисления. С поверхности
электродов испускаются электроны или происходит образование электрического поля
высокой напряженности в зоне коронного свечения. За счет этого образуется
огромное количество электронов при ударной ионизации газовых молекул.
Соударение электронов в зоне свечения дает один положительный ион на каждый
образованный электрон с последующей генерацией новых электронов и положительно
заряженных частиц. Данные процессы обеспечивают самоподдерживающийся характер
коронного разряда.

Рисунок
1 – ионизационная установка: 1-блок управления установкой; 2-ионизационная
камера; 3-искровой вольтметр; 4-привод электрода.
Результаты
экспериментов, проведенных на ионизационной установке, свидетельствуют, что не
всегда удается очистить ГВС от органических соединений за один цикл очистки,
т.к. ГВС имеет сложный состав, содержит как неорганические вещества (азот,
вода, озон, кислород), так и
органические соединения, участвующие в процессах окисления. Содержание
озона в воздушной среде является важной информацией для определения
эффективности окисления ГВС с помощью
коронного разряда.
При последовательной
ионизации газовых смесей в ионизационной камере предусмотрен следующий принцип
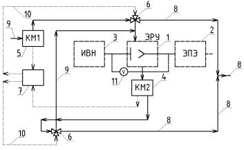
контроля над параметрами процесса очистки (рисунок 2).
Рисунок
2 - Автоматизированная принципиальная схема установки.
Автоматизированная
система очистки состоит из ионизационной камеры (1), электропривода электрода
(2), источника высокого напряжения (3), измерителя расхода очищаемого газа,
регулирующих клапанов (6), промежуточного преобразователя сигнала (7),
импульсных линий (10), передающих сигналы для управления процессом очистки,
датчик кислорода до очистки (5) и датчик озона после (4), трубопроводов
загрязнённого (9) и очищенного (8) воздуха, искрового вольтметра (11).
При достижении
концентрации озона, необходимой для процессов окисления, подается сигнал на
контроллер, который направляет ГВС в ионизационную камеру.
Концентрация озона
зависит также от концентрации кислорода, которую можно изменять в результате
поддувки воздухом. Полученные данные свидетельствуют, что в присутствии
кислорода концентрация озона при напряжении в коронном разряде от 37 до 40 кВ
максимальная и при дальнейшем изменении напряжения ее значение не изменяется и
составляет 4 г/м3. При отсутствии кислорода концентрация озона
достигает своего максимального значения 2,5 г/м3 при напряжении от
36 до 40 кВ (рисунок 3).

Рисунок
3 – Зависимость концентрации озона от напряжения в коронном разряде в воздухе и
с поддувкой кислорода
Для определения
зависимости эффективности окисления органических соединений от концентрации
озона была проведена серия опытов на лабораторной установке
На основании
полученных данных можно сделать следующий вывод: при использовании селективного
датчика озона удается добиться гибкости процесса окисления. При достижении
концентрации озона в ионизационной камере в процессе очистки значения порядка
3-3,7 г/м3, наблюдается общее повышение эффективности окисления
органических веществ. Соответственно
при недостаточном содержании озона в ионизационной камере в процессе
очистки, наблюдается общее снижение эффективности окисления. Продуктивным
решением для повышения эффективности очистки в данном случае является поддув
дополнительного количества воздуха в зону ионизации [2].
Такая
автоматизированная система управления процессом очистки ГВС может быть
реализована при дальнейшем внедрении данного способа очистки промышленных газовых выбросов в
производство.
Литература:
1.
Щербина А.М., Воропай Л.М., Гительман Е.Б., Плеханов А.А.
Ионизационная установка для глубокого окисления вентиляционных выбросов,
содержащих опасные органические соединения// Экологические системы и приборы.
2013. №11. С. 3…7.
2.
Воропай Л.М., Гительман Е.Б., Щербина А.М., Аверьянов А.В.,
Тихановская Г.А. Влияние химического состава воздуха на эффективность окисления
коронным разрядом// Экологические системы и приборы. 2014. №7. С. 26…30.
3.
Аверьянов А.В., Воропай Л.М., Гительман Е.Б., Плеханов А.А.
Об очистке вентиляционных и технологических выбросов от органических соединений
с помощью коронного разряда // Экология и промышленность России. 2014. №3.
4.
Воропай Л.М., Гительман Е.Б., Щербина А.М., Аверьянов А.В.
Система автоматизированной очистки газовых выбросов органического происхождения
с применением озона (статья) //
Экология и промышленность России. 2015. Т.19. № 5. С 4-7.