Технические
науки/6. Электротехника и радиоэлектроника
К.т.н., доцент Рудык А.В., Рудык В.А.
Национальный университет
водного хозяйства и природопользования (Украина, г. Ровно)
ФАЗОМЕТРЫ С
МАСШТАБНО – ВРЕМЕННЫМ ПРЕОБРАЗОВАНИЕМ
ГАРМОНИЧЕСКИХ СИГНАЛОВ
Измерители угла фазового сдвига
(УФС) или фазометры используются при измерении времени задержки, вносимого объектами
в процессе контроля технологических процессов, при измерении дальности и
определении места положения объекта и т.д. УФС между двумя сигналами
определяется разностью между их полными фазами:
, где
![]()
аналитические (комплексные) сигналы.
Рассмотрим масштабно-временное
преобразование (МВП) гармонических сигналов, при котором действие входных
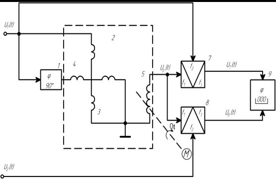
сигналов фазометра не ограничено во времени. На рис.1 приведена структурная
схема фазометра с МВП гармонических сигналов, в котором вращающийся
трансформатор (ВТ) используется для смещения частоты. Фазометр состоит из цепи
90˚-ного фазового сдвига 1, ВТ 2 со статорными косинусной 3, синусной 4 и
роторной 5 обмотками, электродвигателя 6, преобразователей частоты (ПЧ) 7, 8 и
фазоиндикатора 9.
Входные напряжения
и
подаются на вторые
входы ПЧ 7 и 8. На первые входы ПЧ подаётся опорное напряжение
с роторной обмотки 5
ВТ 2. При вращении роторной обмотки 5 электродвигателем 6 с угловой скоростью
вращения (УСВ) Ω взаимные индуктивности между статорными и роторной обмотками
и
. В этом случае суммарный магнитный поток (СМП) статора
(1)
где L – индуктивность статорных обмоток 3 и 4 ВТ
2.
ЭДС, наведённая СМП (1) в
роторной обмотке 5, будет иметь вид
(2)
где
коэффициент трансформации ВТ 2.

Рисунок 1 – Структурная схема
фазометра с МВП гармонических сигналов
Таким образом, на входы ПЧ 7
поступают напряжения
и
, а на входы ПЧ 8 – напряжения
и
, при этом их выходные напряжения:
(3)
где
и
коэффициенты передачи преобразователей частоты 7 и 8.
Далее напряжения
и
, частота которых равна УСВ ротора, подаются на фазоиндикатор
9, показания которого пропорциональны УФС между напряжениями
и
, т.е.
. Преимущество такого преобразования частоты в том, что
частота напряжения гетеродина
близка по величине к
частоте сигнала ω, а
. Это позволяет уменьшить погрешность МВП, возникающую за
счёт наличия комбинационных составляющих в спектре тока ПЧ 7 и 8. Однако, если
коэффициент передачи цепи 90˚-ного фазового сдвига 1 будет отличаться от
единицы, то при измерении возникает ошибка:
(4)
где
относительное отклонение амплитуды
от
.
При небольших значениях ε из
соотношения (4) при
максимальную фазовую
погрешность можно определить как
.
Для измерения УФС между двумя
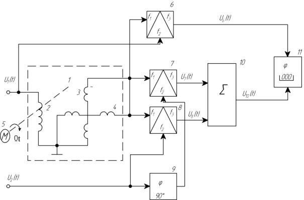
гармоническими колебаниями также можно использовать фазометр с МВП, в котором
ВТ используется для получения двухканального сигнала с балансной амплитудной
модуляцией (рис.2). Фазометр состоит из ВТ 1 с обмотками 2, 3 и 4, электродвигателя
5, ПЧ 6, 7 и 8, цепи 90˚-ного фазового сдвига 9, сумматора 10 и
фазоиндикатора 11.

Рисунок 2 – Структурная схема
фазометра с МВП гармонических сигналов
Входное гармоническое напряжение
подаётся на роторную
обмотку 2 ВТ 1. При вращении роторной обмотки 2 с УСВ Ω взаимные
индуктивности между статорными и роторной обмотками равны
и
. В этом случае магнитные потоки статора:
(5)
ЭДС, наведенные магнитными
потоками (5) в статорных обмотках 3 и 4, при выполнении условия
:
(6)
Как видно из (6), ЭДС, наведенные
в статорных обмотках 3 и 4 ВТ 1, аналогичны АМ сигналу с подавленной несущей,
т.е. ВТ 1 работает в режиме двухканального линейного балансного амплитудного
модулятора. Далее напряжения
и
подаются на первые
входы ПЧ 7 и 8, на вторые входы которых подаются напряжение
и выходное напряжение
цепи фазового сдвига 9
. Выходные напряжения ПЧ 7 и 8:
(7)
где
,
и
коэффициенты передачи ПЧ 7 и 8 и цепи фазового сдвига 9.
При условии
напряжение на выходе
сумматора 10
(8)
Опорное колебание формируется в ПЧ
6 при подаче напряжений
и
, т.е.
где
коэффициент передачи ПЧ 6.
Далее напряжения в опорном и
измерительном каналах
и
подаются на входы
фазоиндикатора 11, показания которого пропорциональны УФС между входными
напряжениями
и
, т.е.
. Таким образом, в фазометре (рис.2) происходит несмещённая
оценка параметра входного сигнала за счёт исключения погрешности измерения УФС
из-за возможного неравенства амплитуд входных напряжений. При этом МВП оценивают
по отношению
величина которого
может достигать нескольких тысяч раз.