Строительство и архитектура/3. Современные технологии
строительства, реконструкции и
реставрации
К.т.н. Шакиров
И.Ф., Хисматуллин А.Ф.
Казанский
государственный архитектурно-строительный университет, Россия
ИССЛЕДОВАНИЕ НАПРЯЖЕННО-ДЕФОРМИРОВАННОГО
СОСТОЯНИЯ ГИБКОЙ ОГРАЖДАЮЩЕЙ КОНСТРУКЦИИ С АНКЕРНЫМ КРЕПЛЕНИЕМ
В последние годы при
застройке городов идет интенсивное освоение подземного пространства. На
сегодняшний день при устройстве глубокого котлована наиболее простым и
технологичным является открытый способ выработки грунта, но при этом возникают
вопросы крепления стенок котлована. Применение анкеров для крепления
ограждающих конструкций позволяет сделать вертикальные элементы более легкими,
увеличивает их устойчивость, а также дает возможность освободить внутреннее
пространство котлована от распорок или подкосов. При этом расчет стенок с анкерным креплением в части
определения бокового давления грунта и анкерных усилий представляет собой
весьма сложную задачу. Такие вопросы, как точный учет активного давления
грунта, оптимальная глубина погружения шпунта, форма упругой линии,
перераспределение давления грунта по высоте стенки, условия «заделки» шпунта,
взаимодействие стенки с грунтом засыпки до настоящего времени остались не до
конца выясненными, а существующие теории недостаточно отражают действительную
работу конструкций.
Целью данной работы
является экспериментальное изучение напряженно-деформированного состояния ограждающей
конструкции с анкерным креплением и грунтового массива за ограждающей конструкцией
в процессе экскавации грунта.
Экспериментальные исследования были проведены
в лаборатории грунтоведения кафедры
оснований, фундаментов, динамики сооружений и инженерной геологии Казанского
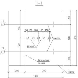
государственного архитектурно-строительного университета. Опыты проводились в объемном лотке размерами сторон 1,0х1,0х1,0
м (рис. 1). Модель ограждающей
конструкции был изготовлен из стального листа толщиной стенки 1 мм, модель
грунтовых анкеров – из пластиковых трубок диаметром 5 мм с круглой пластинкой
диаметром 100 мм в конце (рис. 3). В опытах
массив грунта создавался из мелкозернистого песка, укладываемого в лоток
путем послойной отсыпки и уплотнения, был применен песок со следующими физико-механическими характеристиками: ρs = 2,66 г/см3, W = 0,1
%, φ = 28°, с = 0 кПа.

Рисунок 1. Общий вид экспериментальной установки
Деформации стальной ограждающей конструкции и
анкеров фиксировались тензометрическими датчиками сопротивления базой 20мм,
наклеенными на поверхность металла с шагом по высоте 10 см и на тело анкера
(рис. 2, 3). Для измерений перемещений верха ограждающей конструкции и осадки
поверхности массива грунта использовались прогибомеры и индикаторы часового
действия ИД-4 (рис. 1, 2). Для оценки действия активного и пассивного давлений
на ограждающую конструкцию в массиве грунта были установлены грунтовые датчики.

Рисунок 2. Схема расположения
контрольно-измерительных приборов

Рисунок 3. Схема грунтового анкера
В целях изучения
напряженно-деформированного состояния грунтового массива при совместном
деформировании с заанкеренной ограждающей конструкцией в процессе поэтапной
разработки грунта были запланированы и проведены 6 однотипных экспериментов.
Работа проводилась в несколько этапов в следующей последовательности:
а) установка ограждающей стенки с анкерным
креплением с контрольно-измерительными приборами;
б) засыпка объемного лотка грунтом слоями
мощностью 10 см с послойным трамбованием. Контроль плотности осуществлялся
путем отбора образцов режущим кольцом. Среднее значение плотности сложения
грунта составило ρ = 1,52 г/см3.
Во время засыпки в массиве грунта устанавливаются датчики давления грунта с
шагом по высоте 10 см;
в) поэтапная откопка грунта за ограждающей
стенкой. Грунт послойно откапывался на глубину 60 см за 6 этапов, по 10 см за
один этап. В каждом этапе снимались показания всех контрольно-измерительных
приборов. Между этапами выдерживалась пауза до полной стабилизации показаний
приборов.
Анализ осредненных результатов шести
экспериментов показывают, что на первом этапе откопки котлована визуально
деформаций стенки не наблюдается, по данным тензодатчиков наибольшие деформации
возникают в консольной части стенки выше точки крепления анкера. Грунтовые
датчики показывают уплотнение грунта в зоне крепления анкера. Показания датчика
на анкере увеличиваются, что
свидетельствует об изгибе тяги анкера в результате перемещения точки крепления
анкера. По данным прогибомеров
перемещение верха стенки отсутствует.
На втором этапе по данным тензодатчиков
стенка ниже точки крепления анкера начинает выгибаться в сторону ограждаемого
грунтового массива. Верхняя часть стенки начинает смещаться в сторону
котлована. Индикаторы показывают небольшое оседание грунта за стенкой, на
поверхности грунта образовывается параллельно стенки трещина длиной около 25
см.
На третьем этапе визуально наблюдается
небольшое перемещение верха стенки в сторону котлована. По данным датчиков
деформации в консольной части уменьшаются. Стенка ниже точки крепления анкера
до отметки - 50 см выгибается в сторону ограждаемого грунтового массива, грунт
в этой зоне разуплотняется. На
поверхности грунта появляется еще одна трещина на расстоянии 20 см от стенки.
На четвертом этапе область грунта в зоне
крепления анкера продолжает уплотняться, ниже происходит дальнейшее
разуплотнение. Продолжается смещение верхней части стенки в сторону котлована и
оседание грунта за стенкой. На поверхности грунта появляется новая трещина на
расстоянии 30 см от стенки.
На пятом этапе наблюдается прогиб стенки ниже
отметки - 30 см в сторону котлована, деформация верхней части стенки
уменьшается. По данным датчиков на стенке, увеличивается выгиб стенки под
креплением анкера в сторону ограждающего грунта, то же происходит на отметке -
60 см. Область грунта между отметками - 30 – - 50 см разуплотняется, ниже
уплотняется.
В процессе шестого этапа откопки произошло
резкое сползание призмы обрушения, сопровождаемое дальнейшим выгибом пролетной
части стенки в сторону котлована и поворотом консольной части стенки в сторону
ограждаемого массива. На поверхности грунта выделяется граница призмы обрушения
на расстоянии около 20 см от стенки.
Следует
отметить образование большого количества призм обрушения, которые образуются по
мере откопки грунта и увеличения деформаций стенки. Из результатов эксперимента
видно, что на начальных этапах призма обрушения проходит под углом 450 -
φ/2, но с образованием новых призм угол постоянно увеличивается. При этом
в анкерной тяге происходит постоянный рост деформаций, обусловленный изгибом
тяги анкера.
На рисунках 4 и 5 приведены эпюры изгибающих
моментов в ограждающей стенке, эпюры оседания поверхности грунта по результатам
экспериментов.
Как
показывают эксперименты, в процессе поэтапной разработки котлована напряжения и
деформации в ограждающей стенке меняют свое значение не только количественно,
но и качественно. Одни и те же участки стенки по мере разработки котлована
испытывают разные по знаку напряжения и изгибаются как в сторону ограждаемого
грунтового массива, так и в сторону котлована. Таким образом, можно сделать
вывод, что напряженно-деформированное состояние шпунтовой стенки меняется в
зависимости от глубины разработки котлована. Процессы, происходящие в грунтовом массиве во
время откопки котлована, уплотнение и разуплотнение грунта за стенкой
вносят существенные коррективы в работу конструкции.

Рисунок 4. Изменение значений изгибающего момента по высоте стенки на
разных этапах разработки грунта

Рисунок 5. Оседание поверхности грунта и образование в массиве грунта
призм обрушения (6 этап)
Литература
1. Ухов С.Б., Семенов В.В., Знаменский В.В. и др.
Механика грунтов, основания и фундаменты. – М.: Изд-во АСВ, 2005. – 528 с.
2. Дидух Б.И., Иоселевич В.А. Смещение ограждающей
стенки в процессе выемки котлована // Основания, фундаменты и механика грунтов,
1996, №6. – с. 2-6.
3. Основания, фундаменты и подземные сооружения / Под
общ. ред. Е.А. Сорочана и Ю.Г. Трофименкова. – М.: Стройиздат, 1985. – 480 с.