Технические
науки/4. Транспорт
Д.т.н. Закомолдин И.И.,
аспирант Синицын А.А.
Челябинский государственный
педагогический университет, Россия
ОБЕСПЕЧЕНИЕ СТАБИЛЬНОГО ТЕПЛОВОГО
СОСТОЯНИЯ ДВИГАТЕЛЕЙ ВНУТРЕННЕГО СГОРАНИЯ ПРИ ИХ РАБОТЕ НА РАЗЛИЧНЫХ РЕЖИМАХ.
Известно,
что значительную долю времени 60-75% от
общего срока службы тракторы промышленного назначения работают под нагрузкой,
средняя величина которой составляет 75-90 % от номинальной мощности двигателя (Ne).
У сельскохозяйственных тракторов она составляет 75-78 %, у грузовых автомобилей
20-53 % и у легковых автомобилей при езде в городе 20-25 % от Ne
[1]. Это свидетельствует о том, что значительное время ДВС работают на
частичных (неустановившихся) режимах. Следовательно, с целью обеспечения
стабильного теплового состояния, снижения затрат энергии на привод агрегатов
системы охлаждения, улучшения эффективных показателей, повышения надежности,
необходима система автоматического регулирования теплового состояния (САРТС)
двигателя. Это одно из основных направлений повышения экономичности и
надежности ДВС в результате снижения потерь на работу вентилятора и обеспечения
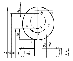
безопасного его теплового состояния. Одним из основных элементов САРТС (рис.1) является
устройство, обеспечивающее эластичную передачу вращающего момента к агрегату. В
качестве данного устройства может служить гидромуфта.
Параметры
гидродинамических передач (ГДП) различают двух типов: внутренние и внешние.
Внутренними называют параметры, связанные с потоком рабочей жидкости,
протекающей по межлопаточным каналам ГДП. Внешними называют параметры,
отнесенные к валам ГДП [2].
В
гидромуфтах вращающий момент от ведущего к ведомому валу передается в основном
за счет обмена количества движения при внутренней циркуляции и трения жидкости.
Момент, передаваемый гидромуфтой [2], т.е. от насосного колеса (н) к турбинному
(т) определяется
+
(1)
где
- составляющая
момента, обусловленного изменением количества движения при циркуляции жидкости,
н∙м;
– составляющая
момента трения, н∙м.
= ρQ∙
−
∙
)=
∙
∙(
−
∙
), (2)
где
- плотность жидкости
гидромуфты при рабочей температуре, кг/
;
Q – производительность
насоса, объемный расход жидкости
/c ;
=
/2 – средний радиус
(диаметр) на выходе из насосного колеса, м;
=
/2 – средний радиус (диаметр) на входе в насосное колесо, м;
,
– окружная
(переносная) составляющая скорости, на выходе из насосного и турбинного колес,
м/c;

Рис.
1 Конструктивные элементы гидромуфты
F- площадь проходного
сечения межлопаточных каналов в зоне
входа и выхода насосного и турбинного колес, площадь проходного сечения,
;
- меридиональная
скорость, м/c; тогда
= ρ∙
∙
-
. (3)
Для
определения момента необходимо знать зависимость изменения меридиональной
скорости от частоты вращения турбинного колеса. Данная зависимость получена на
основе уравнения баланса энергии [2]
=
-
= 0, (4)
где
- мощность турбинного колеса;
- мощность, расходуемая на сопротивление при
протекании рабочей жидкости в межлопаточных колесах.
Зависимость
=f(
) для гидромуфты с прямыми лопатками выражается следующим
уравнением
=
; (5)
где k-
коэффициент;
K =
+
∙
=
+
(6)
здесь lн - линейный коэффициент
сопротивления трения для канала некруглого сечения;
lН - длина лопатки насосного колеса по
средней линии тока, м;
RH - гидравлический радиус живого сечения
межлопаточного канала, м;
xп - коэффициент сопротивления на поворот в канале
прямоугольного сечения;
mH - число прямых колен канала насосного
колеса в меридиональном сечении;
R н - гидравлический радиус, м;
D г =
4 R н - гидравлический диаметр, м.
g – ускорение свободного падения;
В колесах
гидромуфты возникают следующие гидравлические потери:
- потери на
удар при входе жидкости в межлопаточные каналы;
- на
внезапное сужение при входе в межлопаточную зону;
- на трение
при движении рабочей жидкости вдоль канала;
- на
повороты жидкости при входе и выходе из межлопаточных каналов;
- на
внезапное расширение при выходе жидкости из межлопаточных каналов;
- на потери
при сужении и расширении, при наличии конфузорно - диффузорных переходов в
межлопаточных каналах.
При
разработке и создании гидромуфт наиболее широкое распространение получил метод
расчёта с использованием теории подобия. Однако, анализ геометрии межлопаточных
каналов существующих колёс гидромуфт, показывает, что площадь проходного
сечения этих каналов вдоль потока не является постоянной величиной.
Следовательно, существуют гидравлические потери, влияющие на внешнюю
характеристику гидромуфт. Работа авторов направлена на совершенствование САРТС
двигателей (рис.2) и её элементов.

Рис.
2. Структурная схема системы автоматического регулирования
теплового
состояния ДВС
Литература:
1.
Ждановский Н.С., Ковригин А.И., Шкрабак В.С., Соминич А.В. Неустановившиеся
режимы поршневых и газотурбинных двигателей автотракторного типа. - Л.;
Машиностроение Ленинградское отделение, 1974. - 224 с.
2.
Гидравлика, гидромашины и гидропневмопривод: учеб. пособие для студ. Высш.
учеб. заведений / [Т.В. Артемьева, Т.М. Лысенко, А.Н. Румянцева, С.П. Стесин];
под ред. С.П. Стесина. – 4-е изд., стер. – М.:Издательский центр «Академия»,
2008. – 336 с.