УДК 621.039.546:621.039.52.034.3
УНИВЕРСАЛЬНАЯ СИСТЕМА ИСПОЛЬЗОВАНИЯ ПОЛИГОННОГО ГАЗА В КАЧЕСТВЕ
ВОЗОБНОВЛЯЕМОГО ИСТОЧНИКА ЭНЕРГИИ
В.В. Лозовецкий, В.В. Лебедев,
И.В. Статкевич
Московский государственный университет леса, Мытищи,
1-ая Институтская
Московский государственный технический университет им.
Н. Э. Баумана, Москва, 105005,
2-ая Бауманская ул., 5
Экологические и экономические проблемы современной большой и малой энергетики поставили в повестку дня задачи структурной глобальной перестройки энергетики, поиска новых технологий, вовлечения новых ресурсов.
В связи с этим большой интерес вызывает использование отходов производства и потребления как альтернативных возобновляемых источников энергии. В частности актуальным в России является использование биогаза, образующегося при захоронении твёрдых бытовых отходов на свалках и полигонов.
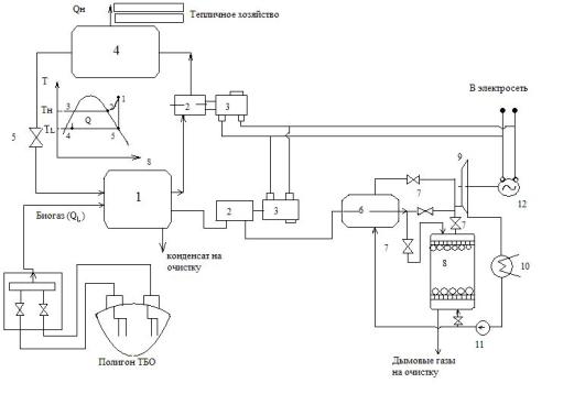
Проект комплексной утилизации энергии биогаза, который генерируется на специально оборудованном полигоне, представлен на рис.1. Газодобывающее и теплоэнергетическое оборудование полигона спроектировано для утилизации образующегося биогаза объёмом 645 м3/час в расчете на получение тепловой мощности в количестве 2,5 МВт в теплоэнергетической электрогенерирующей установке (ТЭС).
Добываемый биогаз имеет температуру 25-40оС и загрязнен увлекаемыми попутно испарениями фильтратов полигона, и поэтому перед утилизацией должен подвергаться осушке путем охлаждения при сопутствующей конденсации выпаров.
Повышение энергетической эффективности предложенной схемы достигается, во-первых, установкой теплообменника-регенератора 8, имеющего термоаккумулирующую загрузку сферических графитовых элементов, и, во-вторых, установкой теплового насоса для утилизации низкопотенциальной тепловой энергии, которая образуется при охлаждении и осушении биогаза, поступающего на ТЭС с полигона.

Рис. 1. Схема установки для реализации биогаза как
возобновляемого источника энергии
1 - теплообменник; 2 - компрессор; 3 -
электродвигатель; 4 -
теплообменник; 5 -
дроссельный клапан; 6 - камера
сгорания; 7- клапан; 8 - теплообменник-регенератор; 9 - турбина;
10 - конденсатор; 11- насос; 12 -генератор.
Биогаз охлаждается в теплообменнике 1, который является холодильником теплового насоса. При этом происходит конденсация паров и осушение биогаза, после чего он подается по системе трубопроводов в камеру сгорания, или паровой котел, и далее в паровую турбину для получения электроэнергии, или для аккумулирования теплоты в теплообменник-регенератор 8 и последующего использования в режиме пиковых нагрузок.

Рис. 2. Схема парокомпрессионного теплового насоса.
1 - холодильник-испаритель; 2 - компрессор; 3 - нагреватель-конденсатор; 4 - терморегулирующий вентиль (ТРВ); 5 - теплообменник; 6 - ресивер; 7 - блок регулирования; 8 - датчик; 9 - газовый подогреватель.
Для определения оптимальных значений температуры конденсации, которые будут определять, в свою очередь, температуру теплоносителя на выходе из конденсатора теплового насоса и на входе в перегреватель, рассмотрим коэффициент энергоэффективности для модернизированной схемы:
, (1)
где ΔQ – разница между количеством тепловой энергии, генерируемой в теплонасосном цикле (QH), и количеством тепловой энергии, которую необходимо затратить в теплоэлектрогенерирующем цикле для получения электрической работы привода компрессора теплового насоса; LK – полезная механическая работа на приводном вале компрессора; εХ – холодильный коэффициент теплонасосного цикла; ηТЭ – КПД теплоэлектрогенерирующей установки; ηЭМ – КПД преобразования энергии в электроприводе компрессора из электрической в механическую; QRH – первичная тепловая энергия, затрачиваемая в перегревателе; TCW, THW – температуры холодной воды и получаемой горячей воды; θC – минимальный перепад температур в конденсаторе теплового насоса.
Ниже представлены результаты моделирования с использованием функции коэффициента энергоэффективности (1) предложенной теплофикационной схемы. Температуру холодной воды задавали 15оС, а температуру получаемой горячей воды после перегревателя 100оС. Зависимость коэффициента энергоэффективности модернизированной схемы от температуры конденсации представлена графически на рис. 3. Наблюдается экстремальный характер полученных зависимостей: максимальное значение коэффициента эффективности достигается при КПД ТЭГУ 75 % при температуре конденсации около 60оС, при 45 % около 45оС. Очевидно, эти значения более приемлемы с технической точки зрения. Практически равнозначны варианты с прямым сжиганием биогаза в газовом водонагреватель или с отбором части высокопотенциального теплоносителя (пара) из ТЭГУ. Интересен вариант с использованием тепла дымовых газов в перегревателе для повышения общей энергоэффективности.
Рис. 3. Графики зависимости коэффициента энергоэффективности
от температуры конденсации:
график -1-1- соответствует ηТЭ=75%; график -2-2- соответствует ηТЭ=45%.
Теплопроизводительность теплового насоса в области изменения рабочих параметров лежит в диапазоне от 5 до 21 кВт. Количество получаемой горячей воды – от 0,1 до 0,4 м3/час. Объемная производительность компрессора теплового насоса, которая определяет массогабаритные параметры машины, в области изменения рабочих параметров находится в диапазоне от 20 до 100 м3/час. Мощность привода компрессорной установки лежит в диапазоне от 2 до 13 кВт.
Результаты выполненного моделирования обосновывают возможность осуществления энергетически эффективной теплонасосной теплофикации в исследованном диапазоне режимов при условии реализации проекта утилизации теплотворной способности биогаза в энергетической парогазовой электрогенерирующей установке с высокими значениями КПД.
Определенный интерес могут представлять некоторые направления повышения энергетической эффективности рассматриваемой схемы, например, привод компрессора можно осуществить прямо с помощью газового ДВС, или ГТУ. Также можно отметить высокий эффект от применения альтернативных возобновляемых источников энергии, например ветровых энергоустановок, что полноценно вписывается в современные концепции развития альтернативной энергетики.
В частности, можно отметить наличие практического эффекта в области комплексного применения различных видов альтернативных возобновляемых энергоисточников и вторичных энергетических ресурсов. Это направление в настоящий момент находит своё развитие в зарубежной практике.