Технические
науки / 12. Автоматизированные системы управления на производстве
К.т.н. Ковалюк Д.О.,
Скобеліна М.І.
Національний технічний
університет України «КПІ», Україна
АВТОМАТИЗАЦІЯ ПРОЦЕСУ
ВИРОБНИЦТВА АЗОТНОЇ КИСЛОТИ ПІД АТМОСФЕРНИМ ТИСКОМ
Азотна кислота – один із найважливіших продуктів в
хімічній промисловості. По об’єму виробництва азотна кислота посідає друге
місце після сірчаної. Азотна кислота є сировиною для багатьох продуктів, які
застосовуються у промисловості та сільському господарстві. У зв’язку із
бурхливим розвитком виробництва мінеральних добрив у наш час швидкими темпами
зростає об’єм видобутку азотної кислоти.
Виробництво азотної
кислоти можна розділити на три основні групи [1]:
ü Виробництво
під атмосферним тиском;
ü Виробництво
під підвищеним тиском;
ü Комбіноване
виробництво азотної кислоти (аміак окислюють під атмосферним, а оксиди азоту
переробляють у кислоту під підвищеним тиском).
Одним із найбільш поширених і простих технологічних
способів отримання азотної кислоти є виробництво під атмосферним
тиском. Даний спосіб включає наступні етапи.
Для очищення повітря від
сторонніх газів його зазвичай промивають у скрубері водою для видалення
механічних забруднень, а відтак фільтрують крізь суконні фільтри. Підготоване у такий спосіб
повітря, а також аміак подаються в систему за допомогою вентилятора.
До надходження в каталізатор
газову суміш раз фільтрують через поролітовий або картонний фільтр, який розміщено у верхній частині
конвертора, змонтованого безпосередньо на котлі-утилізаторі.
У прямотечійному котлі по
змійовику перетікає вода, яка, нагріваючись, перетворюється в пароводяну
емульсію, що розділяється в сепараторі на пару та воду. Пара із сепаратора
через змійовик-перегрівник у верхній частині котла надходить до заводської
системи. Температура пари становить 723 К, тиск –
4 МПа. За такої системи охолодження нітрозних газів їх температура знижується
від 1100 до 430 К. Надалі вони охолоджуються у двох послідовно ввімкнених
холодильниках. У
першому холодильнику виділяється конденсат, що містить 2–3 % HNO3, у другому холодильнику – конденсат,
що містить уже 25–30
%.
Циркуляція
зрошувальної кислоти здійснюється за допомогою відцентрових насосів, які подають її в колони через водяні холодильники. Зазвичай кислота відводиться з першої або другої за
напрямком газу колони. Нітрозний вентилятор підсмоктує в систему повітря в
такій кількості, щоб вміст кисню у викидних газах підтримувався в межах 3,5–5%.
Основним завданням
автоматизації є підвищення ефективності керування процесом в абсорбційній башті,
покращення його властивостей, зменшення витрат сировини та енергії, збільшення
продуктивності процесу. В роботі запропоновано схему автоматизації абсорбційної
башти.


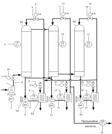
Рис. 1. Схема автоматизації
абсорбційної башти
Контур 1 забезпечує контроль тиску в трубопроводі після
насосу 1. Контур 2 забезпечує контроль рівня нітрозних газів в абсорбційній
башті. Контур 3 забезпечує контроль тиску в трубопроводі після насосу 2. Контур
4 забезпечує контроль температури у водяному холодильнику 13. Аналогічно для
наступних колон.
Висновок
В роботі розглянуто
процес виробництва азотної кислоти під атмосферним тиском та запропоновано схему
автоматизації абсорбційної башти, впровадження якої дозволить забезпечити високу
якість та ефективність процесу.
Література
1. Лукінюк М. В. Контроль
і керування хіміко-технологічними процесами: навч. посіб. для студ.
вищ. навч. закл.: У 2 кн. Книга 1. Методи та технічні засоби
автоматичного контролю хіміко-технологічних процесів [Текст] : навч. посіб.
для студ. вищ. навч. закл., які навчаються за напрямом «Хімічна технологія та
інженерія». – К.: ІВЦ “Видавництво «Політехніка»”, 2012. – 336 с. :
іл. – Бібліогр.: с. 328–330. – 300 пр. – ISBN 978-966-622-530-9.