И.А. Емельянова, В.В. Блажко, А.И. Анищенко
Харьковский национальный университет строительства и архитектуры
Универсальные бетоносмесители нового
поколения
Проблема приготовления качественных
бетонных смесей с высокой степенью их однородности всегда актуальна и
своевременна.
Для оценки однородности бетонных смесей в
бетоносмесителях нового поколения следует использовать следующий подход.
Предлагается зависимость, в которую вводятся коэффициенты: коэффициент, который
зависит от прочности контрольных образцов бетона на сжатие –
, где
– прочность на сжатие
і-го контрольного образца бетона,
– показатель средней
прочности на сжатие контрольных образцов бетона; а также коэффициент, который зависит
от формы зерен крупного заполнителя –
, где
– прочность на сжатие
і-го контрольного образца бетона, отформованных на
крупном заполнителе различной формы (лещадная, кубовидная, игольчатая),
– средний показатель
прочности на сжатие контрольных образцов бетона, отформованных на вышеуказанных
заполнителях.
Зависимость с учетом вводимых
коэффициентов имеет вид [1]:
, (1)
где
– соответственно
средняя плотность отформованных контрольных образцов бетона, средняя плотность і-го контрольного образца;
V –
окружная скорость вращения рабочего органа бетоносмесителя.
С поставленной проблемой приготовления
бетонных смесей с высокой степенью однородности успешно справляются
бетоносмесители, работающие в каскадном режиме, которые созданы на основании
результатов многочисленных теоретических и экспериментальных исследований.
Особенности работы машин в каскадном
режиме заключаются в следующем: в процессе перемешивания компонентов бетонной
смеси участвуют одновременно два способа – гравитационный и принудительного
действия. Такая комбинация позволяет достичь высокой степени однородности
перемешивания при приготовлении смесей различного назначения: подвижных и
малоподвижных, фибробетонных и с легким заполнителем, сухих строительных смесей
и холоднотвердеющих для нужд литейного производства.
К машинам, работающим в каскадном режиме,
следует отнести трехвальный бетоносмеситель и бетоносмеситель гравитационно-принудительного
действия.
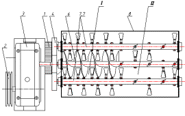
Трехвальный бетоносмеситель оснащен
рабочим органом, который содержит три горизонтальных вала, установленных под
углом 100 к горизонтальной поверхности. Принципиальная схема этой
машины представлена на рис. 1,
а ее общий вид – на рис. 2 [2,
3, 4].
Два вала
предназначены для перемешивания и оснащены лопатками, которые должны обеспечить
трехконтурное движение материала в смесителе и разрушение мелких агломератов из
частиц растворной составляющей. Третий вал, который состоит из шнековой части в
І-ой зоне смесителя, и оснащен лопатками, установленными по винту, во ІІ-ой
зоне смесителя, обеспечивает, с одной стороны, транспортирование материала к
разгрузочной части смесителя; с другой стороны, участвует в организации
трехконтурного движения материала в смесителе, что должно привести к многократному
увеличению рабочего объема, в котором происходит интенсивное перемешивание,
вплоть до полного объема смесителя.
Для использования
гравитационных сил и интенсификации многоконтурного движения частиц бетонной
смеси в каскадном режиме валы установлены под углом b на
различных уровнях.

а)

б)
Рис. 1. Конструктивная
схема трехвального бетоносмесителя
а) трехвальный бетоносмеситель; б) размещение валов в
корпусе смесителя;
1 – двигатель; 2 – клиноременная передача; 3
– редуктор; 4 – открытая зубчатая передача; 5 – загрузочный
бункер; 6 – шнековий вал; 7,7′ – верхний и нижний лопастные
валы; 8 – корпус бетоносмесителя; 9 – разгрузочный патрубок;
I – зона перемешивания сухих
компонентов бетонной смеси; II – зона
приготовления бетонной смеси с заданным водоцементным отношением


Рис. 2. Общий вид
трехвального бетоносмесителя
Рабочий орган смесителя и
электродвигатель 1 установлены на сварной раме 10. От вала электродвигателя 1
крутящий момент через клиноременную передачу 2 передается на вал
цилиндрического двухступенчатого редуктора 3. Вал редуктора с приводным валом
смесителя соединен посредством втулочно-пальцевой муфты. Передача крутящего
момента от шнекового (приводного) вала 6 на остальные валы осуществляется с
помощью открытой зубчатой передачи 4. Опорами валов являются подшипниковые
узлы, которые закреплены на торцевых стенках смесителя болтовыми соединениями.
Лопасти валов установлены по винтовой линии и зафиксированы на валах с помощью
пружинных шайб и гаек. Корпус смесителя в верхней части оснащен крышкой, на
которой имеется бункер 5 для подачи сухих компонентов бетонной смеси. В нижней
части корпуса имеется разгрузочный патрубок 9, оснащенный заслонкой.
Смеситель работает
следующим образом. Отдозированные сухие компоненты бетонной смеси цемент, песок
и щебень подаются в I –ую зону бетоносмесителя 8 через загрузочный бункер 5,
подхватываются лопастями верхнего вала 7 и, частично перемешиваясь, попадают в
область действия шнекового вала 6, откуда компоненты смеси вовлекаются в зону
действия нижнего лопастного вала 7΄ благодаря лопаткам, закрепленным на
нем. Кроме радиального перемещения частицы сухой бетонной смеси совершают
продольное перемещение в сторону разгрузочного патрубка смесителя. Во II-ую
зону смесителя подается вода и в результате вращения всех трех валов 6, 7,
7΄ происходит окончательное перемешивание составляющих компонентов смеси
по пересекающимся круговым траекториям в горизонтальной и вертикальной плоскостях.
Разгрузка готовой смеси осуществляется лопастным валом 7΄ через
разгрузочный патрубок 9 (рис. 1.
а, б).
В таблице 1 приведена техническая
характеристика трехвального бетоносмесителя.
Таблица 1 – Техническая характеристика трехвального бетоносмесителя
|
Наименование
|
Значение
|
|
Производительность,
м³/ ч Максимальный
размер заполнителя, мм Частота
вращения валов, мин-1 Мощность
двигателя, кВт Габаритные
размеры, мм: длина ширина высота Масса
смеситель, кг |
4,0...4,5 10 47...65 5,5 1500 576 1200 380 |
Бетоносмеситель гравитационно-принудительного действия (рис. 3) [2, 5, 6] состоит из
корпуса цилиндрической формы, к внутренней поверхности которого прикреплены
лопатки, установленные рядами по периметру вдоль всей его длины. В середине корпуса размещен горизонтальный вал со
своими лопатками, которые закреплены на нем по винтовой линии. Корпус смесителя
и лопастной вал вращаются в противоположных направлениях.
Таким образом, в
данной машине использованы конструктивные особенности как гравитационного, так
и смесителя принудительного действия.
Корпус
бетоносмесителя 14 (рис. 3)
через подшипниковые узлы 10, горизонтальный вал 17 и роликоопоры 9 опирается на
раму 19. К внутренней поверхности корпуса 14 прикреплены лопатки 16. В центре
корпуса расположен горизонтальный вращающийся вал 17 с лопатками 18.
Бетоносмеситель
гравитационно-принудительного действия работает следующим образом. От
электродвигателя 1 через клиноременную передачу 2 передается крутящий момент к
редуктору 5. В свою очередь от вала редуктора 5 через муфту 7, начинает
вращаться горизонтальный вал 17 с закрепленными на нем лопатками 18. От
электродвигателя 3 через клиноременную передачу 4 передается крутящий момент к
редуктору 6. Далее крутящий момент от вала редуктора 6 через муфту 8 приводит
во вращение корпус бетоносмесителя 14 с помощью цепной передачи, которая
состоит из звездочки 12, пружины-держателя звездочки 11 и цепи 13, закрепленной
на внешней поверхности корпуса 14. К
корпусу бетоносмесителя 14 прикреплена крышка 15, которая перекрывает
загрузочно-разгрузочное отверстие машины и, при необходимости, открывается или
закрывается.

Рис. 3. Принципиальная схема бетоносмесителя
гравитационно-принудительного действия
1, 3 – электродвигатель; 2, 4 – клиноременная передача; 5, 6 – червячный редуктор; 7, 8 – втулочно-пальцевая муфта; 9 – роликоопоры;
10 – подшипниковые узлы; 11 – пружина-держатель звездочки; 12 – звездочка; 13 – цепь; 14 – корпус; 15 –
крышка; 16 – лопатки корпуса; 17
– вал;
18 – лопатки вала; 19 – рама бетоносмесителя
В рабочее пространство корпуса смесителя с
прикрепленными к нему лопатками и вращающимся в это время горизонтальным
лопастным валом загружаются исходные компоненты строительной смеси. Когда
лопатки корпуса смесителя при его вращении поднимаются в верхнюю часть рабочего
пространства машины частицы смеси свободно сходят с их поверхности, попадая на
лопатки вращающегося вала, установленные навстречу лопаткам корпуса. С лопаток
вала частицы смеси снова уже принудительно падают на лопатки вращающегося корпуса
машины, и процесс их движения повторяется. Такое движение частиц смеси в
рабочем пространстве смесителя между левой и правой торцевыми стенками
обеспечивает каскадный режим работы машин
На рис. 4 представлен общий вид бетоносмесителя гравитационно-принудительного
действия.
В таблице 2 приведена техническая
характеристика бетоносмесителя гравитационно-принудительного действия.

Рис. 4. Общий вид бетоносмесителя гравитационно-принудительного
действия
Таблица
2 – Техническая характеристика бетоносмесителя
гравитационно-принудительного действия
|
Наименование
|
Значение |
|
Производительность,
м³/ ч Максимальный
размер заполнителя, мм Частота
вращения лопастного вала, мин-1 Частота
вращения корпуса смесителя, мин-1 Мощность
двигателя, кВт Габаритные
размеры, мм: длина ширина высота Масса
смесителя, кг |
4,0...4,5 10…20 50...60 15…20 4,0 1400 600 1300 140 |
Бетоносмесители, работающие в каскадном
режиме, позволяют:
- готовить однородные строительные
смеси разного назначения;
- совмещать процесс приготовления смесей с
активацией ее составляющих;
- создавать машины небольшой
металлоемкости и небольших габаритов;
- максимально использовать рабочее
пространство смесителей, доведя коэффициент заполнения объема кзо до 0,7…0,8.
Бетоносмесители нового поколения могут
работать как самостоятельные машины, так и машины, входящие в состав
бетоносмесительных узлов и отделений, заводов; как независимые
бетоносмесительные установки, так и входящие в состав технологических
комплектов оборудования.
Приводная часть вышерассмотренных
бетоносмесителей может быть существенно упрощена за счет установки
мотор-редукторов.
Рассмотренные машины малой
производительности, которые предназначены для приготовления смесей небольших
объемов и предназначены для эксплуатации в условиях строительных площадок.
При необходимости принцип действия
бетоносмесителей нового поколения может быть использован для создания машин
повышенной производительности.
Как трехвальный бетоносмеситель, так и
бетоносмеситель гравитационно-принудительного действия прошли апробацию в
производственных условиях при приготовлении сухих, подвижных и малоподвижных
бетонных смесей; при приготовлении бетонных смесей с полиакриловой,
полипропиленовой и углеродистой фиброй. Получены смеси с высокими
физико-механическими показателями, что дает основание рекомендовать машины с
новым принципом действия для широкого внедрения в строительство.
Литература
1. Емельянова И.А., Доброходова О.В., Анищенко А.И.
Современные строительные смеси и оборудование для их приготовления. Учеб. Пособие
– Х.: Тимченко, 2010. – 146 с.: ил., табл.
2. Емельянова И.А., Анищенко А.И., Евель С.М., Блажко
В.В., Доброходова О.В., Меленцов Н.А. Бетоносмесители, работающие в каскадном
режиме. Монография – Харьков: Тим Паблиш Груп, 2012. – 146 с. ил., табл.
3. Змішувач для приготування будівельної суміші: А.с.
№74444 С2, Україна. МПК 7 В 28 С5 / 14 / І.А Емельянова, А.М. Баранов, В.В.
Блажко, В.В. Тугай; - № 20031213023 Заявл. 30.12.03; Опубл. 15.12.05, Бюл. № 12 – 2 с.: ил.
4. Емельянова И. А., Блажко В. В., Доброходова О. В., Анищенко А. И. Особенности работы бетоносмесителей в каскадном режиме // Труды Международной научно-технической
конференции «Интерстроймех ‒ 2009». – Кыргызстан, Бишкек, 2009. – С. 90 – 95.
5. Патент на винахід України
«Спосіб приготування будівельних сумішей» № 101953 від 27.05.2013, Ємельянова
І.А., Блажко В.В.,
Аніщенко А.І.
6. Патент на винахід України
«Змішувач для приготування будівельної суміші» №101773 від 25.04.2013, авторів:
І.А Емельянова, В.В. Блажко,
А.І. Аніщенко.