к. т. н. Д. А. Нехорошев, к. т. н.
Д. Д. Нехорошев
ИСПОЛЬЗОВАНИЕ
УПРУГОДЕМПФИРУЮЩИХ ЭЛЕМЕНТОВ В ТРАНСМИССИИ КОЛЁСНОГО ТРАКТОРА
Волгоградский
государственный аграрный университет, Россия
Эффективным способом увеличения производительности
машинно - тракторного агрегата (МТА) является повышение мощности двигателя и
рабочих скоростей движения тракторов. Однако с повышением скоростей движения
машинно - тракторных агрегатов возрастают амплитуда и частота колебаний
крюковой нагрузки. Неравномерная крюковая нагрузка, вызывает колебания скорости
вращения коленчатого вала двигателя, интенсивное буксование муфты сцепления и
движителей, увеличение нагрузки на детали трансмиссии а, следовательно,
снижение мощности и увеличение расхода топлива двигателя.
Вопросы рационального сочетания номинальной
эксплуатационной мощности двигателя при одновременном снижении динамических
нагрузок в трансмиссии, обостряют проблему выбора рациональных режимов работы машинно
- тракторного агрегата.
Поэтому для
предохранения трансмиссии от колебаний, возникающих, в системе двигатель -
трансмиссия, применяются специальные демпфирующие устройства. Характерной
особенностью, которых является наличие упругого пневмогидравлического элемента,
обеспечивающего уменьшение собственных частот колебаний силовой передачи.
Влияние
упругого пневмогидравлического элемента на эксплуатационные показатели
колесного трактора класса 1,4 отражено в работах [1, 2], которые подтверждают,
что применение упругих элементов в трансмиссии колесного трактора повышают
производительность машинно - тракторного агрегата (МТА) на 16 %, удельный
расход топлива снижается на поле под посев на 16 %, на стерне - на 15 %, при
движении по асфальту - на 5%.
В настоящее время созданы качественно новые эластичные приводы для
энергонасыщенных колесных тракторов работающих на высоких скоростях. В этих
приводах в качестве упругого элемента используются пневмогидравлические
аккумуляторы (ПГА) с не линейной характеристикой [3].
Радикальным средством повышения эффективности
трансмиссионной установки сельскохозяйственного трактора тяговой концепции
является введение в трансмиссию трактора упруго - демпфирующего
механизма в виде планетарной муфты сцепления с упругим пневмогидравлическим
элементом. Муфта сцепления (рис.1)
предназначена для плавного трогания и снижения динамических нагрузок в
трансмиссии МТА при разгоне, а так же для выполнения защитных функций от
колебаний внешней нагрузки.

Рисунок 1 - Планетарная
муфта сцепления
1-маховик;
2-болт; 3-коронная шестерня; 4-сателлиты; 5-солнечная шестерня; 6-шестерня
ведущая;7-вал силовой передачи; 8-водило.
Она легко устанавливается в
трансмиссию трактора без изменения и доработки существующих узлов. Коронная
шестерня 3 с помощью болтов 2 крепится к маховику 1. Водило 8 планетарного
механизма, соединяется шлицами с валом 7 силовой передачи. Солнечная шестерня 5
внутренними шлицами соединяется с ведущей шестерней 6 привода гидравлического
насоса. В качестве устройства блокирующего солнечную шестерню планетарного ряда
муфты выбран гидронасос, а упругого устройства, способного сглаживать ударные
воздействия - пневмогидравлический аккумулятор,
Для обеспечения работоспособности планетарной
пневмогидравлической муфты сцепления, направленной на обеспечение передачи
мощности двигателя к движителям (включения муфты сцепления), необходимо
приложить со стороны привода гидронасоса к солнечной шестерне тормозной момент,
равный реактивному моменту на ней при передаче всей мощности к водилу
планетарного ряда и дальше к первичному валу коробки передач.
Если момент двигателя, реализуемый через муфту
сцепления, МД, то реактивный момент солнечной шестерни будет
МС=
,
где
к - внутреннее передаточное число планетарного ряда. МД – момент,
реализуемый двигателем, Н∙м; МС - реактивный момент солнечной шестерни,
Н∙м.
Момент навалу насоса при наличии зубчатого привода,
связывающего его с солнечной шестерней, с передаточным числом iпр
,будет равен.
МН
=
,
где
МН – момент на валу насосной шестерни, Н∙м; iпр –
передаточное число привода; ηпр – к.п.д. привода;
Тогда блокирующее давление в нагнетающей магистрали
можно определить выражением.
P=
,
где Р - давление в нагнетающей магистрали МПа; F - площадь нагнетательной поверхности зуба, м2;
rшн –
радиус делительной окружности шестерни насоса, м.
Скорость нарастания тормозного момента солнечной
шестерни и момента на ведущем валу коробки передач, должна обеспечивать
снижение времени разгона, а также способствовать снижению динамической
составляющей крюковой нагрузки при анизатропности свойств обрабатываемого
материала и фона, на котором работает МТА.
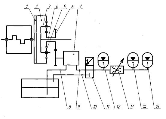
Принцип работы муфты сцепления поясняется с помощью (рис. 2).

Рис. 2 Муфта сцепления с пневмогидравлическим упругим
элементом
1-маховик; 2-планетарный редуктор; 3-водило; 4-вал
силовой передачи; 5-сателлиты; 6-солнечная шестерня; 7-гидронасос;
8-всасывающая магистраль; 9-нагнетательная магистраль; 10-сливная магистраль;
11-распределитель; 12,14,15-пневмогидревлические аккумуляторы;
13-гидравлический клапан.
Крутящий
момент от моховика 1 передается на коронную шестерню планетарного редуктора 2
она, начинает вращаться и передает вращение на сателлиты 5, приводя в движение
солнечную шестерню 6 и привод масляного насоса 7, который вращаясь, закачивает
во всасывающую магистраль 8 масло из гидросистемы трактора. Оно под давлением поступает
в нагнетательную магистраль 9 и подходит к распределителю 11. Если же он открыт,
то масло поступает в гидроаккумулятор 12. Насос подает масло до тех пор, пока
давление масла не достигнет величины, уравновещивающейся давлением в
гидроаккумуляторе. В этом случае насос 7 остановится вместе с солнечной
шестерней 6, но при этом сателлиты 5 начнут вращаться вокруг своей оси, обегая
солнечную шестерню 6 и передают момент на водило 3 и вал силовой передачи 4.
Транспортное средство движется вперед.
При увеличении
крюковой нагрузки в трансмиссии вступает в работу регулируемый дроссель 13,
который направляет поток жидкости в магистраль, соединяющую пневмогидравлические
аккумуляторы 14 и 15 в единую демпфирующую систему. В процессе трогания накопленная энергия в
пневмогидравлических аккумуляторах периодически возвращается на элементы
трансмиссии. При этом происходит сглаживание колебаний крюковой нагрузки и
плавное перемещение транспортного средства. В зависимости от сложности выполняемой
работы степень дросселирования регулируется.
Дополнительные объемы 14 и 15 в сочетании с
пневмогидравлическим аккумулятором 12 и дросселем 13 позволяют защищать
двигатель и трансмиссию транспортной машины от пиковых динамических нагрузок не
только в начале разгона, но и в процессе установившегося движения, предотвращая
полную остановку двигателя с помощью регулируемого дросселя.
Исследования колесного трактора класса 1,4 оборудованного эластичным
приводом [4] проводились в условиях сельскохозяйственного производства на поле,
подготовленном под посев. Эксплуатация МТА оснащенного пневмогидравлической
системой демпфирования, благодаря снижению колебания крюковой нагрузки
увеличила реализуемую мощность на 15,6%.
Достигнутый эффект определяется стабилизацией тягового сопротивления и
возможностью двигателя реализовать в изменившихся условиях большую мощность.
Это обеспечивает увеличение производительности на 18% и снижение расхода
топлива на 14,5%.
Таким образом,
блок гидравлического демпфирования позволяет значительно уменьшить динамические
нагрузки, возникающие в трансмиссии и двигателе колёсного трактора.
1. Нехорошев, Д.А. Выбор и обоснование параметров
пневмогидравлического упругого элемента эластичного привода колёс трактора
класса 1,4 : дис. …канд. техн. наук. Волгоград: СХИ, 1990.- 220 с.
2. Нехорошев Д.Д. Повышение
эксплуатационных показателей МТА путем использования трактора с
пневмогидравлической муфтой сцепления: дис. канд. техн. наук. Волгоград: ВГСХА,
2004.- 210 с.
3. Нехорошев, Д.А.
Совершенствование пневмогидравлической планетарной муфты сцепления. / Д.А.
Нехорошев // Механизация и электрификация сельского хозяйства. -2011. - №10.-
С. 19-21.
4. Нехорошев, Д.А. Планетарная упругая муфта в трансмиссии колёсного
трактора класса 1,4 / Д.А. Нехорошев, Д.Д. Нехорошев // Достижения науки и
техники АПК. -2009. - №12.- С. 60-61.