A.Kainarbekov, G.Bergezhanova, B.Bakhtiyar
Almaty,
Kazakhstan
CALCULATE
THE CHANGE IN FUEL CONSUMPTION USED
IN THE INSTALLATION OF REGIONAL BOILER USING ALTERNATIVE
ENERGY SOURCES
Keywords:
regional boiler, heat source, useful boiler energy, sun energy,
sun collector, fuel consumption, enthalpy of water.
Regional boilers to
create one for heat supply for industrial and domestic and utilities,
also used to supplement heat load sin
terms of the system. Heat energy respectively heat and power plant for the
insertion of the regional of boilers go out a little money and you can build a
boiler for a short time. Therefore, before the firs threat of
the regionreferencesboilers. Before connecting the regions to the center
of the electro they are a source of heat, and after connecting the regions to the center
of the electric boilers are
used to supplement the heat load. In the
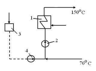
scheme¹1,simple contour image of regional boiler for
heating water.

1 -unit proved; 2nd A Adsorbed; 3-Set
the cooking water; 4- nutritional
ad somber.
Figure1-a simple circuit
design for heating water
In domestic boilers specifically sets the boiler for
hot water or steam boilers with low pressure (1.2-2.4Pa).In operation, the gas
is best used for heating the boiler water and when using fuel oil and solid
fuels is best to use boilers with low pressure.Can be used for the
technological needs in the form of a vapor and to heat water in a boiler
water-pair .It is necessary to take into account when choosing a domestic
boiler their best work, the complexity of using and expenditure money [2].
Of heat pipe to pipe adsorbed water return pipe to
heat the comes water used.Pipelines adsorbing water driving by a heating boiler
and heated by heat burning fuel(gas, solid fuel, fuel oil). To send heated
water to the consumer, you need to send to the thermal conductivity.In this
way, in boiler installing heated and cooled down the water in the heat sink
leads to a constant work.In order to fill the space with a flow of water
provides a potable water pipe.
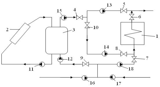
You can
reduce fuel consumption through the use of solar energy in the boiler
installation collector, and also will be less environmental and economic costs.
(2-scheme)

1-boiler installation; 2-nd solar collector; 3-third-tank accumulator; 4-10th
gate;
11-18-adsorbers.
Figure2nddrawing -simple
drawing application combining solar collector a for boiler installation
Burning fuel in the boiler installation:
(1)
-profitable
energy boiler
(2)
GB - Water flow in the boiler, hã.â - The enthalpy of hot
water from boiler, hõ.â -
ent haply cold water in boiler [3].
If using the sun collector raise few degrees and heat
the water temperature in the boiler in salvation that fuel economy exceeded by
several times. ( 1- scheme)
1-scheme. Calculationfuel economy.
|
¹ |
tx.b.
0C |
hx.b. |
Qk.a |
B,
m3\c |
B,m3\h |
|
1 |
75 |
313,97 |
32799,47 |
0,984711 |
3544,96 |
|
2 |
80 |
334,94 |
30644,22 |
0,920006 |
3312,021 |
|
3 |
85 |
355,96 |
28483,83 |
0,855146 |
3078,526 |
|
4 |
90 |
376,98 |
26323,44 |
0,790287 |
2845,032 |
|
5 |
95 |
398,04 |
24158,94 |
0,725304 |
2611,093 |
|
6 |
100 |
416,1 |
22302,78 |
0,669578 |
2410,479 |
|
7 |
105 |
440,2 |
19825,83 |
0,595214 |
2142,772 |
|
8 |
110 |
461,34 |
17653,11 |
0,529985 |
1907,944 |
|
9 |
115 |
482,53 |
15475,25 |
0,4646 |
1672,562 |
|
10 |
120 |
503,7 |
13299,44 |
0,399278 |
1437,401 |
|
11 |
125 |
525 |
11110,28 |
0,333555 |
1200,796 |
|
12 |
130 |
546,4 |
8910,833 |
0,267522 |
963,0809 |
|
13 |
135 |
567,7 |
6721,667 |
0,201799 |
726,4763 |
|
14 |
140 |
589,1 |
4522,222 |
0,135767 |
488,7608 |
|
15 |
145 |
610,4 |
2333,056 |
0,070043 |
252,1561 |
|
16 |
150 |
633,1 |
0 |
0 |
0 |
Conclusion: As
we can see on the table if we use environmentally friendly sun energy to heat
water consumers that the fuel consumption greatly reduced. Modern sun collector
including sun collector bring the water temperature up to 20000C.
As mall boilers can heat thewaterto a
temperature of1500C.
And sousing only the sun energy can achieve
environmental and economic achievements.
Literatures
1.
Lipov
U.M., Samoilov U.F., Vilenskii T.V. The line-upand thethermal design ofthe
steam boiler. – M.:Energoatomizdat. 1988
2. Esterkin R.I. Industrialboilers. – L.Energoatomizdat.
1985, Rivkin S.L., Aleksandrova A.A. Thermodynamic Properties ofWater and
Steam.
3. Reference book.- M.:Energoatomizdat. 1984
4.Kharchenko N.V.In divi dual solar
installation. M.:Energoatomizdat. 1991,210s