Технические науки/5.Энергетика.
Д.т.н.
Хрусталев В.А., аспирант Башлыков Д.О.
Саратовский государственный технический университет имени Гагарина Ю.А., Саратовский научный центр РАН, Россия
Пути повышения системной эффективности энергокомплекса на примере
комбинирования АЭС с реактором ВВЭР-СКДИ и ГТУ.
В настоящее время в России и ряде
зарубежных стран начата разработка реакторов, охлаждаемых сверхкритической
водой, с интегральной компоновкой первого контура. Создание подобных
водо-водяных энергетических реакторов со сверхкритическими параметрами реакторной
воды и регулируемым спектром нейтронов предусмотрено в Энергетической стратегии
России, которая была утверждена распоряжением Правительства Российской
Федерации от 13.11.2009 г. В июле 2011 г. Россия подписала системное соглашение
Международного форума «Поколение-4» (GIF) по развитию направления реакторов с
водой сверхкритического давления SCWR. Заявлено, что реакторы ВВЭР-СКДИ
позволяют выдавать пар в голову турбины с давлением 120-160 бар и температурой
380 oC. В статье рассмотрены некоторые
пути повышения эффективности второго контура АЭС с реактором типа СКДИ и
турбоустановкой К-600-14,0/3000 [1] (рис. 1) за счет, в том числе
комбинирования АЭС и ГТУ.
Турбоустановка рассматриваемой АЭС с реактором
ВВЭР-СКДИ имеет ряд существенных отличий по сравнению с эксплуатируемыми сейчас
станциями с ВВЭР: повышенные начальные параметры пара (p0=14МПа, t0=380OC) и температура воды на входе в парогенератор (253 оС);
процесс расширения начинается из области перегретого пара. В связи с
безнасосной циркуляцией в реакторах данного типа, трудностью регулирования
встроенных парогенераторов, а также повышенными параметрами перед ЦВД турбины,
участие таких энергоблоков в регулировании графиков нагрузки более целесообразно
при постоянной мощности реактора. [2,3]
Одним из наиболее перспективных
направлений в решении проблемы повышения маневренности и эффективности является
комбинирование ГТУ с энергоблоками АЭС, позволяющее наиболее глубоко
утилизовать уходящие газы ГТУ в схеме ПТУ АЭС, повышая при этом ее мощность и
КПД. ГТУ обладают хорошей маневренностью и на сегодняшний день выгодно
использовать их для энергообеспечения пиковых потребителей. Особенностью работы
ГТУ является также зависимость ее выходной мощности от температуры наружного
воздуха, что особенно важно для осенне-зимних пиков потребления электрической и
тепловой мощности. [4]

Рис.1. Принципиальная тепловая схема (ПТС)
турбоустановки К-600-14,0/3000 [1]: 1- уплотнение штоков клапанов; 2- блок
клапанов; 3- ЦВД; 4- уплотнение вала; 5- сепаратор; 6- две ступени
промежуточного перегрева пароперегревателя; 7- ЦНД; 8- конденсатор;9-
конденсатный насос; 10- эжектор уплотнений; 11- основной эжектор; 12- блочная
обессоливающая установка; 13- конденсатор пара эжекторов;14- ПНД; 15- дренажный
насос; 16- конденсатор турбопривода; 17- турбопривод питательного насоса; 18-
питательный насос; 19-деаэратор; 20- ПВД.
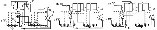
Рассмотрим три варианта комбинирования ПТС
турбоустановки К-600-14,0/3000 и ГТУ (на примере турбоустановки ГТ-180):
1)замещение второй ступени перегревателя и последнего ПВД (1ПП+1ПВД);
2)замещение второй ступени перегревателя и двух последних ПВД (1ПП+2ПВД);
3)замещение двух ступеней перегревателя и одного ПВД (2ПП+1ПВД). Для этого
необходимо использовать два вида теплообменников: газо-паровой (ГПП) и
газо-водяной (ГВП).
|
1) |
2) |
3) |
Рис.2. Варианты комбинирования тепловой
схемы турбоустановок АЭС и ГТУ.
Из расчета схем ГТУ и турбоустановки
К-600-14,0/3000 были определены параметры газа и рабочего тела (пар, вода) для расчета ГПП и ГВП (Таблица1):
Таблица 1. Параметры рабочего тела и греющего газа,
необходимые для расчета ГПП.
|
Наименование параметра |
Варианты комбинирования |
||
|
1ПП+1ПВД |
1ПП+2ПВД |
2ПП+1ПВД |
|
|
Энтальпия пара на входе в ГПП, кДж/кг |
2977,9 |
2977,7 |
2752,7 |
|
Энтальпия пара на выходе ГПП, кДж/кг |
3188,9 |
3188,9 |
3188,9 |
|
Расход пара на входе в ГПП, кг/с |
524,15 |
555,33 |
568,07 |
|
Температура газов на выходе из газовой турбины, оС |
544,7 |
||
|
Расход газа на выходе из газовой турбины, кг/с |
617,4 |
||
Из баланса ГПП определяется температура
газа на выходе из подогревателя:
|
|
(1) |
где tгвых, tгвх
- температуры газов на выходе и
входе в подогреватель, оС; Dр.т.- расход рабочего тела, кг/с; hр.т.вых, hр.т.вх - энтальпии
газов на выходе и входе в подогреватель, кДж/кг; Gг- расход газа, кг/с; сгр- удельная теплоемкость газа, кДж/(кг*
оС).
Температуру выходящих из ГПП газов
принимаем равной температуре на входе ГВП. По данным, полученным из расчета тепловой
схемы, и температуре на входе ГВП определяем температуру газов на выходе из
подогревателя (формула 1). Аналогичным образом определяем температуру газа на
выходе из ГВП. Результаты сведены в таблицы 2,3.
Таблица 2. Параметры воды для
расчета ГВП.
|
Наименование параметра |
Варианты комбинирования |
||
|
1ПП+1ПВД |
1ПП+2ПВД |
2ПП+1ПВД |
|
|
Энтальпия воды на входе в ГВП, кДж/кг |
978 |
857 |
978 |
|
Энтальпия воды на выходе ГВП, кДж/кг |
1100 |
1096 |
1100 |
|
Расход воды на входе в ГВП, кг/с |
854,8 |
775,6 |
854,8 |
В случае если температура уходящих газов
недостаточна для подогрева рабочего тела паротурбинного контура, необходимо предусмотреть
дожигающее устройство (ДУ) на выходе из ГТ. Итеративным методом определяются
необходимые температуры на входе в ГПП.
Таблица 3. Результаты расчета
ГПП и ГВП
|
Наименование параметра |
Варианты комбинирования |
||
|
1ПП+1ПВД |
1ПП+2ПВД |
2ПП+1ПВД |
|
|
Температура газов на входе в ГПП,оС |
564,7 |
684,7 |
761,7 |
|
Температура газов на выходе ГПП, оС |
399,6 |
514,2 |
400,1 |
|
Температура газов на выходе ГВП, оС |
236,3 |
230,5 |
236,8 |
Как видно из таблицы 3, в каждом варианте
потребовалось установить ДУ. Для определения эффективности комбинирования
необходимо определить дополнительный расход топлива, подаваемого на ДУ (формула
2) [5]:
|
|
(2), |
где Bдоп -
дополнительный расход топлива, подводимого к ДУ, кг/с; Gг-расход
топлива, кг/с; t, t'- температура газа до и после ДУ, оС; с,
с' - удельная теплоемкость газа до и после ДУ, Дж/(кг* оС); Qнр- низшая теплота сгорания рабочего топлива, Дж/кг;
ηд.у- КПД ДУ.
Абсолютный внутренний КПД комбинированной
установки определяется по формуле 3:
|
|
(3), |
где ηiПГУ -
абсолютный внутренний КПД комбинированной установки; lгц – удельная работа газового цикла, кДж/кг; d – относительный расход рабочих тел – пара в ПТУ и
газа в ГТУ, то есть d=Gп/Gг; lпц -
удельная работа парового цикла, кДж/кг; q1г- подведенная удельная теплота в газовой части
парогазового цикла, то есть в камере сгорания (КС) и ДУ, кДж/кг; q1АЭС - подведенная удельная теплота в паровой части
парогазового цикла, то есть в реакторной установке, кДж/кг.
Таблица 4. Основные результаты
расчета комбинированного цикла (для типовых схем с СПП, (рис. 1)).
|
Наименование параметра |
Варианты комбинирования |
|||
|
1ПП+1ПВД |
1ПП+2ПВД |
2ПП+1ПВД |
||
|
Абсолютный внутренний КПД, % |
42,6 |
42,1 |
41,9 |
|
|
Прирост мощности ПТУ, МВт |
85,4 |
115,2 |
135 |
|
|
Общий расход топлива на ГТУ, кг/с |
15,3 |
18,4 |
20,43 |
|
Как видно из таблицы 4, схема
комбинирования 1ПП+1ПВД является наиболее эффективной с точки зрения
термодинамики.
Важнейшее
значение для повышения маневренности и эффективности исследуемого энергокомплекса
имеет тепловая схема ПТУ АЭС. Одним из путей повышения эффективности ПТС является выбор системы
влагоудаления. Рассмотрим вариант
изменения системы влагоудаления (замена СПП с двумя ступенями промежуточного
перегрева пара на иные способы).
Высокие
начальные параметры пара, обеспечиваемые реактором ВВЭР-СКДИ позволяют
поставить вопрос об анализе эффективности тепловой схемы, используемой на
современных АЭС с ВВЭР в отношении ПТУ, работающих на таких параметрах. Важным
направлением совершенствования в этом случае является создание новых
эффективных систем влагоудаления.
Проведем сравнение трех вариантов тепловой
схемы турбоустановки К-600-14,0/3000, которая отличается повышенным давлением и
перегревом свежего пара (рис.3):

1) 2) 3)
Рис.3.
Рассматриваемые ПТС второго контура АЭС ВВЭР-СКДИ: 1)традиционная схема
с использованием сепаратора-пароперегревателя (СПП); 2) схема с двойной
сепарацией (С+С); 3) схема, в которой при первом разделительном давлении ставится
сепаратор с одной ступенью перегрева пара, а на второй- сепаратор (СП+С). 1-
ЦВД; 2- ЦНД; 3- электрический генератор; 4- конденсатор; 5- ПНД; 6- ПВД; 7-
турбопривод питательного насоса; 8- деаэратор;9- конденсатный насос; 10-
питательный насос; 11- блок клапанов; 12- первая ступень промежуточного
перегрева; 13- вторая ступень промежуточного перегрева; 14- сепаратор.
Таблица 5. Основные результаты
расчета вариантов тепловой схемы турбоустановки К-600-14,0/3000:
|
Параметр |
обозначение |
СПП |
С+С |
СП+С |
|
Электрическая мощность, МВт |
Nэ |
602,3 |
606,5 |
616,7 |
|
Электрический КПД нетто, % |
ηЭнетто |
38,76 |
39,03 |
39,68 |
|
Работа цикла, кДж/кг |
LЦ |
711,76 |
716,7 |
728,7 |
|
Расход пара перед ЦСД, кг/с |
DЦСД |
432,75 |
496,08 |
458,48 |
|
Расход пара перед ЦНД, кг/с |
DЦНД |
404,34 |
396,89 |
|
|
Расход пара в конденсатор, кг/с |
Dк |
368,8 |
367,29 |
375,69 |
Как видно из таблицы 5, вариант СП+С
является наиболее эффективным с точки зрения КПД и влагоудаления.
Ранее, в таблице 4 рассмотрена
эффективность вытеснения подогрева пара в типовом СПП уходящими газами ГТУ в
вариантах с дополнительным вытеснением одного (или двух) ПВД.
Так как результаты расчетов по
эффективности влагоудаления показали,
что вариант установки СПП не всегда самый эффективный, то целесообразно
рассмотреть несколько вариантов вытеснения подогрева пара уходящими газами ГТ
соответственно варианту СП+С (рис. 3.3, таблица 5)
В этом случае также рассмотрим 3 варианта
комбинирования (рис.4): 1)замещение ступени перегревателя и последнего ПВД
(1ПП+ПВД1); 2)замещение двух последних ПВД (ПВД1+ПВД2); 3)замещение второго и
третьего ПВД (ПВД2+ПВД3)
|
|
||
|
1) |
2) |
3) |
Рис.4. Варианты комбинирования тепловых
схем турбоустановок ПТУ (вариант СП+С) и ГТУ.
Таблица 6. Результаты расчета
при схеме влагоудаления “СП+С”:
|
Наименование параметра |
1ПП+ПВД1 |
ПВД1+ПВД2 |
ПВД2+ПВД3 |
|
|
Абсолютный внутренний КПД,
% |
41,1 |
42,78 |
42,28 |
|
|
Прирост мощности ПТУ, МВт |
58,4 |
85,3 |
74,6 |
|
|
Общий расход топлива на ГТУ,кг/с |
15,3 |
14,8 |
14,8 |
|
|
Коэффициент теплопередачи в
ГПП, Вт/(м2·ОС) |
21,2 |
- |
- |
|
|
Коэффициент теплопередачи в
ГВП, Вт/(м2·ОС) |
31,8 |
32,7 |
33,1 |
|
Отметим, что установка ДУ потребовалась
только в варианте 1ПП+ПВД1.
Как видно из таблицы 6 вариант ПВД1+ПВД2
является наиболее эффективным из анализированных. К тому же в случае ПВД1+ПВД2
нет необходимости использовать ДУ. Введение дожигающего устройства – это
предмет дополнительного согласования и лицензирования. В большинстве случаев
намного рациональнее подобрать ГТУ с необходимыми параметрами или дефорсировать
ближайшую по параметрам ГТУ.[5]
Результаты анализа показывают, что
термодинамически комбинирование АЭС и ПГУ безусловно выгодно. Однако для более
полной оценки необходимо учесть: стоимость новых теплообменников и их габариты,
а также экономическую эффективность выработки пиковой мощности с учетом
перспективных тарифных планов. При этом необходимо исследовать оптимальный
режим работы такого энергоблока с учетом использования его для регулирования
переменной части графика с суточной и недельной неравномерностью. Так же нужно
учитывать, что при резервном подключении генератора ГТУ на собственные нужды АЭС
уменьшается вероятность нарушения
бесперебойного питания ответственных потребителей собственных нужд в аварийных
ситуациях. Однако с этой целью для ГТУ должен быть предусмотрен резервный
утилизатор тепла.
Список литературы
1.
Силин В.А., Зорин В.М., Тагиров А.М., Трегубова О.И., Белов И.В., Поваров П.В.
О тепловой схеме энергоблока АЭС с реактором, охлаждаемым водой
сверхкритического давления // Теплоэнергетика, 2010, №12.-С. 32-37.
2. А. с. 1060798 СССР, МКИ3 F 01 K 23/10. Парогазовая
установка / В. А. Хрусталев, О. И. Демидов, М. С. Доронин (СССР). – №
3479782/24–06 ;заявл. 05.08.82 ; опубл. 15.12.83, Бюл. № 46. – 3 с. : ил.
3. Аминов Р.З.,
Хрусталев В.А. АЭС с ВВЭР: режимы, характеристики, эффективность: учеб. пособие
// Р.З. Аминов, В.А.Хрусталев, А.С. Духовен-ский, А.И. Осадчий – М.:
Энергоатомиздат. 1990 г. 264 с.
4. Нуждин В.Н., Просвирнов А.А. Союз атома и газа //
Материалы инновационного форума
Росатома, 2007.-С. 28-33.
5. Цанев С.В., Буров В.Д., Ремезов А.Н. Газотурбинные
и парогазовые тепловые электростанции. М: Издательский дом МЭИ, 2009. 584 с.