Калыбаева
А.Қ. т.ғ.к., Бектас Д.Б. т.ғ.магистрі, Мұратов Е.М.,Әли
Ж.
(Қорқыт
Ата атындағы ҚМУ, Қызылорда қаласы)
ЭЛЕКТР
ЭНЕРГИЯСЫН СЫМСЫЗ БЕРУДІҢ ӘДІСІ
Электр энергиясын
беру әдістерінің шығу тарихы. 1821 жылы Майкл Фарадей магниттiң токтағы өткiзгiш бойымен айналатынын
және токтағы өткiзгiштiң магнит бойымен айналатынын
бақылап, электр қозғағыштың алғашқы
моделiн жасады. 1831 жылы барлық тұрақты және айнымалы
ток генераторларының жұмысы негiзделген - электромагниттiк
индукцияны ашты.
1860-1865 жылдары Максвелл
электромагниттік құбылыстардың негізгі
заңдылықтарын сипаттайтын теңдеулер (Максвелл
теңдеулері) жүйесі ретінде құрастырған
электромагниттік өріс теориясын жасады: бірінші теңдеу
Фарадейдің электромагниттік индукциясын білдірді; екіншісі - ығысу
тогы түсінігі негізінде Максвеллдің өзі ашқан магнитоэлектрлік индукцияны білдірді;
үшіншісі - электр мөлшерінің сақталу заңы;
төртіншісі - магниттік өрістің құйындық
қасиеті. Осы ойларды дамыта отырып, Максвелл мынадай
қорытындыға келді: магнит және электр өрістерінің
кез - келген өзгерістері қоршаған кеңістікті сүзіп
өтетін күш сызықтарының өзгеруін туындатуы керек,
яғни ортада таралатын импульстер (немесе толқындар) болуы керек.
Осы толқындардың таралу жылдамдығы ортаның магниттік
және диэлектрлік өтімділігіне тәуелді болып, электромагниттік
бірліктің электростатикалық бірлікке қатынасымен
анықталды. Электромагниттік толқындардың табиғатта бар екеніне Максвелл сенімді еді. Максвелл теориясына сол
замандағы физиктердің басым көпшілігі сияқты
алғашқыда күмәнмен қараған неміс
ғалымы Генрих Герц 1887 - 1888 жылдары электромагниттік
толқындардың бар екенін эксперимент жүзінде ашты.
Тесла трансформаторы - Тесланың катушкасы деп те
аталатын Никола Тесланың ойлап тапқан құралы. Бұл
құрал жоғары жиіліктегі жоғары кернеуді өндіретін
резонансты трансформатор болып табылады. 1896 жылы 22 қыркүйекте бұл
құрал «Жоғары
жиіліктегі ток пен потенциалды өндіретін аппарат» деген атпен патенттелінді
[1].
Электр
энергиясын берудің заманауи әдістері
1. Электромагниттік
индукция әдісі. Тұйық
өткізгіш контурда оны тесіп өтетін магнит өрісінің
өзгеру нәтижесінде электр тогының пайда болуы -
электромагниттік индукция деп аталады.
Сымсыз түрде электр энергиясын берудің
электромагниттік индукция әдісі, элекромагниттік өріс толқынының
6/1 - дегі ара қашықтықта электр энергиясын тасымалдайды.
Мысал ретінде трансформаторды алайық. Ол екі орамнан және
ферромагнитті өзекшеден тұрады. Трансформация кезінде бірінші
орамындағы энергия екінші орамға өздік индукция арқылы
беріледі. Яғни бұл әдіс арқылы энергияны тек қана
жақын арақашықтықта сымсыз түрде тасымалдай
аламыз. Бұл мәселенің шешімі «Резонанс құбылысы»,
яғни арақашықтықты резонанс арқылы арттыра
аламыз. Ол үшін таратқыш пен қабылдағышты бір жиілікке
келтіру қажет. Егер токтың басқару толқынының
формасын синусоидалыдан синусоидалы емес өтпелі толқын формасына
өзгертсек, өнімділігін едәуір арттыруға болады.
Импульсті энергия тарату бірнеше цикл ішінде орындалады. Осылайша екі
өзара байланысқан кіші коэффициенттегі LC - тізбектері арасында аса
жоғары қуат таратылуы мүмкін.
Қарапайым қолданыста бұл әдісті
ұялы телефондарды, медициналық имплантанттарды және
электромобильдерді т.б құралдарды зарядтау үшін
қолданылады [2][3].
2. Электростатикалық
индукция әдісі. Электростатикалық
немесе сыйымдылық байланысы диэлектрик арқылы электр
энергиясының өтуін сипаттайды. Практика жүзінде екі немесе
оданда көп бейтрапталған электрлік ұстатқыштар, электродтар
немесе түйіндер арасында болатын өткізгіш қабатының
үстінде орналасқан электрлік өріс немесе дифференциалды
сыйымдылық. Электрлік өрісі жоғары жиіліктегі және
жоғары потенциалдағы айнымалы ток арқылы зарядталған
пластиналармен пайда болады. Екі электрод пен қоректендіруші
құралдың арасындағы
сыйымдылық потенциалдар айырмашылығын тудырады.
Электростатикалық индукция әдісі таратылған энергия қабылдағыш
құралдарда қолданылуы мүмкін. Мысалы сымсыз шамдарда.
3. Микротолқынды
сәулелену. Радиотолқынды энергия таратуда
таратқыш пен қабылдағыш арасын едәуір ұзартып,
және электромагниттік толқынның ұзындығын
қысқартсақ, яғни
микротолқынды диапазонға дейін, онда біз барынша
бағытталған, әсерлі энергия тасымалын аламыз. Осылайша
тасымалданған микротолқынды энергияны қайтадан электр
энергиясына айналдыру үшін ректенна пайдаланылады. Бұл
айналдырудың ПӘК-і 95% - дан
астам. Мұндай әдіс орбиталды күн электр станцияларынан жерге
энергия жіберу үшін және
жер орбитасынан шығып бара жатқан ғарыш кемелерін электр
энергиясымен қамтамасыз ету үшін ұсынылған болатын. Микротолқынды
сәулелену әдісінің кемшілігі және қиындығы
ол ғарыш саласында, яғни ғарыштан энергия жіберу үшін
бізге таратқыштан 10 есе үлкен қабылдағыш керек [4][5].
Электр энергиясын
берудің альтернативті әдісі. (Электромагниттік
индукция мысалында). Берілген әдіс арқылы электр энергиясын беру
үшін бізге мына заттар қажет:


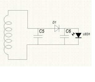
1
Сурет - Орамалар (катушкалар) 2
Сурет. Транзистор (BD139,BD137 ….)

3 Сурет - Конденсаторлар
(полярлы емес) 4
Сурет - Резистор
(5,6 кОм немесе
5,1кОм)
5 Сурет - Тақша (плата) 6 Сурет - Қореқ көзі
(6 В -
9 В арасында)

7 Сурет - Жарық диоды (кез - келген)

8 Сурет - Тәжірибе жүзіндегі
сұлба
Біздің ұсынып отырған сымсыз электр
энергиясын тасымалдау әдісінің пайдалы жақтары өте
көп. Мысалы күнделікті тұрмыста, электр энергиясын тарату
желілерінде қолдану өте тиімді.
Яғни, энергияны желілік сымдарсыз тарату әлдеқайда
қолайлы және бір жағынан желілік сымдар үнемделеді, электр
энергиясымен қамтамасыз ету қиын аймақтарға энергия
көзі жеткізіледі. Мұндай энергия тасымалдау әдісі үшін
біз электромагниттік индукция заңы мен резонанс құбылысына
сүйене отырып жасадық. Берілген әдісте энергия шығыны
аз әрі қаржылай тұрғыдан да тиімді және
тағы бір айта кететін жағдай энергия тасымалы кезінде
бөгеттерден өту қабілеті жоғары. Практика жүзінде
біз әр түрлі материалдарды сынап көрдік. Оның ішінде
ағаш, пластмасса, гидроорта, қағаздар, металдар пайдаланылды.
Жобамыздың артықшылығының бірі осы. Қазіргі кезде электр энергиясы
төңірегіндегі тақырыптар өте жоғары
маңызға ие. Сондықтан ұсынып отырған энергия тасымалдау түрінің болашағы зор.
Summary
The proposed wireless transmission of electricity we have a
lot of useful information. For example, it can be installed in power plants,
and use in everyday life. That is to transfer energy without wires easier and
easier. It will be possible to transmit energy over long, difficult places, and
on the other hand is acceptable to save linear wire. Such transmission of
electricity we used the resonance effect on the law of electromagnetic
induction. In the process of the electricity transmission losses are very
small, and financially acceptable. And another advantage of our method is to
avoid obstacles. In practice, we use different materials. We used wood,
plastic, paper, metal and even water obstacle. After that, we started thinking
about the impact on human electromagnetic waves. In our project used low power,
high-power theory, this should not influence people. Nowadays topics in the
field of energy are highly relevant. Therefore, we hope that this method will
have a bright future.
Әдебиеттер:
1.
Наталья Ковалевская.«Держатели плазмы»
//Власть денег Март 2007 (№ 123)
http://www.depo.ua/ru/vlast
-deneg/2007_vd/2007_3_vd/99_vtoc/vdart1791.htm.
2.
Шамиль Гареев. «Электричество будет передаваться без
проводов»
//Великая Эпоха 12.06.2007 http://www.epochtimes.ru/content/view/11092/5/
3. Владимир Заманский. «Киевский Тесла» //
«Газета по-киевски» 15.09.2007 - Статья об инженере,
повторившим опыт Теслы по беспроводной передаче электричества. http://pk.kiev.ua/city/2007/09/15/130048.html.
4.«Бесконтактная технология передачи энергии
CPS®(Contactless Power System) компании VAHLE» (англ.)
http://www.vahle.de/errorpage.html.