Айтбаева З.К.
Тараз мемлекеттік университеті, Казахстан
ҚАТТЫ
ТҰРМЫСТЫҚ ҚАЛДЫҚТАРДЫ СҰРЫПТАУ
Қатты
тұрмыстық қалдықтарды толық
зарарсыздандырудың бірінші кезеңінде көрсетілген
үлгідегі сұрыптау тәсілі көрсетілген.
Оған:
-
ҚТҚ-да
радионуклидтерді бақылайтын арнайы жабдық;
-
ҚТҚ-ды автокөлікке тиеу үшін, ірі
көлемді қалдықтар таңдап алынған алаң, ол
қажет кезде ұсақталып, дезинфекцияланып, өңдеу үшін
тасымалдауға дайындалады;
-
қайта
өңдеуде тасымалдау үшін ұсақ
қалдықтарды сұрыптау және оларды дайындауды
қамтамасыз ететін сұрыптау әдісінің жолдары жатады.
Сұрыптау
және зарарсыздандыру үшін полигонға және жинау нысанына
келіп түсетін ҚТҚ-ң морфологиялық
құрамын қарастырайық:
-
шіритін
тамақ өнімдерінің қоспасы - жеміс, тамақ
қалдықтары, сүйектер және т.б. жыл мезгіліне байланысты
- 28-35%;
-
целлюлоза
талшықтары - картон, қағаз - 10-15%;
-
ағаштар
-5-7%;
-
жарамсыз
мақта тоқымалары - 2%;
-
жарамсыз
синтетикалық материалдар тоқымасы - 2-3%;
-
шишалардың
барлық түрлері - 2-4%;
-
темір
сынықтары - 5,0-10%;
-
түсті метал
қалдықтары - 1-1,5%;
-
барлық типтегі аккумулятордың және
гальваникалық элементтер- 0,01%;
-
пластикалық
масса - 5-8%;
-
кұрылыс
қалдықтары - 15-25%.
ҚТҚ полигонға немесе жинау объектісіне түскен
кезде алдымен радионуклеидтерді тексереді, содан соң автомобиль
таразысына өлшеп, арнайы жабдықталған алаңға
жіберіледі. Ол кезде түскен ҚТҚ қалдықтың
түскен уақытын көрсетіп арнайы тіркеу журналына тіркейді
және оған автомашина немесе басқа көлік
құралдарының нөмері, салмағы көрсетіледі,
сондай-ақ ҚТҚ мәліметтер қорының
талаптарына сәйкестігі мен қалдық иесі және көзі
тіркеледі
Органикалық
субстрат дайындаудың технологиялық схемасын сипаттау.
Жоғарыда айтылғандай, қолмен сұрыпталған
соң қалған органикалық қалдықтар
құрылыс материалдарымен бірге конвейер арқылы бакқа
тиеледі, оған тұрақты түрде су жіберіліп тұрады,
ал төменгі жағынан - араластыру үшін сығылған ауа
жіберіледі. Нәтижесінде ауыр минералды заттар төменге түседі,
ал органикалық зат бетіне шығып ыдыс шеті арқылы
органикалық қалдықтарды майдалайтын ротациялық
механизмге түседі. Минерал тұнған бак әр мезгілде
тазаланып отырады, минерал тұнбалар көмуге жіберіледі, бірақ
ең дұрысы оны құрылыс материалы ретінде қолдану,
ал бөлінген органикалық заттар сумен бірге ротациялы
-механикалық майдалаушыға түсіп ары қарай мөлшері
5-10 мм болатын қоспа құрап шығып кетеді. Содан
соң алынған қоспа кавитациялық эмульгаторга
түсіп, шығар жерінде 0,5-10 мкм болатындай органикалық заттар
бөліктеріне бөлінеді, ол метантенктегі клетчатка ферментациясын
жылдам жүргізуге қажет. Бұл кезде сұйық
қайыртпақта кавитациялық үрдіс көмегімен
барлық микроорганизмдер жойылады.
Осы кезге дейін
сұрыпталган қалдықтардың негізі органикалық
бөлігін қайта өңдеу мен залалсыздандыру казіргі
заманғы өнеркәсіптер үшін өте күрделі есеп
болып келді.Органикалық шикізатты қайта өңдеудің
тағы бір тәсілі анаэробты ферментация. Анаэробты ферментация
үдерісінде биогаз шығады- өсімдік және мал
өнімдерінің қоспасы, органикалық
қалдықтардың ыдырауы кезінде пайда болады және С02
зиянды заттарының аз мөлшерінде өте жоғары
энергетикалық отын береді. Табиғи қазбалардан ерекшелігі
биогаз энергияның қалпына келтіретін көзі болып табылады, ал
оны газ двигательдері үшін отын ретінде қолдану энергия
қорларын үнемдейді.
Ашу
технологиясының дамуы мен қатар тұндырылған биомассаны
анаэробты микроорганизмдерге реактор қосу қондырғысы пайда
болды. Сонымен қатар қазіргі кезде метантенкте температураны
ұстап тұратын аппараттар мен үлгілері жетілдірілуде.
Ашыған сұйықты жылытуға биогазды қолданып
анаэробты тазалау жүйесінің сызбасы келтірілген.
Метантенктің
технологиялық сызбасы саңырауқұлақ
ашытқыларының көмегімен клетчаткаларды ыдыратып ары
қарай термофилді метан шығаратын бактерияларды ферменттеудің
алдын-ала динамикасын қамтамасыз етеді. Бұл кезде метантенкт ішінде
55-58°С температура орнатылады.
Микробиологиялық
үрдісті жылдамдату үшін массаны алдын –ала жылытып және
оптимал режимді бақылап тұру қажет. Микробиологиялық
үрдістің тазалығын сақтау үшін мамандандырылған
жабдықтаушыдан алынған және оның бақылауымен
саңырауқұлақтармен термофилді бактериялар тазаланып
отырады.

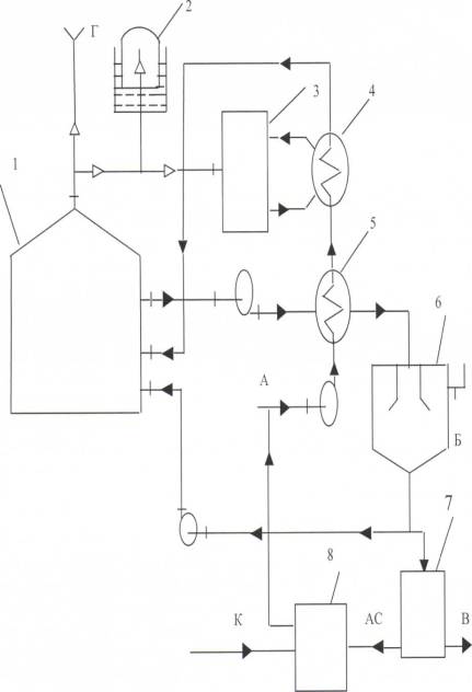
1
сурет -Биогаз және биошлам алу
үрдісінің технологиялық үлгісі
Метантенктің
жұмыс үрдісі үздіксіз болуы тиіс, яғни оған
тұрақты түрде жаңа пульпа беріліп отырады және
өңделген биошламдар шығарылады. Биошламның бір
бөлігі анаэробты микроорганизмдердің тұндырылған
биомассасымен тұндырғыштан метантенкке қайта оралады.
Жоғары температураның ( 55-58°С) әсерімен метан шығару
бактериаларымен бірге барлық ауру тарататын микроорганизмдер және
вирустар өледі. Метантенктен шыққан биошлам, айналмалы
қаныққан микроорганизмдер ретінде қолдануға
болатын, вакуумды ағысты сорғыштың көмегімен 70-75%
ылғалдығын төмендету кезеңінен өтеді.
Биошламның ылғалдығын төмендету кезінде алған су
таза ( вакуммен булану фазасы және сыздықтаған су буын
ұстау) және кешеннің орнатылған жұмыс режимінде
айналымдағы ретінде қолдануға болады.
Су ары карай арнайы
ыдыста тиімді микроорганизмдермен қанықтырылады және ары
қарай технологиялық үдерістердің барлық
модульдерінде ғимарат пен құрал-жабдықтарды
санитарлық -гигиеналық өңдеу үшін,
сондай-ақ бақыланатын микробты фон жасауға қолданылады.
Оптималды жағдайда тиімді микроорганиздер іритін және ауру тудыратын
бактериялармен күреседі, органикалық шірудің
қалдық иістерін жояды, ғимараттан квасының иісіне
ұқсас иіс таратады. Мұндай микроорганиздермен адамға
жұмыс істеу қауіпті емес.
Сонымен
органикалық қалдықтардың ең жетілдірілген
әдісі анаэробты микроорганиздердің тұндырылган биомассасын
қайтарып дайындалған субстраттың үздіксіз ашу
үрдісі болып есептеледі және аппараттарды қолданып
метантенкті жылытуға биогаздарды пайдаланып, зарарсыздандыру.