Д.т.н.,
професор Лукашенко В. М., к.т.н. Лукашенко А. Г.,
Воропай Е. В.,
Ворона Р. В.,
магістранти Стеблина В. Ю., Рудик Т. Л.,
Вознюк Ю. І.
Черкаський державний
технологічний університет, Україна
СИСТЕМНИЙ АНАЛІЗ СУЧАСНИХ СИСТЕМ КЕРУВАННЯ ПРОЦЕСОМ ОСВІТЛЕННЯ
Освітлювальні
прилади відіграють важливу роль у житті людини. Від їх місця розташування, їх
виду і ступеня яскравості світильника залежить рівень комфортабельності знаходження людини
в приміщенні. На сьогодні
практично неможливо повністю відтворити параметри природного освітлення, оскільки
це пов’язано з проблемами створення джерел світла зі спектром, аналогічним
спектру природного світла.
Виникають ситуації коли
необхідно яскраве освітлення або, навпаки, затемнене. Монтувати світильники
відразу на всі випадки життя не представляється можливим, тоді на допомогу приходять
пристрої автоматизованого керування
освітленням.
Спеціалізовані напрями використання пристроїв автоматизованого керування
освітленням включають: концерти, рекламні конструкції, виробничі та житлові приміщення, тощо. Також використання пристроїв
автоматизованого керування освітленням дозволяє знизити стомлюваність очей за
рахунок підбору прийнятного освітлення вночі для різного роду діяльності, як
читання книги, перегляду телепередачі або відпочинку [1].
Результати дослідження автоматизованого керування процесом освітленням описані
в роботах Гранвіла Вудса,
Джоела Спіра, Євгена Алессіо, Г. М. Кнорринга,
Ю. Б. Оболенцева, Р. И Берима та ін. Але в цих роботах недостатньо висвітлена
систематизація їх якісних характеристик, яка забезпечує швидко визначити
найбільш перспективну модель для подальшого розвитку та застосування. Тому процедура
системного аналізу сучасних пристроїв автоматизованого керування освітленням на
етапі проектування є задачею актуальною.
Тому метою дослідження є підвищення ефективності автоматизованої системи керування освітленням за рахунок
розробки високонадійного блоку керування.
Для досягнення цієї мети вирішуються наступні задачі:
1.
Провести системний аналіз сучасних систем керування процесом освітлення.
2. Розробити структуровану таблицю
якісної оцінки сучасних
систем керування
освітленням на основі аналізу сучасних систем керування освітленням.
3. Розробити принципово електричну
схему блоку керування освітленням.
Рішення
поставленої задачі. Функціональна типова схема автоматизованої системи
керування освітленням представлена на рис. 1.

Рис. 1. Образно-знакова
модель типової
автоматизованої
системи керування процесом освітлення
Алгоритм роботи автоматизованої системи керування
освітленням, що приведено на рис. 1 заключається в наступному: датчик руху реєструє присутність
людини в приміщенні в якому установлена система, інформація про це надходить до
блоку керування. Під час отримання цих даних мікроконтролер проводить зчитування
інформації з датчика освітленості про рівень інтенсивності спектрів випромінювання
червоного, зеленого та синього кольору окремо та про сумарну величину рівня
природної освітленості. Порівнюється значення інтенсивності спектру з заданим еталоном,
у випадку відсутності рівності змінюється величина інтенсивності кожного з
кольорів [4-5]. Якісна оцінка існуючих сучасних
систем управління світлом приведена в табл. 1.
Таблиця 1
Якісна
оцінка існуючих сучасних систем керування процесом освітлення
|
Системи |
Переваги |
Недоліки |
||
|
DALI |
Продовження роботи по
програмі з моменту переривання. Розширення кількості
світильників. Дистанційне керування. Заміна блоку управління без
зміни світильників. |
Вибір кольору для
систем ілюмінації. Універсальність системи. |
Мала кількість світильників на лінії для одного пульта керування до
64 шт. Потрібне додаткове джерело напруги на лінії [1] Необхідність використання роутерів для
розширення адресів Необхідність в додатковому джерелі напруги на лінії Необхідність встановлення в кожному світильнику контролера амплітуди сигналу |
|
|
CRICKET |
Можливість об’єднання
великої групи світильників на один пристрій управління. Не потрібно використовувати роутери для розширення адресів. Не потрібно використовувати
додаткове джерело напруги на лінії. Не потрібно встановлювати в кожному
світильнику контролера амплітуди сигналу. |
Велика відстань між блоком
управління і одним світильником. |
Відсутність вибору кольору для систем
ілюмінації. Відсутність універсальності системи |
|
|
LEDEL |
Універсальність системи Великий радіус дії
дистанційного керування. Велика кількість світильників на лінії для одного пульта керування до
255 шт. |
Відсутність вибору кольору для систем
ілюмінації |
||
Це дозволяє за незмінної колірної
температури змінювати рівень освітленості. З мікроконтролера інформація про
інтенсивність свічення кожного кольору подається на блок виконання, який формує
імпульси керування кристалами RGB-світлодіоду.
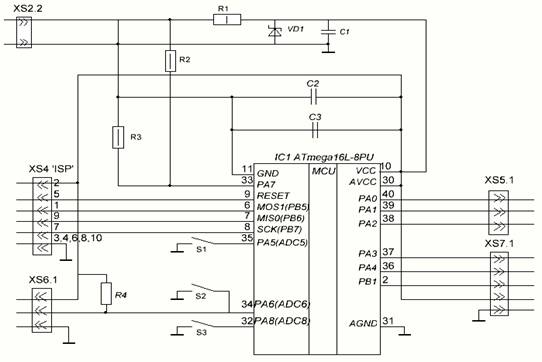
Основою системи є блок управління на основі
мікроконтролеру ATmega16L–8PU фірми
ATMEL [2-3] (рис. 2).
Рис. 2. Модель принципової
електричної схеми
пристрою керування процесом
освітлення
Використання
мікроконтролера в цій системі як пристрою керування дозволило:
–
програмно реалізувати обробку інформації,
отриманої з датчика;
–
провести
порівняння зі заданими даними про необхідний рівень освітленості;
–
при необхідності провести корекцію світлових
параметрів;
–
сформувати
імпульсі для керування джерелом
світла.
1. Проведений системний аналіз сучасних систем керування процесом освітлення. На підставі аналізу побудована
образно-знакова модель автоматизованої
системи керування освітленням та запропонований алгоритм роботи.
2. Розроблена структурована таблиця
якісної оцінки сучасних систем управління світлом, на підставі якої систематизовані переваги і недоліки. Це дозволяє скоротити
час на визначення найкращих моделей системи керування світлом або їх
удосконалювати за визначеним напрямком.
3. Побудована модель принципової
електричної схеми пристрою керування процесом
освітлення.
1. Горбачев Г. Н. Промышленная электроника / Г. Н. Горбачев, Е. Е. Чаплыгин. – М.: Высшая школа, 2005. – 588 с.
2. Дулин В. Н. Справочник по элементам радиоэлектронных устройств / В. Н. Дулин, М. С. Жук. – М.: Энергия, 2013. – 356 с.
3. Євсєєв А. Г. Стабілізований регулятор яскравості / А. Г.Євсєєв. – К: Київ, 2008. – 36 с.
4. Кнорринг Г. М. Справочная книга для проектирования электрического освещения / Г. М. Кнорринг, Ю. Б. Оболенцев, Р. И Берим. – Л.:Энергия, 2008 – 384 с.
5. Кнорринг Г. М. Справочник для проектирования
электрического освещения / Г. М. Кнорринг. –
М.: Энергия, 2012. – 381 с.