Технические науки / 5. Энергетика
Шевченко Ю.А, Шишикин
А.Г., Эм Г.А.
Карагандинский
государственный технический университет,
Республика
Казахстан
ИМИТАЦИОННОЕ МОДЕЛИРОвание СИСТЕМЫ «источник
соизмеримой мощности – тиристорнЫЙ выпрямиТЕЛЬ – дВИГАТЕЛЬ»
Опыт эксплуатации автоматизированного
электропривода системы «тиристорный выпрямитель –
двигатель постоянного тока независимого возбуждения» (ТВ-Д) на буровых
установках, экскаваторах и другой горнодобывающей технике показал, что на его
динамические и статические характеристики существенное влияние оказывают
внутренние параметры источника электроснабжения, линии электропередачи и
нелинейные характеристики управляемого выпрямителя. При этом электроснабжение
указанного оборудования осуществляется, как правило, от автономных и
неавтономных источников мощностью, соизмеримой с мощностью электропривода
горного оборудования. Для таких условий характерно значительное изменение
амплитуды переменного напряжения питающей сети, что, в свою очередь, приводит к
значительной деформации статических и динамических характеристик электропривода
и, в определенных условиях, к несанкционированным (самопроизвольным) отключениям,
связанным с нарушением работы тиристорного выпрямителя
[1].
В [2]
рассмотрены переходные процессы, протекающие в электромеханической системе «источник
соизмеримой мощности – тиристорный выпрямитель –
двигатель постоянного тока» (ИСМ-ТВ-Д) при скорости, соответствующей
номинальному режиму в условиях «мягкой» сети, а также механизм возникновения
явления несанкционированного закрытия тиристоров из-за превышения значения ЭДС
якоря двигателя над выпрямленным напряжением сети и автоколебательного режима
работы системы.
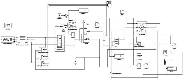
Для
определения динамических свойств рассматриваемого электропривода при
электроснабжении от ИСМ в программной среде MatLab R2015A
была разработана
имитационная модель, представленная на рисунке 2.
В ходе имитационных исследований проведена серия экспериментов с различными параметрами длины питающей
линии и момента сопротивления на валу двигателя.

Рисунок 1 – Имитационная
модель системы ИСМ-ТВ-Д
Принимались длины линий:
15, 30,
Избранные осциллограммы с
графиками изменения скорости, тока и момента на валу при различных нагрузках
представлены на рисунках 3-4.

Рисунок
2 ‒ Осциллограммы скорости, тока и момента при длине линии 50 км и
номинальной нагрузке

Рисунок
3 ‒ Осциллограммы скорости, тока и момента при длине линии 50 км и
нагрузке 1,5Мн
Имитационные
эксперименты подтвердили значительную деформацию статических и динамических
характеристик электропривода при увеличении длины линии электроснабжения.
1. Бырька В.Ф., Брейдо
И.В., Петерс И.В и др. Особенности управления тиристорным электроприводом горных машин при
электроснабжении от источника энергии соизмеримой мощности // Изв. ВУЗов. Горный журнал. 1991. № 9. С.106-109.
2. Эм Г.А., Брейдо
И.В. Тиристорный электропривод постоянного тока
горных машин. Влияние импульсного характера работы силового преобразователя на
свойства тиристорного электропривода постоянного тока:
Монография / LAP LAMBERT Academic Publishing GmbH & Co. KG Heinrich-Böcking-Str. 6-8, 66121