Вінницький
національний технічний університет,
Україна
Мікропроцесорний пристрій для вімірювання частоти
Розроблено мікропроцесорний
пристрій для вимірювання частоти максимально простої конструкції, з високою
швидкодією та низькою похибкою вимірювання. Пристрій має такі параметри:
діапазон вимірюваних частот від 0,1 Гц до 60 МГц, чутливість 250 мВ, напруга
живлення 5 В, струм живлення 35 мА, час
вимірювання 1-5 секунд.
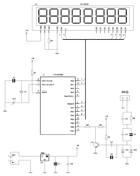
Структурно
мікропроцесорний частотомір складається з: 1) формувача вхідного сигналу,
виконаного на транзисторі VT1 (сигнал вимірюваної
частоти, поданий на вхід, обмежується, підсилюється і подається на вхід
мікроконтролера для вимірювання); 2) блоку центрального процесора U1
(виконує функції вимірювання, розрахунку, перетворення, керування динамічною
індикацією і динамічним опитуванням вхідних сигналів); 3) LCD
дисплея U2 на 16 стрічок (призначений для відображення
частоти); 4) інтегрального стабілізатора напруги (мікросхема U3
призначена для забезпечення стабільного живлення пристрою).
Принципіальна
схема частотоміра зображена на рис. 1, працює вона таким чином. Після
підключення батареї живлення, частотомір знаходиться у вимкнутому стані. При
його ввімкненні напруга живлення потрапляє на інтегральний стабілізатор напруги
U3, а з його виходу – на вхідний каскад:
транзистор VT1, мікроконтролер U1 і індикатор LCD
U2. До подачі сигналу на вхід схема працює в
режимі очікування. Після того як величина частоти сигналу виміряна, її можна
записати в енергонезалежну пам‘ять, і це значення буде зберігатись до
наступного вимірювання. Якщо схема перебуває в режимі очікування більше 3
хвилин, мікроконтролер встановлює низький логічний рівень, таким чином,
відключаючись від джерела живлення.
Правильно
зібраний частотомір із правильно запрограмованим PIC
процесором практично не потребує налаштувань. Мінімальні налаштування полягають
у подачі на вхід частотоміра еталонної частоти і підстройки конденсатора VC1 до моменту отримання правильних показів на індикаторі.

Рисунок 1 – Принципіальна схема частотоміра
На рис. 2-3
наведено результати моделювання та демонстрації роботи пристрою у середовищі Proteus ISIS.

Рисунок 2 – Схема моделювання


Рисунок 3 – Часові діаграми роботи індикатора
Література:
1. Винокуров
В.И. Электрорадиоизмерения/ В.И. Винокуров. – М.: Высшая
школа, 1986.
– 254 с.
2. Кушнир
Ф.В. Электрорадиоизмерения/ Ф.В. Кушнир. – Л.: Энергия, 1983.
–312с.
3. Брэй
Б. Применение микроконтроллеров PIC18
/ Б. Брэй. – МК-Пресс: Киев, 2008. – 578с.
4. Максимов А. PROTEUS VSM. Система виртуального моделирования схем
/ А. Максимов. – М.: Техносфера, 2006. – 304 с.