Кравченко Ю. С., Криштоф Ю. В.
Вінницький національний
технічний університет, Україна
Бездротовий
зарядний пристрій
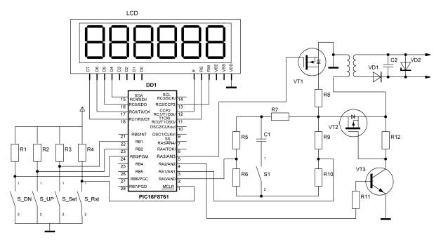
Розроблено
схему безпровідного зарядного пристрою що зображена на рисунку 1.1. Даний
пристрій володіє такими режимами як заряд, розряд, відновлення та калібрування акумулятора. Для зменшення втрат при
бездротовій передачі енергії використано рідкоземельне феритове осердя, що
розміщується між передавальною та приймальною котушками та призводить до
зростання ККД.

Рисунок 1.1 – Схема електрична принципова
бездротового зарядного пристрою
Передавальний
контур бездротового зарядного пристрою було розроблено на основі імпульсного
блоку живлення, що видає напругу більше 16 В. Струмовимірювальний резистор R7 (0,1 Ом 10 Вт)
використовується при заряді і розряді.
Простота
апаратної частини забезпечена завдяки застосуванню методу імпульсного (ШІМ)
заряду і розряду - ключ безпосередньо комутує блок живлення на акумулятор без
застосування будь-яких ємностей або індуктивностей. У результаті на акумулятор
надходить короткий, але потужний імпульс струму. Потім імпульси струму набувають
синусоїдальну форму з частотою 100 Гц [1].
Апаратна
частина бездротового зарядного пристрою складається із блоку живлення, двох
ключів, вимірювального та навантажувального резисторів, контролера, індикатор і
кнопок керування.
Після
включення зарядного пристрою виконується ініціалізація початкових параметрів.
Після підключення акумулятора необхідно кнопками UP / DN вибрати ємність.
Програмна частина пристрою являє собою програму для керування мікроконтролера написана на мові програмування C [2].
В бездротовому
зарядному пристрої розроблено автоматичний режим заряджання (режим що був
обраний при останньому заряджанню акумулятора), який вмикається за
замовчуванням при відсутності активації жодної із кнопок протягом двох хвилин.
Далі вибирається режим роботи (заряд,
розряд, відновлення, чи калібрування). Мікроконтролер перевіряє, чи
підключений акумулятор, якщо напруга на
затискачах менша 2В, то на індикаторі з’являється повідомлення "Connect Battery!". Якщо акумулятор під’єднано то мікроконтролер розраховує середню
напругу і середній струм, і коригує
шпаруватість імпульсу згідно поточної фази заряду або розряду. Зарядний ключ
виконаний на транзисторах VT3 (BC338) і VT2 (IRF9540N). Розрядний ключ на VT1 (IRLZ34N). Резистори R5, R6 і R9, R10 - подільники напруги для АЦП. Резистори
було обрано таким чином, щоб забезпечити співвідношення 3: 1. Резистор R8 має номінал 10 Ом х 25Вт.
Контур
приймача складається з 30 витків дроту з діаметром 0,5-0,8 міліметр, що
забезпечить індуктивний зв'язок . Випрямляти зарядний струм можна доданими
мостом або застосуванням усього одного діода та конденсатора з ємністю 220 -
470 мікрофарад.
Живиться
схема від напруги 10 - 14 вольт, при
цьому потрібне джерело постійної напруги на 3 - 10 ампер. Польовий
транзистор буде грітися і потрібен
побільший тепловідвід. Число витків на передавальній котушці і діаметр проводу
таке ж як і на приймальній.
Для
моделювання роботи схеми пристрою було обрано програму Proteus, оскільки дана програма є однією із найзручніших та простих у використанні.
Отже, на основі рисунку 1.1 здійснено моделювання роботи пристрою (рис. 1.2).
У якості передаючої та приймаючої котушок
використовується трансформатор, оскільки у програмі ISIS Proteus, це єдина
можлива заміна бездротовій передачі струму [3]. Усі інші елементи схеми є такі
ж як у електричні принципові схемі з відповідними параметрами та розміщенням.
Для зняття
значень електричних величин в середовищі моделювання ISIS
Proteus передбачений ряд спеціальних
інструментів. А саме вольтметр та
амперметр, за допомогою яких знімаємо значення під час моделювання процесів, що
проходять під час безпровідної зарядки акумуляторних батарей.
Проведемо вимірювання напруги живлення схеми та на її виході, що
підключається до акумулятора. На рисунку 1.3 наведено схему моделювання
вимірювання напруги на виході.

Рисунок 1.3 – Схема
моделювання бездротового зарядного пристрою

Рисунок 1.4 – Значення
напруги на приймальному контурі бездротового зарядного пристрою
На рисунку 1.4 видно, що отримана
напруга на виході схеми становить порядку 3.7-3.9 В, що дає можливість
заряджати різноманітні акумулятори як стаціонарних пристроїв так і портативних.
ВИСНОВКИ
Основним недоліком безпровідних зарядних пристроїв
є малий ККД, що
призводить до довгого часу зарядження, враховуючи це розроблено схему
безпровідного зарядного пристрою з підвищеним ККД. Який
досягається за рахунок 4-ох етапного принципу роботи та феритового осердя між
передавальною та приймальною котушками.
В процесі виконання схемо-технічного моделювання
здійснено аналіз схеми в її основних режимах роботи. Отримані дослідні дані
ілюструють зміну електричних величин в
характерних точках під час роботи схеми, і свідчать про нормальне
функціонування схеми в процесі зарядки акумуляторної батареї.
ЛІТЕРАТУРА
1. С.С. Букреев.
Силовые электронные устройства. М.: Радио и связь, 1987. 256 с.
2. Юров
В. И. Программирование на С. Учебник для вузов.2-е изд./ В. И. Юров. – СПб.: Питер, 2003. – 637с.
3. Максимов А. В. PROTEUS VSM. Система виртуального моделирования схем/ А. В. Максимов. – М.: Техносфера,
2006. – 304 с.