Технические науки
Д.т.н. Боканова1 А.А., д.т.н. Бахтаев2 Ш.А., Абдурахманов2 А.А., к.т.н. Абишова3
А.С.
1Казахский национальный исследовательский технический университет
им.К.И.Сатпаева, Казахстан
2Алматинский
университет энергетики и связи, Казахстан
3Алматинский
технологический университет, Казахстан
Исследование приборов контроля
озонаторной установки
В большинстве случаев
известные способы и методы для контроля
дисперсного состава аэрозолей в газе отличаются трудоемкостью анализа и не обеспечивают
непрерывность измерения. Кроме того, за
исключением анализа под микроскопом, все методы являются косвенными и работают в узком диапазоне размеров
аэрозолей. Известен способ контроля
концентрации озона в потоке озонсодержащего газа. Способ основан на
измерении величины разности напряжений на нагрузках двух последовательно
расположенных участков положительного коронного разряда при
прохождении через них потока газа,
причем в первом участке обеспечивается
взаимодействие озонсодержащего газа с
положительным объемным зарядом,
а во второй участок разряда поток газа
поступает без озона [1]. Ввиду того,
что в этом способе в основу контроля
озона положены молекулярные процессы,
протекающие при взаимодействии
молекул озона с ионами азота и
кислорода в положительном объемном заряде коронного разряда, в данном случае зарядка диспергированных
частиц в потоке газа протекает
малоэффективно. Это ведет к
непригодности предложенного способа для
контроля степени загрязненности газа. Поэтому
возникла необходимость в разработке устройства контроля загрязненности газа, который обеспечивал бы высокую точность, широкий диапазон и непрерывность измерений, а также простоту и удобство при работе.
В предлагаемом устройстве объемные заряды разной
полярности в камерах образуются между коронирующими иглами и металлическими
сетками, служащими в качестве внешних электродов. В этом случае направления
потока загрязненного газа и токовых линий аэроионов совпадают и при соблюдении
условия «прозрачности» сеточного электрода к аэрозольным частицам влияние
эффекта «потери аэрозолей» на счетные характеристики устройства, будет минимально.
Кроме того, следует считать, что для процессов зарядки и разрядки аэрозолей
более предпочтительней является одно направленность потоков аэрозолей и
аэроионов, ежели при их пересечениях, как было в прототипе. Между тем,
едва ли такое положение может сыграть существенную роль в процессах контроля
из-за высоких скоростей ионов (»5 ×102м/с) по
сравнению со скоростями потока аэрозольных частиц.
Следует отметить, что в этом случае предлагаемое
устройство работает по принципу действия ионно-конвекционного насоса [1]. В устройстве в отличие от прототипа поток
загрязненного газа через измерительные камеры создается естественным образом с
помощью электрического ветра, возникающего между коронирующими иглами и
плоскими сетчатыми электродами (1-3м/с). В конечном итоге, изменения величины
скорости потока газа через камеры коронного разряда не оказывают влияние на
точность контроля из-за равенства времен зарядки и разрядки аэрозолей.
В устройстве измерительные камеры электрически
подключены к источнику питания параллельно, что обеспечивает измерения токов
зарядной и разрядной камер раздельно, что отличает его от известных. Таким
образом, соединение измерительных камер позволяет определить эффективность тех
или других процессов взаимодействия аэроионов с аэрозольными частицами и
изучить их диэлектрические свойства, размеры и зарядовую плотность. В то же
время, в процессе контроля используется один измерительный прибор, включенный в
общую цепь схемы.
Предлагаемое устройство обладает более высокой
точностью контроля, так как в виду одно направленности потоков аэрозолей и
аэроионов и применения в качестве внешнего электрода плоской металлической
сетки эффект «потери аэрозолей» в зарядной камере сведен до минимума. Кроме
того, для работы устройства не требуется принудительного дутья загрязненного
газа через него, поступление атмосферного воздуха с аэрозольными частицами
обеспечивается электрическим ветром, образующимся в измерительных камерах при
возникновении коронного разряда между иглами и внешними электродами. Устройство
приспособлено работать при любых естественных потоках загрязненного газа, так
как влияние скорости потока на результат измерения исключается из-за равенства
времен зарядки и разрядки частиц. В прототипе не обеспечивается высокая
точность контроля из-за последовательного подключения двух камер, что ведет к перераспределению напряжении между ними в
процессе работы.
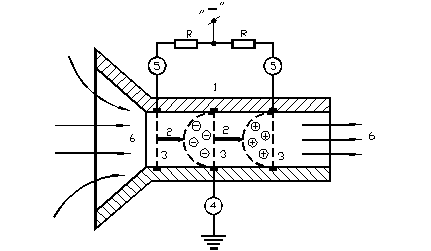
На рисунке представлена функциональная схема
устройства для контроля загрязненности атмосферного воздуха.
Предлагаемое устройство содержит корпус из
диэлектрического материала 1, коронирующие иглы 2 и внешние электроды в виде
металлических сеток 3. Коронирующие иглы 2 соосно с корпусом 1 крепятся к
сеточным электродам. Сеточный электрод, к которому закреплена вторая игла
является одновременно внешним электродом для первой зарядной камеры и служит
общей электрической цепью для двух камер из-за заземления его через выходной
прибор 4. Металлическая сетка, к которой закреплена первая игла и сеточный
электрод 3, служащий внешним электродом для второй разрядной камеры соединяются
через измерительные приборы 5 и балластные сопротивления R с
отрицательным полюсом источника питания. После подключения высокого напряжения
и возникновения коронного разряда в камерах в рабочем объеме образуется
электрический ветер в направлении коронирующих игл 2.

Устройство работает следующим образом. При
подаче достаточно высокого напряжения на первую иглу 2 между ней и сеточным
электродом 3 возникает отрицательный коронный разряд, в то время между второй
иглой 2 и сеточным электродом 3 появляется положительный коронный разряд. После
чего с помощью электрического ветра загрязненный газ, в котором измеряется
содержание пыли (аэрозолей), втягивается в рабочий объем устройства, где он
взаимодействует поочередно, сначала с отрицательным, а затем с положительным
объемными зарядами разрядных промежутков. В зарядной камере аэрозольные частицы
заряжаются отрицательно и, увлекаясь электрическим ветром, покидают зону
разряда, тем самым уменьшая ток разряда в общей цепи схемы. Затем отрицательно
заряженные частицы попадают в зону второй разрядной камеры, где коагулируют с
положительными ионами и, нейтрализуясь, уменьшает еще раз ток
коронного разряда [1]. Таким образом, по значению отклонения показания
выходного прибора 5 от первоначального определяется степень загрязненности
газа, проходящего через рабочий объем устройства, причем из-за применения
сеточных электродов влияние эффекта «потеря аэрозолей» на точность контроля
сводится к минимуму. К тому же измерительные камеры работают независимо друг от
друга из-за параллельного подключения их к источнику питания, и поэтому
изменения токов разряда в камерах при прохождении загрязненного газа
суммируются без потерь.
Устройство имеет
следующие параметры: радиус иглы 0,2 мм, корпус из диэлектрического материала
имеет внутренний диаметр, равный 15 мм, расстояния между иглами и сеточными
электродами равны 8 мм, окно сеток - 2´2
мм2, напряжение
питания может меняться в диапазоне от 6 до 14 кВ, рабочий ток коронного разряда
может быть выбран в пределах от 10 до 20 мкА в зависимости от степени
загрязненности атмосферного воздуха.
Испытания и
контрольные измерения предлагаемого устройства были выполнены в условиях
задымленности атмосферного воздуха. Испытания показали, что стабильный
электрический ветер через устройство устанавливается в течение 2-3 сек, после
чего можно производить измерения. Чувствительность измерения устройства к
высокодисперсным частицам в виде дыма оказалась высокой, при этом рабочий ток
может уменьшаться на 4-5 мкА, причем это значение не зависит от величины
рабочего тока. Это значит, что высокодисперсные частицы заряжаются предельным
зарядом и его величина дальше уже не зависит от увеличения плотности аэроионов
в разрядном промежутке. При увеличении задымленности воздуха, примерно в 2
раза, рабочий ток уже снижается на 6 мкА, что показывает существование
некоторой нелинейности в зависимости тока разряда от степени загрязненности
атмосферного воздуха.
Литература:
1. Бахтаев
Ш.А., Боканова А.А., Бочкарева Г.В., Сыдыкова Г.К. Физика и техника
коронноразрядных приборов. –Алматы: АУЭС, 2007. –С.50-58.