Технічні науки / 6. Електротехніка і
радіоелектроніка
К.т.н. Куцевол М. О.
Вінницький національний аграрний університет, Україна
Вологомір зерна
Очевидно, що
точність будь-якого вимірювального пристрою чи системи, визначається методом
вимірювання, на базі якого він створений.
Найбільш перспективними в плані автоматизації процесу контролю є електричні
методи, серед яких особливе місце займають методи високочастотної
діелектрометрії. Незважаючи на висновки деяких дослідників про недоцільність
застосування цих методів для контролю вологості капілярно-пористих матеріалів
із нестабільними діелектричними втратами і пористістю [1,2], нині розроблено
багато методів, що спростовують ці заяви [3-6].
Відома структура вологоміра [7], що складається із послідовно з’єднаних
зразкового елемента ЗЕ і ємнісного
перетворювача (ємнісного чутливого елемента вологості), увімкнених на виході
високочастотного генератора (генератора гармонічної напруги Г), фазового детектора ФД, до виходу якого під’єднаний
індикаційний блок ІБ, а також блок
зворотного зв’язку стабілізації напруги БСН
(блок зворотного зв’язку стабілізації напруги на ємнісному первинному
перетворювачі вологості). Недоліком вказаного вологоміра є нелінійність функції
перетворення фазового детектора, що призводить до збільшення похибок
вимірювання.

Рис.1.
Структура вологоміра із стабілізацією напруги на чутливому елементі
В основу даного пристрою покладене завдання створення ємнісного вологоміра,
в якому, за рахунок введення нових блоків та зв’язків між ними, підвищується
точність вимірювань шляхом усунення впливу нелінійності функції перетворення
фазового детектора на похибку вимірювань.
Ця задача досягається тим, що в ємнісному вологомірі додатково введені
вольтметр амплітудного значення напруги В,
цифровий фазометр ЦФ, цифровий
пристрій ЦП та індикаційний блок ІБ, причому вольтметр амплітудного
значення напруги своїм входом під’єднаний до зразкового елемента, а цифровий
фазометр – до зразкового елемента і ємнісного первинного перетворювача
вологості, виходи вольтметра амплітудного значення напруги і цифрового
фазометра під’єднані до входу цифрового пристрою, вихід якого з’єднаний з
входом блоку індикації [8].
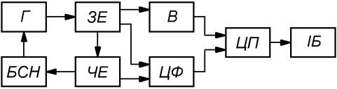
На рис.2
наведена структурна схема
ємнісного вологоміра, на рис.3, а – електрична еквівалентна схема, а на рис.3,
б – векторна діаграма напруг і струмів вимірювального перетворювача вологості.

Рис.2. Структурна схема ємнісного вологоміра
При дії напруги від генератора Г
гармонічної напруги до послідовного кола, утвореного зразковим елементом ЗЕ і ємнісним чутливим елементом
вологості ЧЕ на них виділяються
напруги
і
,
що подаються на входи цифрового фазометра ЦФ,
який вимірює фазовий зсув між ними. Окрім цього напруга
зразкового елемента подається на вхід вольтметра амплітудного значення напруги В. Інформація про амплітуду
та фазовий зсув
між
і
подається на вхід цифрового пристрою ЦП, де перетворюється в сигнал,
пропорційний вологості матеріалу, що надходить на вхід індикаційного блоку
вологості ІБ. Напруга
з ємнісного чутливого елемента вологості
надходить на вхід блоку зворотного зв’язку стабілізації напруги БСН на ємнісному чутливому елементі
вологості та порівнюється з еталонним значенням. Сигнал різниці з БСН на ємнісному первинному
перетворювачі вологості подається на вхід Г
і таким чином регулює амплітуду цієї напруги, щоб напруга
була стабільною.

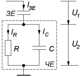
а) б)
Рис.3. Електрична еквівалентна схема вимірювального
перетворювача (ВП) ємнісного вологоміра (а) та векторна діаграма напруг і
струмів ВП вологості (б)
За виконання умови
,
струм
,
що протікає через ємнісний елемент
на еквівалентній схемі рис.3, а, буде
залежати тільки від ємності цього елемента, яка визначається вологістю
матеріалу і не залежить від опору діелектричних втрат
.
При цьому вологість визначається за виразом
,
де:
– коефіцієнт пропорційності, який
визначається під час градуювання;
– значення ємнісної складової струму
ємнісного первинного перетворювача вологості;
– струм зразкового елемента;
– напруга зразкового елемента;
– повний опір зразкового елемента;
– фазовий зсув між напругами
і
.
Висновок
Таким чином,
запропонований пристрій дозволяє вимірювати вологість матеріалу шляхом контролю
напруги на зразковому елементі та фазового зсуву між напругами на зразковому
елементі та ємнісному чутливому елементі вологості за прямим відліком з дисплею
індикаційного блоку. Суттєвим недоліком вологоміра є низька чутливість до
інформативного параметра, що призводить до значної похибки (0,5%).
За рахунок усунення похибок, викликаних нестабільними діелектричними
втратами та нелінійністю фазового детектора, підвищується точність вимірювань
вологості.
Література:
1. Петров И. К.
Технологические измерения и приборы в пищевой промышленности / И. К. Петров. –
М. : Пищевая промышленность, 1973. –
318 с.
2. Петров И. К.
Технологические измерения и приборы в пищевой промышленности / И. К. Петров. –
[2-е изд.]. – М. : Агропромиздат, 1985. –
344 с.
3. Куцевол О. М. Радіочастотні
методи та засоби контролю вологості зерна : монографія / О. М. Куцевол, М. О.
Куцевол, В. О. Поджаренко. – Вінниця: РВВ ВНАУ, 2008. – 137 с. – ISBN
978-966-2959-59-3.
4. Куцевол О. М. Метод
контролю вологості зерна / О. М. Куцевол, М. О. Куцевол // Vĕdeckỳ
prǔmysl evropského kontinentu – 2014: X Mezinarodni
vedecko-prakticka konference, 27.11-05.12.2014 r. : тези доповіді – Praha : Publ. House “Education and Science”,
2014. – Dil. 20. –С. 75-78.
5. Куцевол
О. М. Часовий метод знаходження математичної моделі вихідної напруги перетворювача
вологості зерна / О. М. Куцевол, М. О. Куцевол, В. Г. Петрук // Naukowa przestrzec Europy – 2010: Materialy VI
miedzynarodowej noukowi-praktycznej konferencji. Przemysl 07-15 kwietnia 2010
roku : тези доповіді. – Vol. 19. – Przemysl:
Nauka i studia, 2010. – C.5-10.
6. Куцевол М. О.
Високочастотні методи та засоби контролю вологості хлібобулочних виробів :
монографія / М. О. Куцевол, О. М. Куцевол, О. С. Яремчук. – Вінниця: РВВ ВНАУ,
2009. – 115 с. – ISBN 978-966-2954-64-7.
7. А. с. 734548 СССР, МКИ G 01
N 27/22. Емкостный влагомер / Б. А. Баховец, В. В. Васин, Г. П. Горюнов, В. И.
Пастушенко, Я. В. Ткачук (СССР). № 2465253/18-25 ; заявл. 16.03.77 ; опубл.
15.05.80, Бюл. № 18.
8. Куцевол О. М. Ємнісний
вологомір / О. М. Куцевол, М. О. Куцевол,
В. Г. Петрук // Вимірювальна техніка та метрологія: Міжвідомчий
науково-технічний збірник. – Львів: Вид-во Львіської політехніки, 2012. – Вип.
73. – С. 95-96.