Джанұзақова Р., Нұрманалиева А.
М.Х.Дулати атындағы Тараз Мемлекеттік Университеті
Оптоталшықты желілердегі LC, FC- типті коннекторлы ұштықтауларды дайындау
технологиясы
Оптикалық коннекторлардың бірнеше стандарттары бар: ST, SC, LC, FC, FDDI
және т.б. жұмыс істеу принципі бірдей, тек ұяға бекіту
және орнықтыру амалдары
ғана бөлек. Арнайы ұяшық арқылы бір типті
коннекторлар жалғанады. Әрекет принципі түсінуге оңай
болғанымен, дайындау технологиясы күрделі. Жалғану талабы - екі оптоталшықты, осінен
микрон ауытқудан аспайтын және оптоталшыққа сызат
түсірмейтіндей, оператор қимылын шектей отырып, бір-біріне
тығыз жалғау. Коннектор ұштықтары керамикадан жасалады
және дайындау дәлділігі жоғары. Керамикалық
ұштықтың тура ортасынан оптоталшық өтеді.
LC типті коннекторлар – SC-коннектордың аз көлемді
нұсқасы. Корпусы тік бұрышты. LC типті коннектордың
диаметрі


1 сурет LC коннекторы

2 сурет LC розеткасы
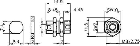
FC-коннекторы. Берілген жағдайда коннекторды
ұяға бұрау (резьбовое) арқылы орнықтырылады. Геометриялық сипатамасы үздік
және ұштықты қорғау жоғарылығымен
сипатталады. Станция аралық байланыста кеңінен қоданылады.
Керамикалық ұштығының диаметрі ST-коннекторындағыдай.
(3-5 сурет). FC типті разьемы бірмодолық техникада қолдануға бейімделген.
Орнықтыруға қолданылатын қосымша гайка діріл әсері кезінде жалғанудың герметикалық зона молдығын
және сенімділін береді. FC разьем розеткалары екі нұсқада жасап
шығарылады: М2 екі винтті бекіткішті квадрат
фланцты және (FC-D) гайкалы бекіткішті дөңгелек фланцты.


3 сурет FC коннекторы

4 сурет FC розеткасы

5 сурет –оптикалық кросста
бекітілген FC коннекторға арналған ұя
ПАЙДАЛАНЫЛҒАН ӘДЕБИЕТТЕР
1. Под ред. Скляров
О.К. Современные волоконно-оптические системы передачи. М: Солон-Р,
2001.
2. Под ред. Виноградов В.В., Котов В.К.,
Нуприк В.Н.. Волоконно-оптические линии связи. М:Радио и связь, 2002.
3. Гитин В.Я., Качановский
Л.Н. Волоконно-оптические системы передачи. М: Радиосвязь, 2003.
4. Под ред. Дмитреев
А.Л.. Оптические системы передачи информации. БХВ Петербург, 2007.
5. Бутусова
И.И. и др. Волоконно-оптические системы передачи. Радио и связь, 2002.
6. Бейли Д.,
Райт Э.. Волоконная оптика. М.: Кудриц-образ, 2006.
7. Гауэр Дж.
Оптические системы связи. М.: Радио и связь, 2009.
8. Гитин В.Я., Кочановский
В.Н. Волоконно-оптические системы передачи. М.: Радио и связь, 2003.
9. Гроднев
И.И. Волоконно-оптические линии связи. М.: Радио и связь, 2000.
10. Дегтярев А. И., Тезин
А. В.. Волоконно-оптические системы передачи. Орел: АФАПСИ, 2000.