Строительство
и архитектура/5. Теплогазоснабжение и вентиляция
Кубис
В.А., Полковов В.Л.
Пензенский государственный
университет архитектуры и строительства, Россия
Измеритель уровня воды баков аккумуляторов теплиц
В последние годы особое
внимание в стране уделяется развитию растениеводства защищенного грунта. Это в
свою очередь требует современных
подходов и технических решений в сфере энергосбережения тепличных комплексов.
Важными являются задачи по аккумуляции
теплоты во время работы систем подкормки
растений двуокисью углерода. Данные системы как правило представлены в виде работы газового котла в летнее время с выводом дымовых газов в помещение теплицы и
повышение в ней концентрации СО2.
При работе котла в
дневное время образуется значительное количество теплоты, которую необходимо запасать и отдавать помещению теплицы
в ночное время, а так же тратить часть теплоты на нагрев питательной воды для
полива растений. Для запасания теплоты используют водяные баки аккумуляторы большого объема.
Для защиты баков от коррозии верхняя незаполненная часть бака во время работы
находится под давлением закачанного в него азота.
Одной из проблем
связанной с включением баков
аккумуляторов в общую систему отопления
теплицы является сложность в
обнаружении утечек в случае прорывов или
иных аварий на системе отопления. Бак имеет слишком большой объем и фиксация
падения давления в в следствие утечки в нем затруднена.
Для своевременной
фиксации факта утечек предлагается использовать разработанный авторами измеритель
уровня. Технические характеристики которого представлены
в таблице 1
|
Наименование
параметра |
Размерность |
Значение |
|
Диапазон измерения уровня |
мм |
1000 |
|
Погрешность измерения уровня воды |
|
±0,13% |
|
Минимальная температура воды |
ºС |
4 |
|
Максимальная температура воды |
ºС |
95 |
|
Максимальное абсолютное давление азота |
кПа |
300 |
|
Минимальное абсолютное давление азота |
кПа |
100 |

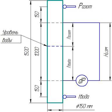
Рис. 1 Эквивалентная схема измерителя уровня
Основным
измерительным параметром является гравитационная составляющая давления, которая,
пропорциональна массе теплоносителя и азота в измерителе.
Разность
давлений (ΔР), действующих на дифференциальный
датчик давления, описывается следующим уравнением:
ΔР = ρвода·g·hвода + ρазот·g·hазот - ρазот·g·Низм, Па
(1)
где ρвода и ρазот – объёмные плотности, соответственно воды и азота, кг/м³; g - ускорение свободного падения, g = 9,80665 м/с²; hвода, hазот и Низм – высоты
согласно рисунку 1, м.
Или с учётом того, что hазот = Низм - hвода, имеем:
ΔР/g = ρвода·hвода + ρазот·(Низм-hвода) - ρазот·Низм, Па (2)
Из
(2) следует:
hвода = ΔР/[g·(ρвода - ρазот)], м
(3)
Относительная
погрешность измерения уровня воды, равна:
δ(hвода)
= [δ²(ΔР)+ δ²(ρв) + δ²(ρазот)]0,5
(6)
С
учётом того, что: δ(ΔР)
≈± 1%;
δ(ρв)
= δ(ρазот)
≈± 0,5%,
относительная погрешность измерения уровня воды на измерительном интервале 1000
мм, составит:
δ(hвода)
= ± (0,01²+ 2*0,005²)0,5 ≈ ± 1,22% (7)
Максимальная
абсолютная погрешность измерения уровня воды, будет равна:
Δhвода = ±1000·1,22% = ±12,2 мм
Максимальная
относительная погрешность измерения уровня воды, при высоте до измерителя
уровня, равной ~8,6м, будет равна:
δ(Нвода) ≈ ±10²·12,2·10-3/8,6 ≈ ±0,13 %
Выше
перечисленные относительные погрешности относятся к систематическим составляющим
погрешностей.

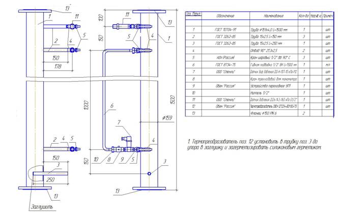
Рис. 2 Конструкция измерителя уровня воды
Алгоритм
измерения несанкционированных утечек в тепличном комплексе заключается в
нахождении разности двух замеров массы воды, разнесённых во времени на относительно
короткий промежуток времени, порядка 10÷30
сек.
Выражение для определения массы воды
в измерители приведено ниже:
Gвода = hвода·Sизм·ρвода = ΔР·Sизм/g, м (8)
Значение утечек
определяется по приведённой ниже формуле:
Gут = (ΔР1 - ΔР2)·Sбак·60 /(g·ΔТ), кг/мин (9)
где ΔР1 и ΔР2 – дифференциальное
давления (Па), соответственно замера 1 и замера 2; Sбак - площадь
сечения бака аккумулятора, м²; ΔТ
–
интервал времени между замерами 1 и 2, мин.