Строительство и
архитектура / 4.Современные
строительные материалы
Надежда Анатольевна Лебедева, студент (Вологодский
государственный университет)
Василий Павлович Сеничев, аспирант (Вологодский государственный университет)
Людмила Михайловна Воропай, канд. хим.
наук, доцент
(Вологодский государственный университет)
Юрий Романович Осипов, д-р техн. наук,
профессор (Вологодский
государственный университет)
Ультразвуковая технология
в производстве строительных композиционных материалов
В
настоящее время особое значение придается расширению возможностей
эффективного применения промышленных
отходов. Использование в качестве сырья отходов производств лесопромышленного
комплекса имеет значение и в проблеме их утилизации. Среди различных вариантов широкое применение находят технологии
производства древесно-цементных композиционных материалов (ДЦК), применяемых
в строительстве и ремонте.
Одним из
перспективно развиваемых строительных материалов на основе древесной щепы и
минеральных вяжущих является арболит. Данный композиционный материал имеет
высокие тепло и звукоизоляционные свойства, устойчив к биологическому
разложению, воздействию температуры и влаги, имеет относительно высокие
показатели механической прочности [1].
Следует
отметить, что составные элементы данного композита – древесный заполнитель и цемент, весьма противоречивы
по своей природе. В процессе приготовления смеси с учетом особенностей
химического состава компонентов, возникает достаточно большое количество
реакций, определенным образом влияющих на качество арболита.
Установлено,
что из всех веществ наиболее отрицательное влияние на твердение древесно-цементной
массы оказывают легко растворимые в воде моносахара. Известно, что содержание
моносахаров можно регулировать процессом обработки древесины. Но, как правило
данные методы достаточно продолжительны во времени или связаны с
дополнительными затратами на приобретение дорогостоящих химических реактивов. В
связи с этим значительно увеличиваются производственные затраты и повышается стоимость
изделия [2].
На
практике для увеличения эффективности обработки твердых сред используют
ультразвуковое воздействие. Широкий спектр применения ультразвука в различных
отраслях промышленности, эффективность действия его механизма во многих
производственных процессах дают основание применить ультразвуковой метод
обработки в производстве древесно-цементных композиционных материалов и, в частности, арболита.
В связи
с этим цель исследования была сформулирована следующим образом: определить
влияние ультразвука в процессе формирования древесно-цементной композиции.
В
процессе работы необходимо решить следующие задачи:
1.
Установить зависимость вымывания редуцирующих сахаров от времени обработки
ультразвуком.
2.
Определить влияние времени ультразвукового воздействия на время схватывания
растворной смеси арболит.
Для
проведения эксперимента были подготовлены пять навесок измельченной древесины
хвойных пород, полученной как отход производства лесопильной линии. Обработка
щепы проводилась в низкочастотной ультразвуковой установке контактного типа,
разработанной и смонтированной совместно ООО «Александра плюс» и Вологодским
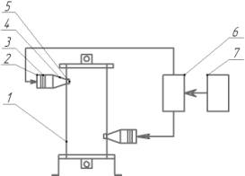
государственным университетом. Принципиальная схема установки приведена на рис.
1.

Рисунок 1– Принципиальная схема низкочастотной ультразвуковой
установки
1- технологический аппарат
объема V,л; 2- ультразвуковая колебательная система; 3-
преобразователь электрических колебаний; 4- волноводная система; 5-
ультразвуковой излучатель; 6- электрический генератор; 7- система контроля и
автоматизации.
Методика определения водорастворимых редуцирующих
веществ была выполнена в соответствии с приложением 5 к ГОСТу [3].
Полученные экспериментальные данные
представлены в табл. 1.
Таблица 1
Влияние времени ультразвуковой обработки
на процесс экстрагирования редуцирующих сахаров в измельченной древесине
|
№ об-раз-ца |
Время обра-ботки, мин. |
Объем KMnO4, мл. |
Содержа-ние сахара
при объеме титра KMnO4 С, мг. |
Содержа-ние водорас-творимых редуци-рующих веществ
С, %. |
рН сре-ды |
Оптическая плотность |
Кавитации |
||||
|
в растворе |
в воде |
||||||||||
|
Д1 |
Д2 |
n1 |
n2 |
n1 |
n2 |
||||||
|
1 |
5 |
6.7 |
21.20 |
0.42 |
6 |
0.685 |
0.139 |
80 |
60 |
64 |
49 |
|
2 |
10 |
11.1 |
36.20 |
0.72 |
5.8 |
0.686 |
1.496 |
63 |
52 |
56 |
45 |
|
3 |
15 |
13.9 |
46.10 |
0.92 |
5.6 |
0.844 |
1.584 |
55 |
46 |
52 |
43 |
|
4 |
20 |
16.5 |
55.40 |
1.10 |
5.4 |
0.798 |
1.653 |
52 |
46 |
52 |
44 |
|
5 |
25 |
20.1 |
68.80 |
1.37 |
5.1 |
0.766 |
1.742 |
43 |
42 |
50 |
43 |
На следующем этапе эксперимента
определялось влияния времени ультразвуковой обработки органического заполнителя
на сроки схватывания древесно-цементной смеси. В основу эксперимента была
положена методика ГОСТ [4].
Измельченная древесина обрабатывалась в
воде, в ультразвуковой ванне. В качестве базового варианта была принята
измельченная древесина без обработки. Параметры обработки приведены в табл. 2.
Таблица 2
Технологические параметры ультразвуковой обработки измельченной
древесины
|
№ образца |
Масса навески, г. |
Объем навески, см3. |
Объем воды, мл. |
Время У.З. обработки, мин. |
Температура раствора начальная, К |
Температура раствора конечная, К |
|
1 |
72 |
200.96 |
900 |
5 |
296 |
306 |
|
2 |
72 |
200.96 |
900 |
10 |
296 |
315 |
|
3 |
72 |
200.96 |
900 |
15 |
296 |
324 |
|
4 |
72 |
200.96 |
900 |
20 |
296 |
332 |
|
5 |
72 |
200.96 |
900 |
25 |
296 |
335 |
Согласно методике ГОСТ 310.3-76,
определялись нормальная густота, и сроки схватывания растворной смеси с применением прибора Вика (рис. 2).

Рисунок 2. Прибор Вика
За начало схватывания (tн. схват.)
был принят момент, когда смесь заметно изменила свои подвижные свойства при
погружении иглы Вика. За конец схватывания (tк. схват.)
был принят момент, когда игла не
погружалась в смесь без дополнительного усилия. Зависимость времени
схватывания древесно-цементного композита от времени ультразвуковой обработки
представлена на рис. 4, 5.

Рисунок 4. Зависимость начала
времени схватывания древесно-цементной смеси от времени обработки органического
заполнителя ультразвуком

Рисунок 5. Зависимость конца
времени схватывания древесно-цементной смеси от времени обработки органического
заполнителя ультразвуком
На основании эксперимента следует:
1. Применение ультразвука в
гидротермической обработке древесины является эффективным способом вымывания
водорастворимых редуцирующих веществ.
2. Увеличение времени
ультразвукового воздействия при обработке измельченной древесины существенно
повышает эффективность процесса экстрагирования водорастворимых сахаров.
3. Увеличение времени ультразвуковой
обработки древесного заполнителя от 5 до 15 минут сокращает время начала
схватывания древесно-цементной смеси на 50%, а время конца схватывания на 40%.
Таким образом, применение ультразвуковой
технологии в производстве древесно-цементных строительных материалов дает возможность
регулировать содержание водорастворимых сахаров в древесине. Время
ультразвукового воздействия на органический заполнитель непосредственно влияет
на время схватывания древесно-цементной смеси и является важным технологическим
фактором.
Литература
1.
Наназашвили, И.Х.
Строительные материалы из древесно-цементной композиции / И. Х. Наназашвили. -
Л.: Стройиздат, 1990. – 415 с.
2.
Гружанс, А. Я.
Исследование опилочных бетонов [Текст]: автореф. дис. ...канд. техн. наук:
05.23.05 /А. Я. Гружанс. - Рига, 1958. - 68 с.
3.
ГОСТ 19222 – 84. Арболит
и изделия из него. Общие технические требования [Электронный ресурс]. - Взамен
ГОСТ 19222 – 73; введ. 01.01.1985 // Техэксперт: инф.-справ. система /
Консорциум «Кодекс».
4. ГОСТ
310.3-76 Цементы. Методы определения нормальной густоты, сроков схватывания и
равномерности изменения объема. Взамен ГОСТ310-60 в части определения
нормальной густоты, сроков схватывания и равномерности распределения объема .
Введ.14.10.76. Дата актуализации: 27.01.2015 [Электронный ресурс] URL: https://cncexpert.ru/Index/25/25228.htm