UDC:
621.391.837:621.397.13
Artyukhin V.V. – PhD,
associate professor KUPS, Almaty
Safin R.T. - senior
lecturer, master student of KazATC, Almaty
Esenova A.K. - master
student of AUPET, Almaty
Device
of signals processing with variable spectrum
Abstract
The work deals with
questions of increase noise immunity of television and video systems of the
last generation with the ability to change its characteristics during
operation.
Keywords: signals
processing, increase of noise immunity, the signal spectrum.
The main task of all television systems is to obtain a high-quality
video signal on the screen of a video monitor, i.e. the image without
interference. For the filtration or the smoothing noisy useful component of
video signals, there are many different methods, the use of which depends from
the adequate mathematical model of the image and noise. The development of
digital television and video technology puts principle new classes of tasks, in
particular, the increase of noise immunity and improvement of quality of the
video signal for the systems with variable spectral width of the signal.
The main problem, which complicates the process of improving the quality
of the video signal, is limited a priori information. The use of known methods
of the smoothing signals against the background additive noise requires a
priori knowledge about the useful component and the statistical properties of
the additive noisy component. Reducing the amount of a priori information
greatly complicates the processing and, in some cases, makes the mandatory
participation of a human [1]. The use of the optimal methods of assessment requires a priori information about the
cross-correlation function between the original video signal, which to be
processed, and allocated two-dimensional useful signal, that very rarely can be
realized in practice.
The image can be described as a two-dimensional function
, where x and y – mean squared
component of errors of the coordinate in the space (specifically on the plane),
and value f at any point, defined by a
pair of coordinates (x, y), called intensity or level of gray images in this
point. If the values x, y and f are taking a finite number of discrete values,
we speak of a digital image. Image itself is a function of spatial coordinates,
which varies in these coordinates slower, than interference. A simplified
mathematical model of the original image is a two-dimensional discrete sequence
,
,
,
type
,
,
,
(1)
where
- useful two-dimensional component
(the original undistorted video signal);
- additive noisy component;
- number of lines;
- the number of columns of
two-dimensional matrix of the images.
The image can be considered as a rectangular matrix
, with rows i and columns j, where N
and M - respectively, height and width of the image in pixels.
Devices of signal processing, that implement multicriterial method of
processing (patent № 2362208, IPC G06F17 / 18) and a serial to parallel method
of signal processing (patent № 2321053, IPC 7 G06F 17/18) well enough cope with
the task [2]. These devices comprise registers of the storage input realization
of processed signals, arithmetic adder, registers of the storage output
realization, in which control units are introduced, the defining parameters of
the method of reproduction assessments,
units the formation of the matrix of coefficients, which form the matrix
of the impulse response, and other necessary components, allowing to solve
problems. In addition, eliminates the need to memorize values of the all input
realization and the used a simplified mathematical model of the input sequence
of measurement results can be represented as a convolution.
However, in the device of signal processing (patent № 2362208, IPC G06F17 / 18) one of the main drawbacks,
namely the high computational expenditures, has not been eliminated, and a
serial-parallel device of signal processing (patent № 2321053, IPC 7 G06F 17/18
) is able to operate only at a single fixed clock frequency, which limits its
using, eliminating the possibility of its utilization in the technique with
variable spectrum of the signal.
With the new generation of transmitting video cameras HD-SDI, a video signal is capable of
changing its width in a large range of the spectrum [3]. The dependence of the
spectral width of the image with different frame rates equal 25 f / s, 50 f /
s, 100 f / s on the number of scanning lines equal to 625 and 1080, shown in
Figure 1.
The elimination of disadvantages of serial-to-parallel devices of signal
processing (patent № 2321053, IPC G06F 17/18 7) can be achieved by using the
generator of clock pulse, the frequency of which varies depending on the
spectral width of the input signal, and by using frequency-dependent
coefficients. The technical result, obtained by using the proposed new devices
- increase noise immunity of signals in the systems with variable spectrum.
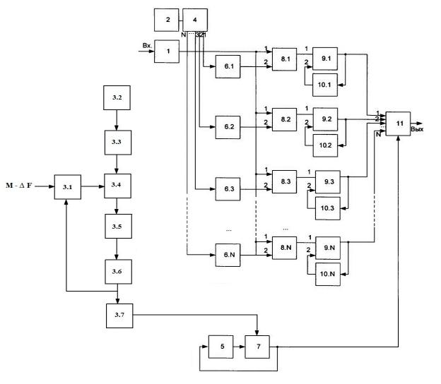
Block scheme of the device shown in Figure 2.

Figure 1 - The dependence of the spectral width of the
video signal from the frame rate and resolution

Figure 2 - Block scheme of the device
This technical result achieves by introducing into the existing device
of frequency synthesizer, based on a divider with a variable division
coefficient. The value of the division coefficient, which is proportional to
the bandwidth, applied to the input of a divider with a variable division
coefficient (DVDC node 3.1). On the other input of the DVDC is sent signal from
tunable generator 3.6, which used as the generator of clock pulse through the
restrictor 3.7. From the output of DVDC signal is sent to the frequency
converter 3.4. On the other input of frequency converter 3.4 through the buffer
amplifier 3.3 is sent signal from the crystal generator 3.2. The output signal
from the frequency converter through a low pass filter 3.5 is sent to a
management of tunable generator; establishes the necessary frequency of
generator, which is proportional to the division coefficient M and the
bandwidth of the input signal.
Conclusion:
The technical result, obtained by using the proposed new devices -
increase noise immunity of signals in the systems with variable spectrum.
Request № 2013 / 1815.1 is registered 03.12.2013, Aug 4, 2014 received positive conclusion № 20546 about
extradition of innovative patent for the invention.
List
of used literature:
1 Марчук В.И., Воронин В.В. Методы и
алгоритмы восстановления изображений в условиях неполной априорной информации.
Монография. – М.: ГОУ ВПО «ЮРГУЭС», 2010.
2 Патент 2321053 Россия.
Последовательно-параллельное устройство обработки сигналов/Марчук В.И.,
Шерстобитов А.И., Воронин В.В., Семенищев Е.А., Дубовсков В.В. (Россия); Опубл.
12.02.2009.
3 Омельянчук А.М. Видеокамеры высокого
разрешения. Реальные возможности. Интернет-страница ОАО «Формула безопасности».
http://cy.arbalet-spb.ru/videokamery-vysokogo-razresheniya--realnyevozmojnosti_4266.html