UDC:
621.391.837:621.397.13
Artyukhin V.V. – PhD,
associate professor KUPS, Almaty
Shabelnicov E.A. - PhD, associate professor KUPS, Almaty
Safin R.T. - senior
lecturer, master student of KazATC, Almaty
Robust
nonlinear filtration of signals with a variable spectrum
Abstract
The results
of experiments on increase of a noise stability video systems of means of
the nonlinear filter with the changing cut frequency are given in a work.
Keywords:
robastny filtration, processing of signals, increase of a noise stability,
signal spectrum.
Get a widespread system, which changes the signal spectrum, which
complicates the decision of its noise immunity. The main objective of this work
is to determine the possibility of improvement the quality of the video signal
with variable width of the spectrum and pulse interference.
One of the simplest decisions of improvement the quality of signal is
the use of linear filtration. Linear filtration exclude out-of-band interference,
but to exclude or reduce the in-band interference can not. That is, linear
filtration averages without considering all possible values of interference.[1]
One of the prospective methods is the use of robust nonlinear filtration
The main difference and the main advantage nonlinear filtration from the linear
filtration is the use in practical implementations, when unknown
characteristics of the signals and interference. The main ones are temporary
stationarity, i.e. unchanged in time the main statistical and
spectral-correlation characteristics of signals and interference, and often a
Gaussian distribution law of the noise, that need to be put down. Therefore,
noise immunity of robust system more than the matched filtration (МF) approximately 3 dB, and the quasi-optimal linear filtration (QLF) - 5
dB. [2]
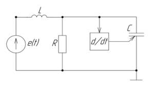
Figure 1 presents functional scheme of robust nonlinear filter.[3]

Figure 1– Functional scheme of robust nonlinear filter
In perspective of the use of this non-linear filtration
advisable its possible use in video surveillance systems. The work presents
experimental research possibilities of this method. The principal difference of
the new filter is modification of the clock frequency switching of nonlinear
capacitance as a function of the width of the spectrum of the input signal. On
the basis of this scheme has been
designed model on the PCB; her scheme is shown in Figure 2.

Figure 2– Tracing PCB of model robust nonlinear filter
Block scheme of the experiment
included: robust nonlinear filter on the chip K500LM102 with TTL logic
field-effect n-channel MOS transistors with insulated gate BSS 138; the oscilloscope С1-220; generator
G4-151 with a maximum frequency of 150 MHz; a video camera with different
resolution, and therefore, with different width of the
output signal (NVC-825DN) and a pulse generator (interference) UTS-2010.
Figure 3 presents a block scheme of the experimental
equipment.

Figure 3 – Block scheme of the experiment
The program of the experiment included:
- getting the test image from a video camera connected to a video
monitor, without the presence of any interference;
- check the filter with the presence (connection) in-band pulse
interference of different frequencies from the pulse generator GCP UTS-2010 with a change frequency of the clock pulses from generator G4-151.
The spectrum of the input signal changed by switching the TV lines 380
to 580 TVL. Pulse interference connected at frequencies equal 3,33 MHz, 4,0 MHz, 5,0 MHz, 6,67 MHz. Table 1 shows the values obtained in
the experiment, and the waveform (Figure 4) shows, that when connecting the
robust nonlinear filter high frequency pulse interferences disappear, but it
decreases the signal level at 25% in contrast to the original.

Figure 4– Image of waveform when checking the filter
T a b l e 1 – Signal levels for 420 TVL, at Umout
= 1,0 V, Upulse.interf = 2,0 V
|
fclock, MHz |
50 |
60 |
70 |
80 |
82,1 |
90 |
100 |
110 |
120 |
123,33 |
130 |
140 |
|
Umout,
video, V |
0,9 |
0,9 |
0,9 |
0,9 |
0,9 |
0,9 |
0,9 |
0,85 |
0,75 |
0,7 |
0,5 |
0,2 |
|
Umout, puls. interf. 1
(3,33 MHz),V |
1,9 |
1,9 |
1,85 |
0,8 |
0,5 |
- |
- |
- |
- |
- |
- |
- |
|
Umout, puls. interf. 2
(4,0 MHz), V |
1,9 |
1,9 |
1,9 |
1,9 |
1,9 |
1,85 |
0,45 |
- |
- |
- |
- |
- |
|
Umout, puls. interf. 3
(5,0 MHz), V |
1,9 |
1,9 |
1,9 |
1,9 |
1,9 |
1,9 |
1,9 |
1,85 |
1,78 |
0,45 |
- |
- |
|
Umout, puls. interf. 4
(6,67 MHz), V |
- |
- |
- |
- |
- |
- |
- |
- |
- |
- |
- |
- |
Figure 5 shows the dependence of the output signal
from the clock frequency for the different frequency of pulse interference.

Figure 5 - The dependence of voltage Um out from
the clock frequency for the different frequency of pulse interference
It can be seen, that at the value of the clock
frequency of about 123.33 MHz occurs blockage characteristics to a value not
exceeding 0.7 the maximum, and all the signals of pulse interference are
practically absent, that confirming the theoretical positions, that the clock
frequency of switching of filter must correspond to 25-times the width spectrum
of the input signal. Similar values were obtained for the input signals with
other width spectrum. The values of the clock frequency conformed to the
theoretical.
Conclusion:
Thus, the experiment confirmed that a robust nonlinear
filter is capable of operating in a changing of input signal spectrum, also
requires a matched frequency of clock generator. Simulation and experimental
results of robust systems indicate that increasing the noise immunity compared
with known structures can be up to (10 - 20) dB and they may be used in systems
with a changing of input signal spectrum.
List
of used literature:
1. Марчук В.И., Воронин
В.В. Методы и алгоритмы восстановления изображений в условиях неполной
априорной информации. Монография. – М.: ГОУ
ВПО «ЮРГУЭС», 2010.
2.
Huber J. Robustness in statistics: translation from English [Text] / J. Huber.
- M .: Nauka, 1984 - 304 p.
3.
Makhlin A.A. Filters on switched-capacitor / AA Makhlin // Magazine
"Components and technologies." - 2008. - T.10, №6. - P. 10-12.