Фамилия Сулейменов______________________________________________
Имя_______Оралбек___________________________________________________
Отчество _Анарбекович________________________________________________
Учетная степень звание_____докт.
техн. наук______________________________ Организация , должность__профессорТаразского госуниверситета_____________
Адрес 080000 Казахстан, г.Тараз,_массив Тонкуруш, 3 дом, 61 кв._________
Телефон_______87775121061____________________________________________
E-mail___elsepare@mail.ru_______________________________________________
Секция ТЕХНИЧЕСКИЕ НАУКИ 6.Электротехника и радиоэлектроника_____________
Название доклада Способ комбинированного высоковольтного питания____ электростатических
сепараторов__________________________________
Фамилия автора :
Сулейменов О.А.
Название тезисов: Способ
комбинированного высоковольтного питания____ электростатических сепараторов__________________________________
Страна:
Казахстан Количество страниц: 4
Необходимое количество
сборников: 1
Название конференции:
Современные научные
достижения 27 января -05 февраля 2012
г.Чехия
Почтовый адрес для отсылки
сборника заказным письмом
(обязательно указывайте ФИО получателя , ,название улицы ,номер дома, номер
квартиры , город , область, почтовый индекс ,страну):
Сулейменов Оралбек Анарбекович
Массив
Тонкуруш, дом 3, кв. 61
г.Тараз, Жамбылская область,
080000 Казахстан
e-mail:
elsepare@mail.ru Мобильный телефон: 87775121061
Название секции: ТЕХНИЧЕСКИЕ
НАУКИ 6.Электротехника и
радиоэлектроника
ТЕХНИЧЕСКИЕ НАУКИ 6.Электротехника и радиоэлектроника
Д.т.н.
Сулейменов О.А.
Таразский
государственный университет, Казахстан
Способ комбинированного высоковольтного питания электростатических
сепараторов
Электростатические
устройства, предназначенные для
разделения твердых сыпучих материалов в электростатическом поле высокого
напряжения, отличаются от
альтернативных механических способов возможностью управления
траекторией отдельных частиц милли-микродисперсной
фракции.
Электростатическая сепарация коллективных концентратов в поле
пульсирующего высокого напряжения в ряде случаев обладает высокой
эффективностью по сравнению с постоянным режимом.
При
теоретическом анализе допустим, что за
время между импульсами тока коронного разряда внешний объемный заряд в
межэлектродном пространстве отсутствует. В пределах одного периода Т за
время приложения импульса тока коронного разряда tiи происходит
зарядка частицы, а за время паузы tiп она
разряжается на осадительный электрод. Процесс
зарядки при удельной проводимости частицы
g1< 0,25×10-9Ом-1×м -1 для моментов
t1 = T, t2 = 2T, t3 = 3T.......
tn = nT
характеризуется решетчатой функцией. Если отсчет времени вести от начала периода
t1= t–nT, то на интервале 0 £ t1 £ tiи происходит заряд частицы по возрастающей экспоненте. Тогда заряд частицы к моменту tiи
q
u¥ (tiи) = q¥ [1-exp(- tiи / t3)]+q u¥ [nT] exp(- tiи /t3) (1)
где tз – постоянная
времени зарядки частиц;
q¥ – предельный заряд частицы в поле
коронного разряда, созданного постоянным напряжением амплитудой равной Uк ;
qu¥
– предельный заряд
частицы в поле коронного разряда, созданного импульсным напряжением амплитудой
Uк.
За время паузы
между импульсами tiи £ t £ T частица, имеющая начальный заряд qu¥(tiи), разряжается на осадительный электрод
qu(t) = qu(tiи) × exp[-(t- tiи)/ tp] (2)
где tр – постоянная времени
разрядки частиц;
Подставляя конечное
значение исследуемого промежутка времени, получим
qu (T) = q u¥ [(n+1)T] = qu
(tiи) × exp[-(T- tiи)/ tp] (3)
Из последнего уравнения
получим равенство, связывающее значения
q ¥[nT] и q u¥
[(n+1)T] искомой решетчатой функции
qu¥[(n+1)T]-Bqu¥[nT]=N (4)
где В = exp[-{(T- tiи)/ tp + tiи / t3}]
;
N = q¥ [1-exp(-tiи /t3)] × exp [-(T- tiи)/tp]
Последнее уравнение является неоднородным линейным уравнением в
конечных разностях первого порядка. С
учетом изображения единичной решетчатой функции в плоскости комплексного
переменного b, а также применяя
теорему сдвига определим изображение qu¥(b) решетчатой
функции.
Оригинал изображения последнего уравнения, найденный
при помощи обратного дискретного
преобразования, является искомой решетчатой функцией. Подставляя значения параметров t3, tp и q¥, получим кинетику зарядки частиц (g1<0,25×10-9Ом-1×м-1), управляемой параметрами тока коронного
разряда tiи и tiп .
Из экономических соображений и для
удобства проведения промышленных испытаний в сравниваемых режимах целесообразно
устройство пульсирующего напряжения разработать на основе источников ВС-20-10,
установленных на пятиблочных промышленных сепараторах типа СЭС-1000М. С этой
целью разработана электрическая схема и изготовлен экспериментальный образец
устройства, названного «Вспомогательный источник питания электростатических сепараторов-2», сокращено ВИПЭС-2.
Устройство пульсирующего напряжения состоит из источника постоянного
тока и формирователя импульсного напряжения. Получение пульсирующего напряжения
осуществляется при комбинированном питании коронирующей системы сепаратора от источника
постоянного напряжения ВС-10-20 и устройств импульсного напряжения ВИПЭС-2. С
целью определения приемлемого способа подключения устройства к основному
источнику сепаратора испытания на сепараторе СЭС-1000М проведены по двум
вариантам.
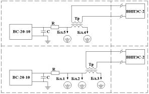
По
первому варианту, высоковольтный трансформатор устройства ВИПЭС-2 подключен
последовательно с основным источником питания по отношению к верхним блокам 3 и
4 сепаратора (рис.1).

Рисунок 1
При
совместной работе ВС-20-10 и ВИПЭС-2 получена соответствующая требованиям форма
пульсирующего высокого напряжения. Однако, амплитуда пульсирующего напряжения в
блоках сепаратора оказалась неравномерной. Например, последовательное включение
трансформатора ВИПЭС-2 в трехблочную секцию приводит к неравномерному
распределению амплитуды пульсирующего напряжения в блоках в зависимости от
места подключения импульсного трансформатора. Если трансформатор подключен в
главном блоке (блок 3) сепаратора, то амплитуда пульсирующего напряжения в
остальных блоках (блок1 и 2) убывает в направлении к основному источнику, т.е.
в направлении к источнику ВС-20-10.
Во
втором варианте подключения высоковольтного трансформатора устройства ВИПЭС-2 к
источнику ВС-20-10, для совместной работы принята параллельная схема. В отличие
от последовательной схемы, подключение высоковольтного трансформатора к электродам сепаратора
производится через разделительный конденсатор С3. Свободный конец
вторичной обмотки трансформатора ВИПЭС-2 заземляется.
Высоковольтные биполярные импульсы, подаваемые от устройства ВИПЭС-2 на
высоковольтные электроды, накладываются на постоянное напряжения источника
ВС-20-10 и образуют высокое пульсирующее напряжение. В отличие от
последовательной схемы коронный разряд во всех блоках секции становится ярким и
равномерным по всей длине коронирующего игольчатого электрода. Искровые пробои
в коронирующих промежутках отсутствуют. При соответствующих условиях можно
применить схему высоковольтного питания обеих секций коронно-электростатического
барабанного сепаратора от одного устройства ВИПЭС-2 (рис.2).

Рисунок 2
Промышленные испытания предложенного способа
высоковольтного питания подтвердили возможность повышения эффективности
процесса в электростатических сепараторах, предсказанных по результатам
теоретических анализов процесса.