Сельское хозяйство/2. Механизация сельского хозяйства
К.т.н. Дмитриев Н.В., Светлов М.И.
Рязанский
государственный агротехнологический университет имени П.А.Костычева, Россия
Перспективы развития
газогенераторных установок в сельском хозяйстве
Рост стоимости традиционных видов топлива,
ужесточение контроля утилизации отходов, стремление снизить издержки – все эти
факторы заметно увеличили интерес к газогенераторным установкам. Дополнительный
интерес вызывает тот факт, что в качестве топлива данные источники энергии чаще
всего используют отходы биомассы, так называемые возобновляемые источники
энергии. При наличии огромного лесного потенциала в России слабо используется
технология утилизации отходов производства древесины. Одно из направлений
решения данной проблемы – использование газогенераторов для преобразования
биомассы в доступную форму энергии.
Газогенератор – это установка
для получения горючего газа из твердого топлива. В качестве твердого топлива,
как правило, применяются местные ресурсы: уголь, торф, древесина, солома, а так
же отходы сельскохозяйственных и деревообрабатывающих производств. Превращение
твердого топлива в газообразное называется «газификацией» и заключается в
сжигании топлива с поступлением количества кислорода воздуха или водяного пара,
недостаточном для полного сгорания.
Генераторный газ состоит из горючих компонентов (СО, Н2,
СН4, СnHm) и балласта (СО2, О2,
N2, Н2О, смолы, сажа).
Примерный состав газа,
полученного в газогенераторе обращенного процесса газификации при работе на древесных
чурках абсолютной влажностью 20%, следующий (в % от объема):
– водород Н2 16,1%;
– углекислый газ СО2
9,2%;
– оксид углерода СО 20,9%;
– метан СН4 2,3%;
– непредельные углеводороды СnHm
(без смол) 0,2%;
– кислород О2 1,6%;
–
азот N2 49,7%. [1]
Газогенераторные установки преимущественно
используются для получения тепловой энергии, но их так, же можно использовать для получения горючего газа,
используемого в двигателях внутреннего сгорания.
Газификация твердого топлива
требует подбора специальных технологических решений по подготовке газа для поступления его в двигатель. Разработка
методов очистки генераторного газа – один из критических, ключевых моментов применения
установок. Для работы двигателя внутреннего сгорания, в течение заявленного
заводом изготовителем ресурса требуется уделять внимание качеству генераторного
газа.
Во-первых, необходима высокая
степень очистки генераторного газа от вредных примесей (сажа, смолы), которые
снижают ресурс двигателя.
Во-вторых, нужно увеличивать
калорийность генераторного газа для увеличения КПД.
В-третьих, необходима система
охлаждения генераторного газа перед подачей в двигатель внутреннего сгорания.
Для решения поставленных задач
кафедрой «Автотракторные двигатели и теплотехника» Рязанского государственного агротехнологического
университета имени П.А.Костычева предложен способ очистки и увеличения
калорийности генераторного газа. Способ заключается в том, что в газогенераторе
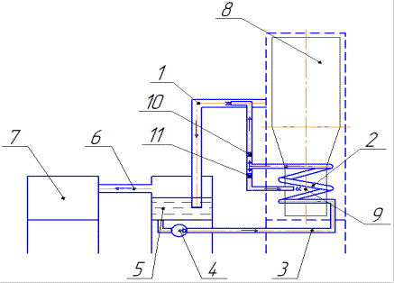
установлен теплообменник (рис.1), через который прокачивается вода из конденсатора-очистителя,
установленного на газопроводе и частично заполненного водой. При прохождении
через теплообменник вода подогревается до состояния перегретого пара, который
поступает с воздухом в активную зону газогенератора для увеличения калорийности
газа путем обогащения водородом [2], а также в газопровод и вступает в реакцию
с продуктами генераторного газа. Полученная парогазовая смесь поступает в
конденсатор-очиститель, где происходит конденсация пара и осаждение связанных
паром продуктов газа. Затем очищенный газ подается в двигатель внутреннего
сгорания.

Рис. 1. Способ очистки и увеличения калорийности
генераторного газа газогенератора: 1-газопровод; 2-теплообменник;
3-трубопровод; 4-насос; 5-конденсатор-очиститель; 6-выпускной патрубок; 7-ДВС;
8-газогенератор; 9-фурменный пояс; 10,11-регулировочные дроссели.
Таким образом, решение
поставленных проблем позволит повысить эффективность газогенераторных
установок, работающих в составе двигатель внутреннего сгорания –
электрогенератор. Что в свою очередь поможет решению энергетических проблем в
местах со слабой энергетической инфраструктурой при наличии большого количества
возобновляемых ресурсов.
Литература:
1. Бит Ю.А., Беленький Ю.И.
Производство древесного топлива. - СПб.: СПбЛТА, 2001.
2. Юдушкин Н.Г., Артамонов М.Д.
Газогенераторные тракторы теория, конструкция и расчет. - М.: Государственное научно-техническое издательство
машиностроительной литературы, 1955.