Федорова
Е.А.1, Туленин
С.С.1, Маскаева Л.Н.1,2, Марков
В.Ф.1,2
1 ФГАОУ ВПО Уральский федеральный университет имени первого
Президента России Б.Н. Ельцина, Россия
2 Уральский институт ГПС МЧС России, Россия.
Исследование тонких пленок Cu-(In,Ga)-Se2, полученных с помощью метода гидрохимического
осаждения
Соединения
CuInxGa1−xSe2 (CIGS)
признаны наиболее перспективными материалами для использования в качестве
оптически активного слоя в тонкопленочных солнечных элементах нового поколения.
CIGS являются прямозонными полупроводниками с шириной
запрещенной зоной, меняющейся в зависимости от состава от 1,04 до 1,68 эВ. К
настоящему времени эффективность преобразования тонкопленочных СЭ на основе CIGS
превышает 19,2 %, а кпд модулей с размерами 30×30 см2 с
поглощающим слоем соединения Cu(In,Ga)(S,Se)2
составляет 11,6 % [1].
В настоящей работе приводятся исследования по
синтезу и исследованию морфологии, атомного состава и толщины свежеосажденных
тонких пленок на основе CIGS, полученных методом
гидрохимического осаждения, который является достаточно
простым, с минимальным энергопотреблением, с широкими возможностями
варьирования состава и функциональных свойств.
Анализ литературных данных и
проведение предварительных исследований позволили выбрать основные компоненты
реакционной смеси для получения пленок CuInxGa1−xSe2.
Химическое соосаждение пленок
селенидов меди(I), индия и галлия осуществляли на предварительно обезжиренные
подложки из ситалла марки СТ-50-1 в трех вариантах. В первом случае для
осаждения использовали водные растворы хлорида меди(II)
CuCl2, хлорида индия InCl3 и нитрата галлия Ga(NO3)3 в
соотношении 1,0:1,0:1,0, соответственно. Во втором варианте это соотношение
составляло 1,0:1,25:1,0, а в третьем – 1,0:1,0:1,25. В качестве
халькогенизатора (источника селена) применяли водный раствор селеносульфата
натрия Na2SeSO3.
Во всех трех случаях синтез пленок осуществлялся в герметичных
стеклянных реакторах, в которые помещали подложки, закрепленные в специально
изготовленные фторопластовые держатели.
Для реакционной смеси использовали водные растворы солей меди(II), индия и галлия, приготовленные заранее.
Далее отбиралось рассчитанное количество каждого из них из расчета общего
объема реакционной смеси, равной 50 мл. При формировании фазы селенида Cu2+
полностью переходит в одновалентное состояние Cu+, что
подтверждается рентгеновской фотоэлектронной спектроскопией [2].
Особое внимание уделялось
халькогенизатору. Это было связанно не только с ощутимой разницей в их цене
(селеносульфат натрия на порядок дешевле селенокарбамида N2H4CSe), но и с получением различных побочных
продуктов реакции, изменением ряда констант при расчете граничных условий, а,
следовательно, и с изменением условий осаждения пленок.
Для получения воспроизводимых
результатов во всех опытах обеспечивался строго определенный порядок сливания
реагентов.
Предварительно обработанную подложку
погружали в реактор из молибденового стекла с реакционной смесью. Затем реактор
помещали в термостат марки «Ultra–Thermostat U-10», в котором поддерживалась задаваемая температура с точностью
± 0,1 K. После окончания требуемого для
синтеза времени подложку, покрытую пленкой, вынимали из реактора и промывали
большим количеством дистиллированной воды от остатков рабочих растворов.
В процессе гидрохимического синтеза были получены пленки халькопиритных
соединений Cu-(In,Ga)-Se2 толщиной
165-210 нм с хорошей адгезией к подложке.
Исследование структуры полученных образцов Cu-(In,Ga)-Se2 было проведено при помощи растрового
электронного микроскопа JEOL JSM-6390 LA с
приставкой JED 2300.
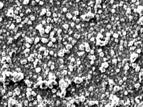
На рис.1а показано
микроэлектронное изображение пленки Cu-In-Ga-Se с равными концентрациями меди(I), индия и галлия. Пленка образована из
неравномерно распределенных наноструктурных агрегатов.
Увеличение в реакционной смеси концентрации соли
индия повлекло за собой изменение текстуры пленки: образованию агрегатов
глобульной формы со средним размером 225 нм (рис.1б). Увеличение концентрации соли галлия, приводит к уменьшению
сферических агрегатов до 200 нм (рис.1в).

а б в
Рисунок 1. Электронно-микроскопическое
изображение пленок Cu-(In,Ga)-Sе2,
полученных из реакционной смеси, содержащей:
а – [CuCl2] : [InCl3] : [Ga(NO3)3]
= 1,0 : 1,0 : 1,0;
б – [CuCl2]
: [InCl3] : [Ga(NO3)3] = 1,0 : 1,25 : 1,0;
в – [CuCl2]
: [InCl3] : [Ga(NO3)3] = 1,0 : 1,0 : 1,25.
Элементный
состав слоев анализировали с использованием метода энерго-дисперсионной
рентгеновской спектроскопии (EDX), результаты которого представлены в табл.1.
Таблица 1. Результаты энерго-дисперсионного
анализа, ат. %
|
Cu:In:Ga |
Cu |
In |
Ga |
Se |
|
1,0:1,0:1,0 |
34,37 |
0,89 |
1,41 |
63,33 |
|
1,0:1,25:1,0 |
36,61 |
2,65 |
0,35 |
60,39 |
|
1,0:1,0:1,25 |
36,72 |
1,31 |
2,75 |
59,22 |
Проведенные в настоящей работе исследования
элементного состава с использованием метода энерго-дисперсионной рентгеновской
спектроскопии (EDX) показал, что содержание металлов в
тонкопленочной структуре существенно зависит от их соотношения в реакционной
смеси.
Анализ экспериментальных данных свидетельствует,
что из реакционных смесей с преобладанием соли InCl3
либо Ga(NO3)3 по сравнению с CuCl2 синтезированы
халькопиритные слои Cu-In-Ga-Sе,
содержащие до 36,61-36,72 ат.% меди. Менее обогащенные по меди (34,37
ат.%) слои получены из реактора с соотношением [CuCl2] : [InCl3] : [Ga(NO3)3]
= 1,0 : 1,0 : 1,0.
Стоит отметить, что увеличение доли соли индия в
реакционной смеси в 1,25 влечет рост содержания индия в составе тонкопленочной
структуры примерно в 3 раза (с 0,89 до 2,65 ат.%) при
одновременном снижении галлия
с 1,41 до 0,36 ат.%. При аналогичном увеличении соли галлия в реакторе наблюдается
повышение количества как галлия с 1,41 до 2,75
ат.%, так и
индия с 0,89 до 1,31 ат.% в слое Cu-In-Ga-Sе.
Литература:
1.
M. Park, S. Ahn, J.H. Yun, J. Gwak, A. Cho, S. Ahn, K. Shin, D. Namb, H.
Cheong, K. Yoon «Characteristics of Cu(In,Ga)Se2 (CIGS) thin films deposited by a direct solution coating process». Journal of Alloys and Compound, No. 513,
pp 68–74, 2012.
2.
В.Ф. Марков, С.С. Туленин, Л.Н. Маскаева, М.В. Кузнецов, Н.М. Барбин. Состав и субмикронная
структура химически осажденных на ситалловых подложках пленок Cu2Se-In2Se3. Письма в
ЖТФ. 2012. Т. 38, Вып. 6, С. 77-82.
3.
I. Janicki, V.
Zelionkayte and E. Patsaskas «Analysis of mixtures of certain oxygen compounds
of selenium and sulfur». Journal of Inorganic
Chemistry, Vol. 2, No. 6, pp.
1341–1348, 1957.