Г.Ж.ЖЕТІМЕКОВА аға оқытушы,
ҚарМУ, Қарағанды қаласы
ТАНУ ЖҮЙЕСІНДЕГІ НЕЙРОНДЫҚ ЖЕЛІ ҚЫЗМЕТІ
Соңғы
онжылдықта математиканың жаңа қолданбалы аймағы
жасанды нейрондық жүйе ретінде дамып келе жатыр. Жасанды нейрондық
желі негізінде интеллектуальды жүйелер, бейнелерді тануды, бақылаудың
орындалуын, тиімдікті, ассоциативті жады және басқарудың мәселелерін
орындап келе жатыр. [1]
Жасанды нейрондық желінің құрылымы
төменде көрсетілген:

Сурет 1. Жасанды нейрондық жүйенің
құрылым
Бейнені тану үшін
екі алгортимге бөліп қарастырамыз. Олар: объективті жіктелу, тізбекті жіктеу
алгоритмі.
Адамның
бет бейнесін тану жүйесінің
негізгі сипаттамасы болып бейненің кейбір кластарға жататындығын
тексеру болып табылады. Осы тапсырманы шешу үшін бөлінетін
функцияларды қолдану болады. [2]
Нейрондық
желінің шығуы мына формуламен есептеледі:

мұндағы
k – 0-ден L-ға дейінгі өсетін ағымдағы қабық,
P - (k-1) алдындағы қабықтың
нейронының саны,
I – ағымдағы
қабықтағы нейронның индексі,
J – алдындағы
қабықтағы нейронның индексі,
xi
– кіру бейнесінің пикселі,
yki
– k қабығының шығу мәні,
wij
– jk-1 және jk нейронын байланыстыратын салмақ.
Активациялық
функция ретінде гиперболалық тангенсті қолдануға болады.
Нейрондық үлгінің біріншісін Маккаллок-Питс шығарды.
Осындағы нейрон бинарлы элемент болып табылады. Ол модельдің
кестесі төменде келтірілген.


1. Кіріс
сигналдар xj (j=1,2,…n) сәйкес wij салмағымен есептеліп,
қосылады.
2. Сумматорда
соңғы Wio мәнімен салыстырылады. Шығатын
нейрон сигналы yi төмендегі тәуелділікпен есептеледі.
![]()
Функцияның
аргументі болып келесі қосынды сигнал алынады.
![]()
Мұндағы
f(ui) функцияның белсенділігі деп аталады. Маккаллок-Питс
улгісінде табалдырықты функцияның түрі төмендегіде
болады:
![]()
wij
коэффиценттері синаптикалық байланыс салмағын көрсетеді. wij
мәні оң болса, ол тудырушы (қоздырушы) синапс болады,
ал wij мәні теріс
болса онда кедергілі синапс болады. Егер wij = 0 болса, онда I мен j нейрондары арасында байланыс жоқ
деп есептеледі. Маккаллок-Питс моделі дискретті модель болады. Нейрон (t+1) мәнге
ие болады, алдыңғы уақытта t-ға ие болады.
Нейрондық
желі бірнеше үлкен айнымалылардыңғ функция аппроксиматорында үлкен
роль атқарады. Ол сызық емес функция арқылы іске асады:
![]()
мұндағы
x – кіру векторы;
y – бірнеше айнымалылар векторының функциясын тарату.
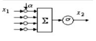
2-суретте
желі мысалы келтірілген. Ондағы α параметрінің үлкеюі
: дыбысына бірмәнділік
әрекет етуге әкеледі. Ал оң сандар үшін
– үлкейеді.

Сурет 2. Монотонды емес желі
фрагменті
Осындай
желінің шығатын дыбысы монотонды
емес желі α параметіріне тәуелді
болады. [3]

Сурет
3. Монотонды желінің жалпы кестесі.
Ерекше көңіл
аударатын желі класының архитектурасы ол – салмақ байланысысыз
желі. Осы желі коннекциондылық қатынасына қарсы қатынас
болып табылады.
ӘДЕБИЕТТЕР
ТІЗІМІ:
1.
Головко В.А.
Нейроинтеллект: Теория и применения. Книга 1. Организация и обучение нейронных
сетей с прямыми и обратными связями - Брест:БПИ, 1999. 160 б.
2.
Головко В.А.
Нейроинтеллект: Теория и применения. Книга 2. Самоорганизация, отказоустойчивость
и применение нейронных сетей - Брест:БПИ, 1999. 128 б.
3.
Уоссермен Ф.
Нейрокомпьютерная техника: Теория и практика. 1992. 84 б.
4.
Самаль Д.И.,
Старовойтов В.В. - Подходы и методы распознавания людей по фотопортретам. -
Минск, ИТК НАНБ, 1998. 4 б.