Костик С. І.
Національний
технічний університет України «КПІ»
Інституту
технічної теплофізики НАН України (ІТТФ НАНУ)
Апаратурно-технологічна
лінія виробництва рідких концентратів метаногенів для інтенсифікації роботи
біогазової станції
На
сьогоднішній день технологія концентрування (зневоднення) термолабільних
мікробіологічних матеріалів є актуальною проблемою в мікробіологічній,
харчовій, фармацевтичній промисловості та в ресурсоенергозберігаючих
технологіях, таких як біогазова технологія переробки органічних відходів[1].
Ринок
біогазових станцій на території України поступово зростає, однак дана
технологія володіє певними недоліками, пов’язаними з досить тривалим періодом
протікання реакції в метантенках, що в свою чергу впливає на термін окупності
біогазового комплексу, собівартість обладнання якого достатньо висока[2].
Для
інтенсифікації біогазового процесу, було запропоновано спосіб концентрування
анаеробних мікробіологічних препаратів, тобто тих препаратів (метаногенів),
завдяки яким протікає біогазовий процес, з подальшим їх внесенням в біореактор.
Концентрування таких мікробіологічних препаратів є складною задачею, оскільки
метаногени втрачають свою життєздатність при наявності кисню, в якості
теплоносія неможливо використовувати повітря, а також необхідно вести процес
в умовах, коли температура розчину, що
концентрується, не перевищує температуру мокрого термометра[3].
В ІТТФ НАН
України розроблена Тепломасообмінна технологія одержання рідких концентратів
метаногенів (анаеробних мікроорганізмів, які перетворюють субстрат у біогаз),
яка реалізується в роторно-дисковому плівковому випарному апараті та
допоміжному устаткуванні технологічної лінії.
Внесення концентратів метаногенів в метантенки біогазових станцій
підвищує загальну концентрацію активних біогаз-продукуючих мікроорганізмів, що
позитивно впливає на інтенсивність протікання процесу, його керованість та скорочення
періоду зброджування субстрату

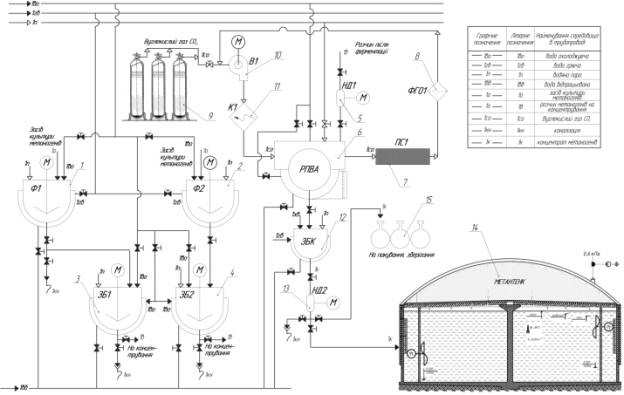
Рис.1. Схема
апаратурно-технологічної лінії виробництва рідких концентратів метаногенів.
Технологічний процес відбувається у декілька етапів:
1. Ферментація
культуральної рідини метаногенів.
2. Охолодження
культуральної рідини метаногенів та внесення захисних добавок проводиться за
регламентом.
3. Концентрування
(зневоднення) культуральної рідини метаногенів.
4. Охолодження
концентрату культуральної рідини метаногенів.
5. Фасування,
пакування, зберігання готового продукту.
Висновки
1. Запропонована
енергоефективна тепломасообмінна технологія виробництва рідких концентратів
метаногенів, яка може бути використана для інтенсифікації біогазового процесу.
2. Розроблений
пристрій для зневоднення (концентрування) термолабільних мікробіологічних
матеріалів в анаеробних умовах.
3. Запропонована
апаратурно-технологічна лінія виробництва рідких концентратів метаногенів.
Література
1.
Шидловський, А. К. Енергоефективність та відновлювані джерела енергії
[Текст] / А. К. Шидловський // К.: Українські енциклопедичні знання - 2007. –
560.
2. Барбара Эдер Биогазовые установки. Практическое пособие [Текст] / Барбара Эдер, Хайнц Шульц // Мюнхен, 1996. – 168.
3.
Ободович О. М. Дослідження процесу зневоднення мікробіологічних матеріалів
в роторно-плівковому випарному апараті [Текст] / О. М. Ободович, С. І. Костик // Восточно-европейский
журнал передовых технологий - 2013, т.
66. № 6. – с. 36 – 39.