К.т.н., доц. Буслова Н.В., студ. Боркунова О.О.
Національний технічний університетУкраїни «Київський
політехнічний інститут»
Сучасні технічні рішення
щодо компенсації ємнісних струмів замикання на землю
Як відомо, мережі 6-35 кВ працюють
з ізольованою нейтраллю. Перевагою таких мереж є
можливість збереження їх у роботі при найбільш частому вигляді пошкодження в
лініях електропередачі − однофазних замиканнях на землю ( ОЗЗ ). Головним
критерієм, що вимушує відключати споживачів в режимі ОЗЗ, є величина струму в
місці замикання, обумовлена ємністю фаз мережі щодо землі, яка веде до
виникнення стійкої дуги і, як наслідок, тяжких аварій. Постійний розвиток мереж веде до
зростання цього ємнісного струму, який може бути компенсований спеціальними індуктивними
(дугогасними) апаратами, питання правильного вибору і підключення яких кожен
раз постає перед проектувальниками. Розгляду цього питання присвячена дана стаття.
При новому будівництві, розширенні
і реконструкції мереж напругою 6-35 кВ необхідно розглядати нейтраль мережі,
заземленою через дугогасний реактор з автоматичною компенсацією ємнісних
струмів .
Один з варіантів вирішення
проблем ліквідації ОЗЗ був запропонований ще в 1916 році Петерсеном [1] і
полягає в компенсації ємнісних струмів від місця замикання за допомогою
спеціальних індуктивностей − дугогасних котушок (ДГК) або дугогасних
реакторів (ДГР). Включення ДГР, окрім зниження струму в місці замикання,
призводить до збільшення часу відновлення напруги на пошкодженій фазі і,
відповідно, діелектричних властивостей ізоляції в місці пошкодження.
Однією з головних переваг
мереж з компенсацією ємнісних струмів також є зниження кратності перенапруг у
разі дугових замикань до 2,4-2,6 Uф (Uф − фазна
напруга мережі) при резонансному налаштуванні контуру нульової послідовності
мережі. В умовах розвитку мереж та зміни їх конфігурації підтримання
резонансної настройки вимагає нових підходів до автоматики управління ДГР [2].
В умовах сучасної тенденції заміни
кабелів з маслонаповненою ізоляцією на кабель з ізоляцією із зшитого
поліетилену, як наслідок, збільшуються ємності щодо землі, і актуальність
задачі компенсації ємнісних струмів постійно наростає.
Принципово
ДГР повинні бути встановлені в кожній фазі мережі (рис. 1). При такому
технічному рішенні котушка, підключена до конкретної фази, компенсує ємнісний
струм замикання на землю цієї фази.

Рис. 1.
Еквівалентна схема трифазної мережі 6-35 кВ з пофазною компенсацією ємнісних струмів
Висока вартість
трифазної системи компенсації ємнісних струмів, її громіздкість і технічні складності
в пофазному налаштуванні ДГР призвели до того, що найбільше поширення одержало
рішення з установкою одного ДГР в нейтраль мережі (рис. 2). На рис. 2 ДГР
підключений до мережі за допомогою спеціального нейтралеутворюючого
трансформатора ТН.

Рис. 2.
Еквівалентна схема мережі з одним компенсуючим пристроєм
Принципово
досягти компенсації ємнісного струму мережі можна як зміною індуктивності ДГР,
так і зміною доданої ємності СД, встановленої паралельно ДГР.
Недоліком останнього варіанту є наявність послідовного контуру «ємність СД
– індуктивність розсіювання трансформатора ТН», який може створити значні перенапруги
на ДГР, а також складності в управлінні високовольтними конденсаторними
установками. Тому в даний час в основному застосовуються тільки керовані дугогасні
реактори.
Потужність
ДГР в схемі рис. 2 повинна бути не менше сумарної реактивної потужності фазних ємностей
СА, СВ, СС мережі.
Як правило, потужність ДГР вибирається з урахуванням перспективного
розвитку мереж і можливості компенсації ємнісних струмів одним реактором при об'єднанні
секцій шин (СШ) і виведенні в ремонт реактора другої СШ [3].
Грунтуючись на багаторічному
досвіді, компанія Trench продовжує розробляти традиційну технологію компенсації
струму замикання на землю. За допомогою новаторської конструкції електричних
апаратів і використання сучасної електроніки і технологій обробки даних
створена високотехнологічна система захисту від короткого замикання на землю,
яка встановлює новий стандарт безпеки в енергетичній промисловості.
Система захисту від короткого замикання
на землю фірми Trench Austria включає в себе наступні функціональні одиниці:
·
дугогасна
котушка з постійним регулюванням;
·
контролер
компенсації струму замикання на землю на основі мікропроцесора;
·
селективне
визначення місцезнаходження низькоомних і високоомних замикань на землю;
·
придушення залишкового струму для зведення до мінімуму ризику в місці короткого
замикання на землю при тривалому короткому замиканню на землю.
Особливою перевагою є ноу-хау в технології виробництва повітряних
котушок індуктивності із сухою ізоляцією (сухих реакторів). Деякі технології, які були вперше апробовані і
впроваджені в конструкції реакторів Trench, наприклад,
використання спеціальних багатожильних кабелів з індивідуальною ізоляцією і просочування
всіх реакторів спеціальним епоксидним компаундом, стали згодом
галузевими стандартами де-факто і показниками високого рівня
продукції.
Переваги сухих реакторів:
·
найвища механічна міцність і стійкість до дії струмів короткого замикання
протягом усього терміну служби;
·
фактично нульовий градієнт радіальної напруги з рівномірно розподіленою
аксіальною напругою між контактами;
·
низькі і стабільні рівні втрат і шуму протягом усього терміну служби;
·
індивідуальний дизайн за вимогами замовника;
·
водонепроникна конструкція з мінімальними вимогами до обслуговування;
·
термін служби конструкції перевищує 30 років.
В даний час найбільш
перспективним типом вказаних дугогасних апаратів в мережах 6-35 кВ є плунжерні
реактори − дугогасні реактори з плавним регулюванням індуктивності.
До дугогасних реакторів з
плавним регулюванням індуктивності пред'являються такі основні вимоги:
·
лінійність регулювальної характеристики;
·
лінійність вольт-амперної характеристики, відхилення не більше 2%;
·
відсоток вищих гармонійних складових у струмі реактора не більше 2;
· діапазон регулювання
не менше 3 положень;
· можливість
дистанційного керування без відключення від мережі.
Дугогасний реактор плунжерного
типу є основним елементом комплексної системи захисту від однофазних замикань ,
розробленої Trench, що дозволяє здійснювати плавне регулювання без відключення
реактора. Можливість автоматичної настройки на мінливий стан мережі , а також
унікальна система виявлення пошкодженого фідера істотно підвищують якість
електропостачання .
Завдяки значним зусиллям ,
вкладеним Trench в розробку дизайну , конструкції (рис.3) і методики
застосування , ці дугогасні реактори задовольняють найсуворішим вимогам до систем
компенсації струмів однофазних замикань.
Екологічні аспекти,
експлуатаційна надійність і виробнича безпека все частіше є причиною того, що
мережі середньої напруги - кабельні мережі. У таких розподільних електричних
мережах підвищуються струми замикання на землю, що іноді може призвести до
перевантаження нейтралі трансформатора, до якого підключений заземлюючий
дугогасний реактор.
У всіх цих випадках , як і при
невиведеній нейтралі трансформатора , заземлюючий дугогасний реактор
включається в мережу через штучну нульову точку за допомогою нейтралера. Для
цього знаходять своє застосування заземлюючі дугогасні агрегати (рис.4) [4].
Рис. 3:
Заземлюючий дугогасний агрегат 10 кВ / 160 А для тривалого режиму роботи та його перетин
Заземлюючі дугогасні агрегати - це обладнання з відповідним нейтралером
нульової точки або заземлюючим
трансформатором ( додаткова обмотка корисної потужності ) і заземлюючим дугогасним
реактором ( в різних конструктивних варіантах) в одному баку . За бажанням
можна також вбудувати в той же самий бак і опір для підвищення активного
залишкового струму [5].


Заземлюючі дугогасні агрегати
мають наступні переваги:
· компактна конструкція (потрібно
значно менше місця для установки в порівнянні з кожним приладом окремо);
· економічність
установки(потрібно на одну трансформаторну комірку або на один фундамент з
маслозбірниками менше);
· просте з'єднання
шинами (відпадає необхідність у зовнішніх з'єднаннях між нейтралером і
заземлюючим дугогасним реактором);
· немає подвійного
завантаження приладів спостереження і захисту скорочення сигналів.
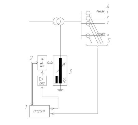
1.Заземлюючий трансформатор 2. Реактор
з втягуючим сердечником 3. Резистор
(паралельно включений)

Рис. 4: Електрична схема
заземлюючого дугогасного агрегату
Функціональні одиниці дугогасного
агрегату (рис.5) оптимально поєднуються в комплексі, але можуть також бути використані і
окремо. При їх проектуванні передбачається максимально можлива сумісність їх з
обладнанням від інших виробників.
1.Контролер компенсації струму
замикання на землю/детектор
струму замикання на землю 2. Залишковий надструм та напруга нейтралі відносно
землі ΔL[ΔC] 3. Дугогасна котушка 4. Живильна лінія 1 5. Живильна лінія
n

Рис. 5.
Функціональна схема заземлюючого дугогасного агрегату
При зміні параметрів мережі дугогасна
котушка повинна бути якнайшвидше налаштована у відповідність з новими параметрами
мережі. Це
завдання виконує контролер компенсації струму короткого замикання на землю EFC30
фірми Trench Austria. Він автоматично регулює індуктивність
L дугогасної котушки відповідно до фактичної конфігурації мережі, причому не потрібне втручання обслуговуючого персоналу або
використання диспетчерського управління та збору даних
(SCADA)[6].
Принцип виявлення короткого замикання
на землю, розроблений
компанією Trench Austria, ─ система вимірювання детектора
короткого замикання на землю (EFD) в корені відрізняється від існуючих методів, заснованих
на централізованому зборі даних і обробці сигналів нульової послідовності,
яка заснована на тому, що, зміна налаштування викликає пропорційно зміну струму нульової
послідовності в несправній живильній лінії.
Можливість безперервного
регулювання струму під навантаженням шляхом зміни повітряного зазору до втяжного
сердечника. Механічне регулювання положення втяжного сердечника за допомогою
приводного механізму, який розташований поверх бака, має індикатор стану та
потенціометр дистанційної індикації. Наявність високошвидкісного механічного
приводу, з яким максимальний час настройки не перевищує 5 сек.
Висновок
На сьогоднішній
день у світі вже використовуються та набувають застосування в Україні
плунжерні заземляюючі дугогасні агрегати із сухою ізоляцією як сучасне технічне рішення щодо компенсації ємнісних струмів замикання на землю.
За допомогою новаторської
конструкції електричних апаратів і використання сучасної електроніки і
технологій обробки даних створена високотехнологічна система захисту від
короткого замикання на землю, яка встановлює новий стандарт безпеки в
енергетичній промисловості, і дає змогу використовувати керовані дугогасні
агрегати оснащені контролером компенсації струму
короткого замикання на землю EFC30 фірми Trench Austria.
Застосування дугогасних агрегатів забезпечує
трьохкратне зниження кількості замикань на землю і повну їх локалізацію в разі
пробоїв ізоляції підвищенням напруги. Забезпечується збереження обладнання в
разі виникнення аварійної ситуації і збільшення терміну служби.
Треба відмітити
і великий термін служби дугогасного агрегату (30 років).
Література:
1.
Petersen
W. Neutralizing of ground fault current and suppression of
ground fault arcs through the ground fault reactor. E.T.Z., 1919.
2.
Козлов В.Н., Петров М.И. Дугогасящие катушки и
автоматика управления ими // Релейная защита и автоматизация. 2010. № 1.
3.
Князев В., Боков Г. Техническая политика ФСК.
Требования к распределительному электросетевому комплексу // Новости
ЭлектроТехники. 2006. № 6(42).
4.
Каминский Е.А. Звезда, треугольник, зигзаг. М.: Энергия,
1973.
5.
Кучеренко В., Сазонов В., Багаєв Д. Дугогасящие
реакторы в сетях 6–35 кВ. Опыт эксплуатации // Новости ЭлектроТехники. 2012. №
2 (74).