ТЕХНИЧЕСКИЕ
НАУКИ/6.Электротехника и радиоэлектроника
Анарбаев
А.Е., Тайсариева К.Н., Молдахметов С.С., Исембергенов Н.Т.
Казахский
национальный технический университет им. К. Сатпаева, РК
К вопросу о разработке системы управления силовым инвертором для индукционного
нагрева
С появлением мощных
транзисторных модулей актуальной стала разработка инверторов, предназначенных
для коммутации больших токов. Одним из направлений исследований АО «Технопарк
КазНТУ им. К. Сатпаева» является разработка устройства для индукционного
нагрева металла.
В процессе разработки
опытного образца одной из основных стала задача по разработке генератора
импульсов с изменяемой частотой для управления силовым инвертором,
предназначенным для осуществления индукционного нагрева. Схема индуктора
представлена на рисунке 1.

Рисунок 1 – Схема индуктора
Одним из простых
способов построения генератора импульсов с изменяемой частотой является
реализация его на микроконтроллере. В данном случае был выбран микроконтроллер ATmega32.
Для индукционного
нагрева необходимо генерировать импульсы разной полярности амплитудой до 300 В
и частотой 20 Гц. Для этого на IGBT модуль достаточно
подавать импульсы ±15 В TOP и BOT.
Микроконтроллеру же необходимо на двух
разных выводах генерировать парафазные импульсы с изменяемой частотой от 10 до 30
кГц. Для достижения высокой временной точности генерации импульсов частота
тактирования микроконтроллера поднята до 16 МГц с помощью кварцевого резонатора.
В процессе разработке
возникла проблема совмещения функций управления ЖКИ и генерации импульсов на
частоте тактирования 16 МГц, т.к. контроллер символьного модуля HD44780
является относительно медленным. Принято решение использовать отдельный
микроконтроллер для управления ЖКИ. Таким образом, устройство состоит из двух
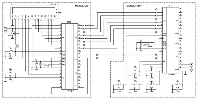
частей: генератора и индикатора. Схема
системы управления показана на рисунке 2.

Рисунок 2 – Схема системы управления силовым инвертором
Принцип работы системы
поясняет рисунок 3, на котором представлен алгоритм работы системы управления.
Устройство позволяет с помощью кнопок выбирать частоту импульсов в пределах от
10 до 30 кГц, а также сохранять значение частоты в память EEPROM
микроконтроллера.

Рисунок 3 – Алгоритм работы системы управления силовым
инвертором
При испытании системы в
рабочем режиме импульсы на выходе силового инвертора имели значительные
выбросы, которые удалось устранить при увеличении времени задержки до 5 мкс
между парафазными импульсами. Помимо этого на порте А микроконтроллера в подсистеме
индикации периодически возникали электромагнитные помехи, которые генерировали
мощные токи высокой частоты индуктора. Данная проблема была устранена
наложением медной пластинки к корпусу микроконтроллера. В целом в ходе работы
разработанная система управления проработала надежно, корректно выполняя
заложенные функции. На рисунке 4 показан опытный образец системы управления в процессе настройки (рисунок 4а) и в
процессе индукционного нагрева металлической заготовки (рисунок 4б).

Рисунок 4 – Система управления силовым инвертором
В дальнейшем планируется
усовершенствовать систему управления
силовым инвертором, разработать вопрос по экранированию устройства, а
также провести испытание в промышленных условиях и продолжительной работе.
Литература:
1.
Семенов
Б.Ю. Силовая электроника: от простого к сложному. – М.: СОЛОН-Пресс, 2005.
2. ATmega32
Data sheet. USA: Atmel Corporation, 2011.