Белоусов Е.В., Журавлев А.М., Бычков А.Е., Кинас С.И
Южно-Уральский государственный университет, Россия
Система управления электроприводом с синхронной реактивной машиной
независимого возбуждения*
*Работа выполняестя при
поддержке конкурса 2013-2015 года на получение стипендии Президента РФ молодым
ученым и аспирантам по научной теме "Электропривод с синхронной реактивной
машиной независимого возбуждения".
Основными требованиями, предъявляемыми сегодня к
электроприводу, являются, прежде всего: надежность, широкий диапазон
регулирования скорости и высокая перегрузочная способность. Наиболее
перспективным, на наш взгляд, здесь является электропривод с синхронной
реактивной машиной независимого возбуждения. Данная машина представляет собой
достаточно простую конструкцию: статор, точно такой же, как и у асинхронного
двигателя, однослойная обмотка с полным шагом, и ротор, выполненный без обмотки
(рис. 1).
Принцип действия данной
машины следующий: если по обмоткам 1-1` и 2-2` пропустить постоянный ток, то он
создаст поток по продольной оси машины. Если теперь по обмоткам 3-3`, 4-4`, 5-5
` и 6-6` начать пропускать ток, то взаимодействуя с этим потоком, он будет
создавать электромагнитный момент. Обмотки следует переключать в зависимости от
текущего положения ротора. Другими словами, одна и та же обмотка должна в
нужный момент выполнять либо функцию возбуждения, либо функцию создания
момента.
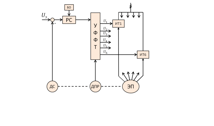
Проще всего реализовать данный принцип работы
можно, если запитать каждую обмотку от собственного (отдельного) источника
тока, сигнал задания на который будет приходить с узла формирования фазных
токов (рис.2), реализованного посредством микропроцессорной электроники. Очевидно,
что при такой системе управления достаточно просто реализуется режим ослабления
поля, так как величины токов возбуждения и якоря задаются независимо.
Рисунок 2 -
Структурная схема шестифазного ЭП с СРМНВ РС –регулятор скорости; УФФТ
– узел формирования фазных токов; ДС – датчик скорости; ИТ – источник тока;
ДПР – датчик положения ротора


Для оценки
работоспособности электропривода была разработана математическая модель
средствами программного компонента ANSOFT Simplorer.
Преимуществом данной среды является простота интегрирования конечно-элементной
модели электрической машины, разработанной в программном продукте ANSOFT
Maxwell. Данная модель учитывает нелинейность кривой
намагничивания стали, из которой выполнен двигатель, краевые эффекты, насыщение
источников питания, и, самое главное, работу машины от преобразователя. Также модель
позволяет имитировать статическую нагрузку на валу, формировать фазный ток
требуемой формы и управлять движением в замкнутой по скорости системе.
Комплексный подход к
проектированию электропривода с учетом работы электрической машины от
преобразователя частоты требует принятия решений, отличающихся от традиционных.
Так, оптимальным с точки зрения минимизации амплитуды зубцовых пульсаций
является число фаз равное шести. При меньшем числе фаз, например 3, для данной
машины величина амплитуды этих пульсаций велика, для большего числа фаз система
управления становится довольно громоздкой, и как следствие более дорогой.
Технология изготовления
синхронной реактивной машины предполагает оставлять статор от асинхронного
двигателя без изменений. Для ротора же
существуют различные конструктивные варианты изготовления с применением
магнитонепроводящих вставок. Множество таких конструкций описано в [4].
Делается это для увеличения соотношения xd/xq, где xd – продольная,
а xq – поперечная составляющая потока. Однако с точки
зрения технологичности изготовления ротора и его прочности лучше всего подходит
«обычный» явнополюсный ротор.
Основным критерием оптимизации
электропривода (Р=300 кВт) являлся электромагнитный момент, развиваемый
машиной. На рисунке 4 показаны
результаты моделирования для различных случаев отношения токов якоря и
возбуждения, а также для различных соотношений габаритных размеров полюсной
дуги к полюсу (рис. 3). Как видно из рисунка максимальный электромагнитный
момент при прочих равных условиях, в том числе при постоянстве
среднеквадратичного фазного тока машина развивает при Iв/Iя = 0,4 и α/β = 0,4. В этом
случае как раз минимизируется размагничивающая составляющая потока.
Рисунок
3 - Ротор СРМНВ

Рисунок 4 - Результат оптимизации законов управления
Для электропривода
переменного тока традиционной является синусоидальная форма тока. Так сложилось
исторически благодаря простоте и экономичности передачи электроэнергии по трем
проводникам. Однако когда каждая фаза электрической машины питается от
индивидуального источника тока, такое решение не является оптимальным. На
рисунке 5 показано сравнение различных форм фазного тока для различного числа
фаз. Для шестифазного электропривода оптимальной является трапецеидальная форма
тока, т.к. среднеквадратичный ток за период минимален по сравнению с остальными
случаями при постоянстве момента статической нагрузки.

Рисунок
5 - Сравнение различных форм тока
Литература:
1. Проектирование
электрических машин: учебник для вузов / под ред. И.П. Копылова. – 4-е изд.,
перераб. И доп. – М.: Издательство «Юрайт», 2011. – 767с.
2. Усынин, Ю.С.
Электроприводы и генераторы с синхронной реактивной машиной независимого
возбуждения / Ю.С. Усынин, М.А. Григорьев, К.М.
Виноградов // Электричество. – №3. –
2007. – С.21 – 26.
3. Григорьев, М.А.
Предельные возможности электроприводов с синхронной реактивной машиной
независимого возбуждения / М.А. Григорьев // Вестник Южно-Уральского
государственного университета. Серия “Энергетика”. – 2009. – Вып. 12. –
№ 34(167). – С. 51 – 55.
4. Кононенко Е.В Синхронные реактивные машины / Издательство «Энергия», 1970г.
5. Григорьев, М.А. Удельные показатели электропривода
с синхронным реактивным двигателем независимого возбуждения, Вестник
Южно-Уральского государственного университета. Серия “Энергетика”. – 2008. –
Вып. 11.– С. 52 – 53.
6. Усынин Ю.С., Григорьев М.А., Шишков А.Н.,
Виноградов К.М, Горожанкин А.Н., Бычков А.Е. Потери в регулируемых электроприводах при разных
законах управления / Вестник Южно-Уральского государственного
университета. Серия “Энергетика”. – 2010. –№ 14(190). – С. 47 – 51.
7. Усынин Ю.С., / Энергосбережение в электроприводах
тягодутьевых механизмов многосвязных объектов/ Григорьев М.А., Шишков
А.Н., Бычков А.Е., Кашаев Д.И.// //
Вестник Южно-Уральского государственного университета. Серия “Энергетика”. –
2011. – № 15(232). – С. 40 – 45.
8. Усынин Ю.С. Частотные характеристики канала
регулирования момента в синхронных электроприводах/ Усынин Ю.С., Григорьев
М.А., Шишков А.Н // Электричество. – №4. – 2012. – С.54 – 59.
9. Григорьев М.А. Электроприводы с синхронной
реактивной машиной независимого возбуждения для станов холодной прокатки труб/
Усынин Ю.С., Лохов С.П., Григорьев
М.А., Шишков А.Н., Белоусов Е.В.// // Вестник Южно-Уральского
государственного университета. Серия “Энергетика”. – 2012. – № 16(275). –
С. 107 – 110
10. Усынин Ю.С.,
Григорьев М.А. Синтез
системы управления электроприводом с синхронной реактивной машиной независимого
возбуждения / Усынин Ю.С., Григорьев М.А, Шишков А.Н., Гладышев С.П.,
Горожанкин А.Н. // Вестник Южно-Уральского государственного университета. Серия
“Энергетика”. – 2010. –№ 37 – С. 38 – 41.