Технические науки / 5. Энергетика
к.т.н. Нестерчук Д.Н. к.т.н. Куценко Ю.Н.,
Таврический государственный агротехнологический университет
Универсальное устройство комплексного управления и защиты группы асинхронных
электродвигателей
Перспективы развития электропривода
связаны с необходимостью внедрения новых высокоэффективных систем его
мониторинга и защиты. Главная задача этих систем – это обеспечение эффективного
функционирования и надежности электропривода. Трехфазные асинхронные
электродвигатели, как основной вид электропривода - это массовая продукция электромашиностроения.
Благодаря простоте конструкции, высокой надежности и невысокой стоимости асинхронный
электродвигатель (АД) с короткозамкнутым ротором - самый распространенный
электродвигатель. Практика эксплуатации АД показывает, что увеличение срока
службы и повышение надежности их работы дает относительно больший экономический
эффект, чем улучшение технико-экономических показателей, а именно, коэффициента
полезного действия, коэффициента мощности и коэффициента использования. Повышение
качества и эксплуатационной надежности АД – одна из самых актуальных проблем
современного электромашиностроения и эксплуатации электрических машин. Существуют
современные методы и средства эксплуатационного мониторинга АД. Основой
эксплуатационного мониторинга АД является техническая диагностика, которая
позволяет непрерывно контролировать изменение одного или нескольких параметров,
которые характеризуют процессы повреждения и износа изоляции, а также тех параметров,
характеризующие текущее состояние изоляции. Техническая диагностика позволяет
осуществлять своевременное прогнозирование ненормального развития процессов,
которое позволит определять как окончательный технический ресурс, так и
скорость износа изоляции обмоток АД. [1…4]
Универсальная система
мониторинга АД должна быть многофункциональной и многоканальной, обеспечивающей
полную интеграцию энергетического и электромеханического мониторинга АД. Совершенно
очевидно, что применение надежной и эффективной защиты от аварийных режимов
работы значительно сократит количество и частоту аварийных ситуаций и продлит
срок службы асинхронного электродвигателя, сократит расход электроэнергии и
эксплуатационные расходы. Но для того, чтобы выбрать эту защиту, необходимо
знать, как и от чего необходимо защищать электродвигатель, а также специфику
процессов, которые протекают в нем в случае аварий. Поэтому разработка и
широкое внедрение систем технического диагностирования и мониторинга
асинхронных электродвигателей – это важнейший фактор повышения эффективности
использования машин и оборудования и, как следствие, уменьшение затрат на их
эксплуатацию.
Анализ литературных
источников показал [1, 4], что устройства мониторинга и защиты АД классифицируются
по параметру, который контролируется первичным измерительным преобразователем того
или иного аварийного режима работы АД, а именно, тепловые, токовые, температурные,
фильтровые и комбинированные. Несомненно, преимущество принадлежит комбинированным
устройствам мониторинга и защиты асинхронных электродвигателей.
На
современном этапе развития электроники и микропроцессорной техники, стало возможным решить вопрос разработки и внедрения
микропроцессорного устройства комплексного
управления и защиты группы асинхронных электродвигателей. Разработанное устройство
обеспечивает эффективную защиту при замыканиях на «землю» обмотки статора во время работы, при не полнофазном режиме работы,
при механических перегрузках, при не симметрии фазных токов, а также
обеспечивается защита при исчезновении момента на валу электродвигателя.
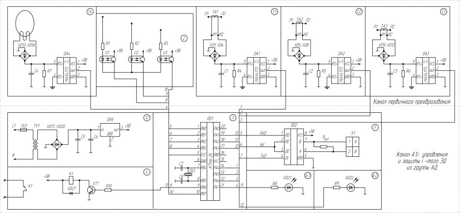
На рисунке 1
представлена схема электрическая структурная универсального устройства
комплексного управления и защиты группы асинхронных электродвигателей.
Рассмотрим назначение
каждого блока более детально. Первичная обмотка трансформаторных преобразователей тока 1.1, 1.2, 1.3 включается последовательно относительно линейного
провода, питающего электродвигатель, вторичная обмотка преобразователя
формирует сигнал, который пропорционален первичному фазному току. [2, 3]. Оптотранзисторные датчики напряжения 2.1, 2.2, 2.3 осуществляют постоянный контроль сетевого напряжения питания и защищают
от не полнофазного режима работы. Дифференциальный трансформаторный преобразователь тока 1.4 предназначен для защиты при замыканиях на «землю» обмотки статора во время работы АД. Блок
обработки на базе контроллера 3 предназначен для приема информативных
измерительных сигналов с блоков 1.1…1.3,
2.1…2.3 и с 1.4, а также для обработки и формирования электрических
сигналов для передачи их на порты микроконтроллера 8. Блок управления 4 предназначен
для управления магнитным пускателем соответствующего электродвигателя, а именно
для отключения неисправного электродвигателя из группы АД от сети трехфазного
переменного тока при возникновении аварийных режимов работы. Сеть «прием –
передача информации» 5 и 7 передает на микроконтроллер 8 от каналов А1.i управления и защиты АД, и
принимает от микроконтроллера 8 электрические сигналы управления для функционирования
блока управления 4. Световой сигнализационный блок 6.1 «Работа» осуществляет
световую сигнализацию о нормальной
работе электродвигателя из группы АД. Световой сигнализационный блок 6.2
«Авария» осуществляет световую сигнализацию о наличии аварийного режима работы
электродвигателя из группы АД. Микроконтроллер 8 обрабатывает электрические
сигналы с каждого канала А1.i управления и защиты АД, сравнивает входные параметры диагностирования с
величинами нормированных уставок и формирует сигналы управления для функционирования
блоков 4, 6.1, 6.2 и 10. Для ввода данных о нормированных параметрах
диагностирования АД и для управления универсальным устройством предусмотрена
клавиатура. Блок цифровой индикации 10 предназначен для визуального
представления измерительной информации о текущем состоянии электродвигателя и
его номера из группы АД.
Рисунок 1 – Схема электрическая
структурная универсального устройства комплексного управления и защиты
группы асинхронных
электродвигателей

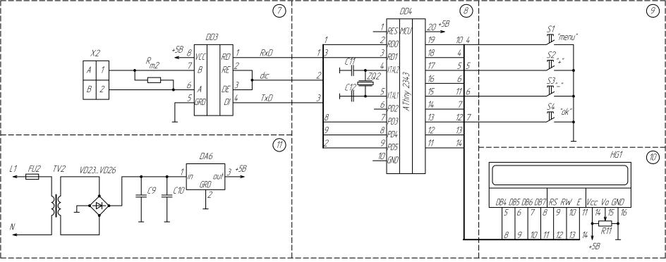
Рисунок 2 - Схема электрическая
принципиальная канала А1.i управления и защиты
i – того
электродвигателя из группы АД.

Рисунок 3 – Схема электрическая
принципиальная централизованного модуля А1 управления и защиты группы АД
На рисунке 2
представлена схема электрическая принципиальная канала А1.i управления и защиты i – того электродвигателя из группы АД. На рисунке 3 представлена схема
электрическая принципиальная централизованного модуля А1 управления и защиты
группы АД универсального устройства.
Следует отметить, что
количество каналов А1.i управления и защиты зависит от количества электродвигателей в группе АД. [3].
Расчет показателей
надежности работы разработанного устройства для группы из 23 асинхронных
электродвигателей по методике, представленной в литературном источнике [5],
показал, что интенсивность отказов устройства составляет 0,00108493 1/час, время работы устройства до отказа
– 920 часов, а вероятность безотказной работы устройства равна 0,87.
Литература:
1. Гольдберг О.Д. Надежность
электрических машин: учебник для студ. высш. учеб. заведений / О.Д. Гольдберг,
С.П. Хелемская; под ред. О.Д. Гольдберга.
– М.: Издательский центр «Академия», 2010. – 288 с.
2. Нестерчук Д.М. Мікропроцесорний
пристрій діагностування режимів роботи групи асинхронних електродвигунів
технологічної лінії / Д.М. Нестерчук, І.О. Попова // Вісник Харківського
національного технічного університету сільського господарства імені Петра
Василенка. Технічні науки. Випуск 116 «Проблеми
енергозабезпечення та енергозбереження в АПК України». – Харків: ХНТУСГ, 2011. – с. 114 – 116.
3. Нестерчук Д.М. Захист
асинхронних електродвигунів від аварійних режимів роботи / Д.М. Нестерчук //
Праці ТДАТУ. – Випуск 11, том 3. – Мелітополь: ТДАТУ, 2011. – с. 56-65.
4. Кузнецов Н.Л. Надежность
электрических машин / Н.Л. Кузнецов –
М.: Издательский дом МЭИ, 2006. – 432 с.
5. Мартыненко
И.И., Лысенко В.Ф. Проектирование систем автоматики. – 2-ое изд., перераб. и
доп. / И.И. Мартыненко, В.Ф. Лысенко. – М.: Агропромиздат, 1990. – 243 с.