Кохреидзе Г.К., доктор
техн.наук.профессор,
Ул.М.Цинамдзгвришвили,
68, Тбилиси 0102.Грузия.
E-mail:gmgmgkf @ mail.ru, телефон 599 170014
Прангишвили Г.В докторант
ГТУ
Лаошвили Д.П., доктор техн. наук.профессор, Грузия
Пхакадзе
Ш.А.,академический доктор энергетики и электроинженерий Тбилиси
Курашвили И. А. академический
доктор энергетики и электроинженерий
Грузинский
технический университет
Научно-инженерный центр электроэнергетики
ЭЛЕКТРОМАГНИТНЫЕ ПЕРЕХОДНЫЕ ПРОЦЕССЫ ПРИ ПАРАЛЛЕЛЬНОЙ РАБОТЫ ДВИГАТЕЛЯ
ПОСТОЯННОГО ТОКА И ТРЕХФАЗНОГО МОСТОВОГО ВЫПРЯМИТЕЛЬНО-ИНВЕРТОРНОГО
ПРЕОБРАЗОВАТЕЛЯ ТЯГОВОЙ ПОДСТАНЦИИ
Рассматривается единая выпрямительно-инверторная преобразовательная
система тяговой подстанции по трехфазной мостовой схеме, нагруженный на тяговый
двигатель постоянного тока электровоза с широтно-импульсным управлением [1,4,5].
Проведено математическое и компьютерное моделирование электромагнитных и
электромеханических процессов при пуске и тяги электроподвижного состава (ЭПС).
Разработанная полупроводниковая преобразовательная система [1] состоит
из: сети переменного напряжения 10 кВ; трехфазного тягового трансформатора;
ведомую сетью трехфазного инвертора; контактной сети постоянного напряжения 3,3
кВ; трехфазного мостового выпрямителя тягового двигателя с широтно-импульсным
управлением ЭПС; рельса; шин отсоса и бетонных реакторов.
Для расчета характеристик агрегатов и электромагнитных переходных
процессов в их схемах необходимо знать параметры тяговых трансформаторов,
индуктивности и сопротивления, сосредоточенные в анодных цепях.
Для точного описания процессов при пуске и в режиме тяги ЭПС в
выпрямительном режиме необходимо рассматривать весь комплекс установки, как
единая преобразовательная система, начиная от сети переменного напряжения 10 кВ
тяговой подстанции, кончая до тягового двигателя постоянного тока электровоза с
учетом контактной сети и рельсовой цепи.
Необходимо составить систему дифференциальных уравнений для расчетных
схем (рис. 1
рис. 2). В этих схемах учтено состояние транзисторного
ключа 35 как во внекоммутационном, так и в коммутационном интервалах времени.
Для расчетных схем имеем соотношения:
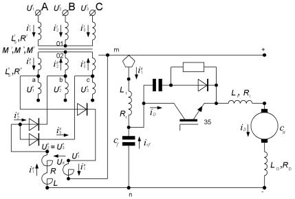
· Во внекоммутационном интервале от
до
а) пуск и тяга ЭПС
при включении транзисторного ключа 35 (рис. 1, а) и от
до
при выключении ключа
35 (рис. 1, б).
|
|
|
a) |
|
|
|
b) |
Рис. 1. Расчетная схема преобразовательной системы
при пуске и в режиме тяги ЭПС при включении
а) и при выключении
б) транзисторного
ключа 35 во внекоммутационных интервалах времени.
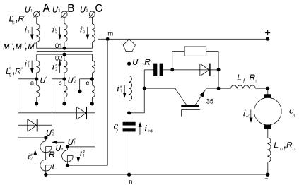
· В коммутационном интервале от
до
б) пуск и тяга ЭПС
при включении транзисторного ключа 35 (рис. 2, а) и от
до
при выключенного
состояния ключа 35 (рис. 2, б).
Для каждой расчетной схемы составляются уравнения электрического
равновесия по мгновенным значениям переменных. В уравнениях учитываются значения
заданных величин параметров полной цепи, указанные в соответствующих схемах:
,
,
,
,
,
,
и эквивалентная
механическая емкость якоря тягового двигателя в переходных режимах машины
постоянного тока [2,3]
:
от
до
(рис. 1,а) имеем
уравнения:
|
|
|
a) |
|
|
|
b) |
Рис. 2. Расчетная схема преобразовательной
системы при пуске и в режиме тяги ЭПС при включении
а) и при
выключении б)
транзисторного ключа 35 в коммутационных интервалах времени.
;
;
;
;
;
;
;
;

;
;
; (1)
от
до
(рис. 1, б) имеем:
;
;
;
;
;
;
;
;
;
;
;
;
; (2)
от
до
имеем (рис. 2,а):
;
; ![]()
;
;
;
;
;
;
;

;
;
; (3)
от
до
(рис. 2,б) имеем уравнения:
;
;
;
;
;
;
;
;
;
;
;
;
(4)
Применением комплексного преобразования переменных исходные систем
уравнении
преобразуются в систему уравнений относительно результирующих
комплексных обмоточных токов тягового трансформатора. При этом количество
уравнений уменьшается до числа обмоточных токов.
В общем виде для результирующих комплексных величин введем следующие выражения
[6]:
;
;
;
; (5)
где
- углы, определяемые
магнитными осями фаз силового трансформатора. В (5) использованы матрицы прямых
и обратных преобразования переменных.
Из систем комплексных уравнений можно получить скалярные уравнения для
действительных
и мнимых
составляющих
результирующих величин по осям
с целью дальнейшего
решения задач методом компьютерного моделирования [3].
, (6)
где в (6)
- матрица падении
мгновенных значении напряжений на эквивалентных сопротивлениях полной цепи;
- матрица эквивалентных
индуктивностей и взаимных индуктивностей;
- матрица производных
результирующих токов в координатах
.
Из (6) можно получить выражения матриц результирующих токов
во всех обобщенных
интервалах времени:
;
;
; ![]()
, (7)
где в (7)
– обратная матрица
эквивалентных индуктивностей и взаимоиндуктивностей;
– начальные значения
соответствующих результирующих токов в координатах
в начале каждого
внекоммутационного и коммутационного интервалов времени.
На основании (5), (7) можно составить структурную схему модели
переходных процессов преобразователя для каждых интервалов времени с учетом
наборов моделирующих элементов отдельных элементарных математических операций с
выполнением требуемых условий их сопряжения [3,6].
Полученная структурная модель даст возможность исследовать и рассчитать
электромагнитные и электромеханические переходные процессы во всех основных
режимах работы в обобщенных внекоммутационных и коммутационных интервалах
времени.
Рабочий цикл преобразовательной системы можно представить как чередование
рассмотренных интервалов времени [6].
Для предложенной преобразовательной системы разработан алгоритм
математического и компьютерного моделирования процессов в разных режимах работы
системы в целом.
ЛИТЕРАТУРА
1.
Кохреидзе Г.К., Лаошвили Д.П.,
Кохреидзе Д.К., Курашвили И.А. Трехфазный мостовой выпрямительно-инверторный
преобразователь с широтно-импульсным управлением тягового двигателя постоянного
тока. www.energyonline.ge №1(2)
2010.
2.
Кохреидзе Г., Курашвили И., Инджия
Л. Математическое и компьютерное моделирование внекоммутационных процессов в
преобразователях тяговой подстанции по схеме «две обратные звезды с
уравнительным реактором». «Энергия» №4(52) 2009. Тбилиси.
3.
Кохреидзе Г., Инджия Л.,
Курашвили И. Математическое и компьютерное моделирование коммутационных
процессов в полупроводниковых преобразователях тяговой подстанции с двухфазным
уравнительным реактором. «Энергия». №4(52) 2009. Тбилиси.
4.
Прохорский А.А. Тяговые и
трансформаторные подстанции. М. Транспорт. 1983.
5.
Розенфельд В.Е., Исаев И.П.,
Сидоров Н.Н. Теория электрической тяги. М. Изд-во «Транспорт», 1983.
6.
Лутидзе Ш.И. Основы теории
электрических машин с управляемым полупроводниковым коммутатором. «Энергия». М.
1968.
Кохреидзе Г.К.,Прангишвили Г.В. Лаошвили Д.П., Пхакадзе Ш.А.Курашвили И.А.
Электромагнитные переходные процессы при параллельной работы
двигателя постоянного тока и трехфазного мостового
выпрямительно-инверторного преобразователя
тяговой подстанции
АННОТАЦИЯ
В
работе разработана единая выпрямительно-инверторная преобразовательная система
тяговой подстанции по трехфазной мостовой схеме, нагруженная на тяговом
двигателе постоянного тока электровоза с широтно-импульсным управлением.
Получены
результаты электромагнитных и электромеханических процессов при пуске и тяги
электроподвижного состава с учетом обобщенных внекоммутационных и
коммутационных интервалов работы.
G. K. Kokhreidze,G.V.Prangishvili D. P. Laoshvili,
SH.A.Pkhakadze,I.A.Kurashvili
Starting and traction modes of the direct current
motor taking into account the three-phase bridge reversible converter of the
traction substation
Annotation
In the work there is developed a uniform reversible
conversion system of the traction substation according to three-phase bridge
circuit, charged at direct-current railway motor of electric locomotive with
time-proportional control.
There are obtained
results of electromagnetic and electromechanical processes at
starting and traction of the electric motive power taking into account
generalized non-commutation and commutation intervals of work.