Марусин А.В., Сычёв А.М., Данилов И.К.

Саратовский Государственный технический университет

им. Гагарина Ю.А.

МОДЕЛИРОВАНИЕ ПРОЦЕССОВ ДИАГНОСТИКИ ДИЗЕЛЯ С СИЛОВОЙ ЭЛЕКТРИЧЕСКОЙ ПЕРЕДАЧЕЙ

 

Методом математического моделирования исследуется новый алгоритм встроенной системы технической диагностики отказов систем дизеля транспортного средства с электрической силовой передачей: собственно дизеля; турбины; компрессора; регулятора частоты вращения коленчатого вала и тягового электрического генератора, с использованием их математических диагностических идентификационных моделей в среде визуального графического программирования Simulink, с целью проверки работоспособности главной подсистемы алгоритма системы технической диагностики.

 

Встроенная система технической диагностики; дизель; алгоритмы диагностирования; математическое моделирование.

 

Marusin A.V., Sychyov A.M., Danilov I.K.

Saratov State Technical University named after Yuri Gagarin

SIMULATION OF PROCESSES OF PRELIMINARY TREATMENT OF THE DIESEL WITH POWER ELECTRICAL DRIVE

The method of mathematical model operation examines new algorithm of firmware system of an engineering problem diagnostics of systems of the diesel engine of transport facilities with an electrical power transmission: naturally diesel engine; turbines; the compressor; a frequency regulator of twirl of a bent shaft and the tractive electrical oscillator, with use of their mathematical diagnostic identification models in the environment of visual graphical programming Simulink, for the purpose of a functional test of a principal subsystem of algorithm of system of engineering preliminary treatment.

 

Firmware system of engineering preliminary treatment; the diesel engine; algorithms of diagnosing; mathematical model operation.

 

Вопрос о создании и совершенствовании встроенной системы электронной технической диагностики (СТД) транспортного средства с силовой электрической передачей, интеграция её с электронной системой автоматического регулирования и управления (САУ) дизеля является в настоящее время актуальным [1-3]. Совершенствование конструкций современных СТД дизелей осуществляется, как правило, на основе увеличения количества диагностируемых переменных и параметров, внедрения новых дополнительных функций (оптимизации статических режимов работы дизеля, адаптации к изменению параметров подсистем дизеля и пр.), степени автоматизации, при повышении  требований к информативности и точности, эффективности взаимного функционирования  САУ и СТД.

Предлагаемая конструкция встроенной СТД может в режиме реального времени обеспечить повышение информативности и  точности контроля технического состояния дизеля транспортного средства с электрической силовой передачей. СТД содержит три диагностических алгоритма, которые осуществляют оценку отказов подсистем дизеля по статическим контролируемым показателям и показателям, измеряемым в переходных процессах, накопление выборок которых  позволяет провести прогноз изменения технического состояния систем дизель-генератора, т.е. диагностирование дизель-генератора в целом.

Технический прогресс в автомобильном транспорте связан с созданием и использованием более сложных, совершенных и мощных дизелей с электронными системами автоматического регулирования частоты вращения (САРЧВ), с постоянным повышением требований к их показателям эффективности и характеристикам, с необходимостью развития конструкций САРЧВ и объединения в единый комплекс самых разнообразных устройств, включая и систему технической диагностики (СТД) [2].

         Все это приводит к исследованию требуемых показателей точности СТД дизелей, сопряжения САРЧВ и СТД, их экономичности и надежности.

Большая часть времени функционирования современных систем дизелей происходит на неустановившихся режимах, на которых основные показатели эффективности дизеля снижаются на 6-20% (мощностные показатели и показатели топливной экономичности). Изменение статических и динамических характеристик дизеля в процессе эксплуатации определяется техническим состоянием  элементов его систем: кривошипно-шатунного механизма, системы топливоподачи, турбокомпрессора и других вспомогательных устройств. Снижение их статических и динамических характеристик ниже допустимого уровня  влечет за собой большие материальные убытки.

         Особенность проблем эффективности и надежности САРЧВ и СТД дизелей определяется всеми этапами проектирования, изготовления и эксплуатации. Поэтому необходимо выявление связей между показателями эффективности и надежности САРЧВ и СТД дизелей и возможностями их повышения на каждом из указанных этапов.

Состояние элементов САРЧВ дизель-генератора оценивалось во времени переходных процессов с шагом 0,1 с по следующим показателям (измеряемым переменным): частота вращения коленчатого вала дизеля; перемещение рейки топливного насоса высокого давления; сила тока и напряжение генератора; частота вращения ротора турбокомпрессора; давление наддува от турбокомпрессора; изменение положения ограничителя (упора) перемещения рейки топливного насоса.

Рис.1. График переходного процесса опытной САРЧВ модифицированного дизель-генератора при сбросе частичной нагрузки: nd - частота вращения коленчатого вала дизеля; nt  - частота вращения ротора турбокомпрессора; hp - перемещение рейки топливного насоса высокого давления; J - ток  генератора; pn - давление наддува от турбокомпрессора

Для переходных режимов с одной установившейся частоты вращения коленчатого вала дизеля при сбросе и наборе частичной электрической нагрузки  дизель-генератора изменение во времени t измеряемых переменных приведено на рис.1.

На рис.1 все графики переменных имеют нормированные значения. Графики на рис.1 сглажены посредством кубической сплайн и полиномиальной интерполяции, что способствует повышению точности идентификационной модели. Вначале выполнялась полиномиальная интерполяция на временном участке (с шагом 0,05) с от 0,5 с до окончания переходного процесса. Затем применялась кубическая сплайн-интерполяция на участке времени t от 0 до 0,5 с, обеспечивая сопряжение пересекающихся точек (равенство производных).

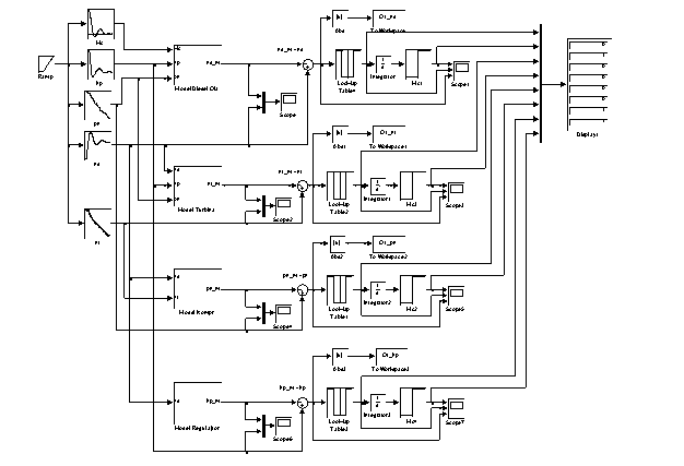
По разработанному диагностическому алгоритму оценки отказов элементов дизеля в режиме переходного процесса дизеля, турбины, компрессора и регулятора частоты вращения  сформирована структурная схема алгоритма определения неисправностей каждого из перечисленных элементов дизеля. Структурная схема этой модели СТДсЭП в среде визуального графического программирования Simulink приведена на рис.2.

Структурная схема СТДсЭП моделирует с помощью функциональных блоков Look-up Table сигналы с датчиков: момента   сопротивления нагрузки на коленчатом валу дизеля  (сила тока якоря генератора,  Mc), перемещения рейки топливного насоса (hp), давления наддувочного воздуха (pn), частоты вращения коленчатого вала (nd) и ротора турбины (nt). Аргумент таблично задаваемых функций этих блоков формируются генератором Ramp. На схеме модели дизеля, турбины, компрессора (турбокомпрессора) и РЧВ сформированы в виде функциональных блоков Subsystem, соответственно Model Diesel OU, Model Turbina, Model Kompr, Model Regulajtor. Выходы этих блоков (выходные переменные, рассчитанные по моделям) подаются на соответствующие сумматоры, где производится сравнение значений моделируемых переменных (nd) со значениями данных, являющихся выходами моделей (nd_m) соответствующих датчиков. Разницы (например nd_m – nd) моделируемых и наблюдаемых  с датчиков значений переменных подаются на функциональные блоки типа Look-up Table 1…4 реализующие, так называемые, щелевые функции со значениями ноль и единица. Ширина этих щелевых функции задается эталонными значениями отклонений каждой из соответствующих переменных и определяет допустимые диапазоны коридоров, в которых величины изменения отклонений переменных допустимы, и не определяет отказ моделируемых элементов двигателя. Выходы функциональных блоков Look-up Table 1…4 подаются на соответствующие строки дисплея Display1 и одновременно на интеграторы, где производится интегрирование во времени сигналов–отклонений от эталонных значений переменных. Ограничение величин этих сигналов осуществляется функциональными блоками, реализующими ступенчатую функцию с нулем и единицей (Мс1…4).

Для решения задач прогнозирования разницы (например, nd_m – nd) моделируемых и наблюдаемых  с датчиков значений переменных  подаются на функциональные блоки типа Abs…3, где исключаются отрицательные знаки, затем записываются в оперативную память программы с помощью функциональных блоков типа To Workespas 3. Эти переменные имеют следующие имена: O1_nd, O1_nt, O1_pn, O1_hp  и используются другой программой Matlab, где накапливаются (запоминаются) после каждого тестирующего воздействия. При каждом новом запуске программы прогнозирования эти данные отображаются в форме графиков, позволяющих о тенденциях изменения отклонений значений переменных моделей от эталонных значений.

Результаты моделирования одного канала по прикладной программе, реализующей рассматриваемую структурную схему модели СТДсЭП в форме графиков переходных процессов приведены на рис.3 и рис.4 при отсутствии отказов диагностируемых элементов двигателя.

При анализе графиков относительного отклонения давления рн, рнм надувочного воздуха турбокомпрессора дизеля от времени t, рн - измеренных в эксперименте, рнм – результата моделирования, видно, что в отсутствие отказов диагностируемых элементов двигателя кривые графиков моделируемых переменных с датчиков и выходов моделей практически совпадают.

Рис.2. Структурная схема модели СТДсЭП представленная в среде визуального графического программирования Simulink

 

Рис.3. Зависимость относительного отклонения давления рн, рнм надувочного воздуха турбокомпрессора дизеля от времени t: рн – измерено в эксперименте; рнм – результат моделирования.

 

Рис.4. Зависимость относительного отклонения рейки ТНВД дизеля hp, hpм от времени t: hp – измерено в эксперименте; hpм – результат моделирования.

 

 

 

Результаты моделирования одного канала по прикладной программе, реализующей рассматриваемую структурную схему модели СТДсЭП в форме графиков переходных процессов приведены на рис.5.

Рис.5.  Изменение во времени t разницы Δn = nd_m – nd относительных отклонений измеряемой nd и моделируемой ndм частот вращения дизеля, сигнала С1 от Δn на  выходе щелевой функции и сигнала С2 с щелевой функции после интегрирования

 

Теоретическое обоснование разработанных алгоритмов и их диагностических математических моделей, проведённое посредством математического моделирования, показало работоспособность алгоритмов и достаточную для практики точность разработанных диагностических математических моделей, таким образом, проведена их проверка.

Литература

1.                 Двигатели внутреннего сгорания: Системы двигателей внутреннего сгорания /Д.Н. Вырубов, Н.А. Иващенко и др.; Под ред. А.С. Орлина, М.Г. Круглова. – 4е изд. – М. Машиностроение, 1983. – 372 с.

2.                 Грехов Л.В., Иващенко Н.А., Марков В.А. Топливная аппаратура и системы управления дизелей: Учебник для вузов. – М.: Легион-Автодата. 2004. - 344с.

3.                 Файнлейб Б.Н. Топливная аппаратура автотракторных дизелей: Справочник. -Л.: Машиностроение. 1990. 352 с.